來源:壹芯微 發布日期
2021-01-13 瀏覽:-2V升5V的升壓芯片,兩款芯片電路圖普及
2V的輸入電壓,是可以用來做5V輸出的升壓電路,但是2V的供電設備很少,不知道還有什么東西是2V電壓的,還需要升壓到5V的電路系統。
兩款2V升5V的芯片電路圖:
第1, PW5100升壓芯片,輸出電流可達500MA。高效率,低功耗10uA的。PW5100外圍簡潔,僅需要2個貼片電容,一個貼片電感(1uh-4.7uh)即可
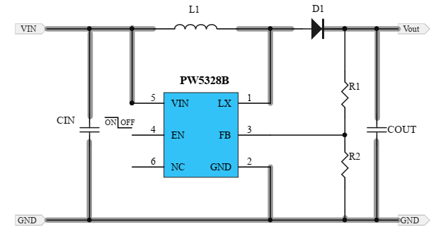
第2, PW5328B升壓芯片,輸出電流可達1A,異步升壓,帶肖特基二極管,輸入電壓范圍很寬2V-24V之間。


壹芯微科技針對二三極管,MOS管作出了良好的性能測試,應用各大領域,如果您有遇到什么需要幫助解決的,可以點擊右邊的工程師,或者點擊銷售經理給您精準的報價以及產品介紹
工廠地址:安徽省六安市金寨產業園區
深圳辦事處地址:深圳市福田區寶華大廈A1428
中山辦事處地址:中山市古鎮長安燈飾配件城C棟11卡
杭州辦事處:杭州市西湖區文三西路118號杭州電子商務大廈6層B座
電話:13534146615
企業QQ:2881579535

深圳市壹芯微科技有限公司 版權所有 | 備案號:粵ICP備2020121154號