來源:壹芯微 發布日期
2019-12-16 瀏覽:-常見經典電工電路圖與怎么看懂電子電路圖詳情
8個經典電工電路圖
電工電路圖(一)日光燈照明與兩控一燈一插座線路

里面包含②單相電表的接線,兩個⑨和一個⑩是一燈雙控的接線,⑤⑥⑦⑧為日光燈的接線。這個電路非常的實用,是家裝照明控制的經典案列。
電工電路圖(二)線繞式異步電動機控制線路

轉子繞組上串聯電阻來改變電機的機械特性,從而實現小電流啟動、增大啟動轉矩及調速的目的。利用了三個時間繼電器和三個接觸器相互配合,啟動時,串入多級電阻然后分段切除。電機的轉速會逐級提高,最后達到額定轉速穩定運行。
電工電路圖(三)三相四線電度表帶互感器電路圖

三相四線電表的接線要點:1、4、7接互感器的K1,3、6、9接互感器的K2并連一起做接地保護,2、5、8接UVW三相電源,11為零線。
電工電路圖(四)星/三角降壓起動控制線路

經典的星三角降壓啟動,雖然比不上軟啟動,但是應用還是很廣的。一個主接觸器,一個星接觸器,一個角接觸器。通過時間繼電器,實現自動轉換的目的。
電工電路圖(五)雙重聯鎖正、反轉控制線路

電機的正反轉電路相來應用廣泛,雙重互鎖提高了電路的安全性。2個接觸器組成的電氣互鎖和2個啟動按鈕組成的機械互鎖。
電工電路圖(六)電動機單向兩地控制線路

異地控制相對來說非常簡單,要點就是:啟動按鈕并聯,停止按鈕串聯。
電工電路圖(七)電動機點動、連動控制

這個是基礎電路,SB2按下去KM吸合自鎖,SB3是點動按鈕。
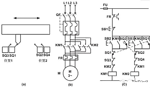
電工電路圖(八)自動往返控制電路

自動往返電路和雙重互鎖電路其實是類似的,限位開關的觸點和按鈕開關的觸點類似。所以兩個行程開關機械互鎖加兩個接觸器電氣互鎖。
如何看懂電子電路圖
電子電路似乎比電氣控制電路要復雜點,但是一樣差不多的道理。
一張完整的電路圖是由若干要素構成的,這些要素主要包括圖形符號、文字符號、連線以及注釋性字符等。下面我們通過圖1所示無線話筒電路圖的例子,作進一步的說明。
1、圖形符號
圖形符號是構成電路圖的主體。圖1為無線話筒電路圖中,各種圖形符號代表了組成無線話筒的各個元器件。例如小長方形表示電阻器,兩道短杠表示電容器,連續的半圓形表示電感器等。各個元器件圖形符號之間用連線連接起來,就可以反映出無線話筒的電路結構,即構成了無線話筒的電路圖。

2、文字符號
文字符號是構成電路圖的重要組成部分。為了進一步強調圖形符號的性質,同時也為了分析、理解和闡述電路圖的方便,在各個元器件的圖形符號旁,標注有該元器件的文字符號。例如“R”表示電阻器,“C”表示電容器,“L”表示電感器,“VT”表示晶體管,“IC”表示集成電路等。
3、注釋性字符
注釋性字符也是構成電路圖的重要組成部分,用來說明元器件的數值大小或者具體型號。例如圖 1 中,通過注釋性字符我們即可知道,電阻器R1的數值為 3.3kΩ,電容器C1 的數值為 10μF,晶體管VT的型號為9014,集成電路IC的型號為 μ PCl651等。
電路圖的畫法規則
除了規定統一的圖形符號和文字符號外,電路圖還遵循一定的畫法規則。了解并掌握電路圖的一般畫法規則,對于看懂電路圖是必不可少的。
1、電路圖的信號處理流程方向
電路圖中信號處理流程的方向一般為從左到右,即將先后對信號進行處理的各個單元電路,按照從左到右的方向排列,這是最常見的排列形式。例如圖1所示無線話筒電路圖,從左到右依次為話音信號接收 (BM)、音頻放大 (VT)、高頻振蕩與調制 (IC)等單元電路。
2、連接導線
元器件之間的連接導線在電路圖中用實線表示。導線的連接與交叉如圖2所示,圖2(a)橫豎兩導線交點處畫有一圓點,表示兩導線連接在一起。圖2(b)兩導線交點處無圓點,表示兩導線交叉而不連接。導線的丁字形連接如圖2(c)所示。

壹芯微科技針對二三極管,MOS管作出了良好的性能測試,應用各大領域,如果您有遇到什么需要幫助解決的,可以點擊右邊的工程師,或者點擊銷售經理給您精準的報價以及產品介紹
工廠地址:安徽省六安市金寨產業園區
深圳辦事處地址:深圳市福田區寶華大廈A1428
中山辦事處地址:中山市古鎮長安燈飾配件城C棟11卡
杭州辦事處:杭州市西湖區文三西路118號杭州電子商務大廈6層B座
電話:13534146615
企業QQ:2881579535

深圳市壹芯微科技有限公司 版權所有 | 備案號:粵ICP備2020121154號