來源:壹芯微 發布日期
2019-06-20 瀏覽:-壹芯微作為國內專業生產二三極管的生產廠家,生產技術已經是非常的成熟,進口的測試儀器,可以很好的幫組到客戶朋友穩定好品質,也有專業的工程師在把控穩定質量,協助客戶朋友解決一直客戶自身解決不了的問題,每天會分享一些知識或者客戶的一些問題,今天我們分享的是,場效應管放大和恒流電路的識圖方法與工作原理,請看下方
場效應管放大電路的結構及功能特點,能夠正確分析和識讀放大電路中各種關鍵元器件的作用以及信號經過放大電路后的輸出狀態,并且可以靈活運用到實際電子產品電路中,能夠正確分析其功能及作用范圍。
場效應管放大電路的基本結構
場效應管與晶體管一樣,也具有放大作用,但與普通晶體管是電流控制型器件相反,場效應管是電壓控制型器件。它具有輸入阻抗高、噪聲低的特點。
場效應管的3個電極,即柵極、源極和漏極分別相當于晶體管的基極、發射極和集電極。圖5-21所示是場效應管的3種組態電路,即共源極、共漏極和共柵極放大器。圖5-21(a)所示是共源極放大器,它相當于晶體管共發射極放大器,是一種最常用的電路。圖5-21(b)所示是共漏極放大器,相當于晶體管共集電極放大器,輸入信號從漏極與柵極之間輸入,輸出信號從源極與漏極之間輸出,這種電路又稱為源極輸出器或源極跟隨器。圖5-21(c)所示是共柵極放大器,它相當于晶體管共基極放大器,輸入信號從柵極與源極之間輸入,輸出信號從漏極與柵極之間輸出,這種放大器的高頻特性比較好。

絕緣柵型場效應管的輸入電阻很高,如果在柵極上感應了電荷,很不容易泄放,極易將PN結擊穿而造成損壞。為了避免發生PN結擊穿損壞,存放時應將場效應管的3個極短接;不要將它放在靜電場很強的地方,必要時可放在屏蔽盒內。焊接時,為了避免電烙鐵帶有感應電荷,應將電烙鐵從電源上拔下。焊進電路板后,不能讓柵極懸空。
1.場效應管放大電路的偏置方法
(1)固定式偏置電路
在場效應管放大器中,有時需要外加柵極直流偏置電源,這種方式被稱為固定式偏置電路,如圖5-22所示。

C1和C2分別是輸入端耦合電容和輸出端耦合電容。+UCC通過漏極負載電阻R2加到VT的漏極,VT的源極接地。-UCC是柵極專用偏置直流電源,為負極性電源,它通過柵極偏置電阻R1加到VT1的柵極,使柵極電壓低于源極電壓,這樣就建立了VT的正常偏置電壓。
在電路中,輸入信號Ui經C1耦合至場效應管VT的柵極,與原來的柵極負偏壓疊加。場效應管受到柵極的作用,其漏極電流I2相應變化,并在負載電阻R2上產生壓降,經C2隔離直流后輸出,在輸出端即得到放大了的信號電壓Uo。I2與Ui同相,Uo與Ui反相。
這種偏置電路的優點是VT的工作點可以任意選擇,不受其他因素的制約,也充分利用了漏極直流電源+UCC,所以可以用于低壓供電放大器。其缺點是需要兩個直流電源。
(2)自給偏壓共源極放大電路
圖5-23所示是典型的自給偏壓共源極放大電路。圖中C1和C2分別是輸入、輸出耦合電容,起通交流、隔直流的作用;+UCC為漏極直流電壓源,為放大電路提供能源;RD是漏極電阻,它能把漏極電流的變化轉變為電壓的變化,以便輸出信號電壓;RS是源極電阻,其作用是產生一個源極到地的電壓降,以提供源極偏壓,建立靜態偏置,同時具有電流負反饋的作用;CS是源極旁路電容,給源極交流信號提供一條通路,以免交流信號在RS上產生負反饋。
由于場效應管在漏極電流較大時,具有溫度上升、漏極電流就減小的特點,因而熱穩定性好,故源極僅需設置自偏壓電路就十分穩定了。
“自給偏壓”指的是由場效應管自身的電流產生偏置電壓。N溝道結型場效應管正常工作時,柵極、源極之間需要加一個負偏置電壓,這一點與晶體管的發射結需要正偏置電壓是相反的。為了使柵極、源極之間獲得所需負偏壓,設置了自生偏壓電阻RS。當源極電流流過RS時,將會在RS兩端產生上正下負的電壓降US。由于柵極通過RG接地,所以柵極為零電位。這樣,RS產生的US就能使柵極、源極之間獲得所需的負偏壓UGS,這就是自給偏壓共源極放大電路的工作原理。
(3)分壓式自偏壓電路
圖5-24所示為分壓式自偏壓電路,又稱柵極接正電位偏置電路。它是在自給偏壓共源極放大電路的基礎上,加上分壓電阻Rf1和Rf2構成的。

圖中,電源+UDD、輸入耦合電容C1、輸出耦合電容C2、漏極電阻RD、源極電阻RS、源極旁路電容CS的作用均與自給偏壓共源極放大電路相同。Rf1和Rf2是分壓偏置電阻,Rf1與Rf2的接點通過大電阻RG與場效應管的柵極相連。由于柵極絕緣無電流,所以Rf1與Rf2的分壓點A與場效應管的柵極同電位。由于該電路既有“分壓偏置”又有“自給偏置”,所以又稱為組合偏置電路。這種偏置電路既可用于耗盡型場效應管,也可用于增強型場效應管。
2.場效應管放大電路的工作原理
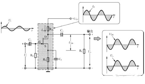
(1)源極接地放大器
源極接地放大器是場效應管放大器最重要的電路形式,其工作原理如圖5-25所示。圖中,交流輸入電壓Ui在1/4周期內處于增大的趨勢,因此在這段時間內漏極電流ID增大。ID的增大使負載上的壓降增大,UDS就下降;當Ui在2/4周期內時,處于減小狀態,UGS增大,ID則減小,而ID的減小使負載上的壓降減小,UDS就上升。以此類推,其輸入與輸出信號的波形如圖中所示。Ui和ID的相位相同,與輸出信號電壓UDS的相位相反。

(2)柵極接地放大器
柵極接地放大器適用于高頻寬帶放大器,其基本連接方式如圖5-26所示。
(3)漏極接地放大器
漏極接地放大器也稱為源極跟隨器或源極輸出器,相當于雙極型晶體管的集電極接地電路。圖5-27為其基本連接圖。源極跟隨器最主要的特點是輸出阻抗低。

由于場效應管的輸入阻抗非常高,也就是輸入電流極小,它常用于收音機電路中作為微弱信號的放大器。
① 源極接地放大器與射極跟隨器(共集電極晶體管放大器)的組合。
如圖5-28所示,VT1為源極接地場效應管放大器,VT2為共集電極晶體管放大器。若電路中沒有設置VT2,而是將數千歐的負載RL直接作為VT1的負載,其電壓增益就相當小。通過源極接地放大器與低輸出阻抗的射極跟隨器進行組合,就可獲得較高的電壓增益,這是該電路的主要特征。
② 源極接地放大器與共發射極放大器的組合。
共發射極放大器的輸入阻抗在103Ω的范圍內,很難由場效應管直接驅動,但是,若通過一級射極跟隨器,將其作為圖5-25中的負載RL接在共發射極放大器之前,就很容易驅動了,如圖5-29所示。該電路在輸出級的前面加入了一級射極跟隨器,以獲得大電流增益,這是典型的低輸出阻抗實例。

③ 將源極接地放大器與共基極放大器組合成級聯式放大器。
圖5-30所示是將場效應管的低噪聲性與共基極放大器對高頻放大的適應性相結合而產生的級聯式放大器,常作為寬頻帶低噪聲的前置放大器。
4.場效應管恒流源電路

場效應管恒流源電路圖一
如圖,其中分壓電阻和穩壓管為場效應管的柵極提供一個固定的基準電壓。

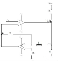
場效應管恒流源電路圖二
基于場效應管的恒流源電路原理圖如上圖所示,電流經過采樣電阻轉換為采樣電壓。采樣電壓經運放A2反向放大后作為反饋電壓VF送入運放A1的同相端,與基準電壓VR進行比較,對柵極電壓進行調整,從而對輸出電流進行調整,使整個閉環反饋系統處于動態平衡中,以達到穩定輸出電流的目的。如果輸出電流增大,則采樣電阻上的采樣電壓隨之增大,反饋電壓VF也增大,運放A1同相端電壓增大,而基準電壓不變,運放A1的輸出電壓為(VF-VR)K(K為運放A1的開環增益),因此運放A1的輸出電壓降低,柵極電壓下降從而使輸出電流下降,使輸出電流保持穩定。
場效應管屬于電壓控制元件,這一點類似于電子管的三極管,但它的構造與工作原理和電子管是截然不同的,與雙極型晶體管相比,場效應晶體管如下特點:
(1)場效應管是電壓控制器件,它通過UGS來控制ID;
(2)場效應管的輸入端電流極小,因此它的輸入電阻很大。
(3)它是利用多數載流子導電,因此它的溫度穩定性較好;
(4)它組成的放大電路的電壓放大系數要小于三極管組成放大電路的電壓放大系數;
(5)場效應管的抗輻射能力強;
(6)由于不存在雜亂運動的少子擴散引起的散粒噪聲,所以噪聲低。
壹芯微科技針對二三極管作出了良好的性能測試,應用各大領域,如果您有遇到什么需要幫助解決的,可以點擊右邊的工程師,或者點擊銷售經理給您精準的報價以及產品介紹
工廠地址:安徽省六安市金寨產業園區
深圳辦事處地址:深圳市福田區寶華大廈A1428
中山辦事處地址:中山市古鎮長安燈飾配件城C棟11卡
杭州辦事處:杭州市西湖區文三西路118號杭州電子商務大廈6層B座
電話:13534146615
企業QQ:2881579535

深圳市壹芯微科技有限公司 版權所有 | 備案號:粵ICP備2020121154號