來源:壹芯微 發布日期
2019-04-29 瀏覽:-壹芯微作為國內專業生產二三極管的生產廠家,生產技術已經是非常的成熟,進口的測試儀器,可以很好的幫組到客戶朋友穩定好品質,也有專業的工程師在把控穩定質量,協助客戶朋友解決一直客戶自身解決不了的問題,每天會分析一些知識或者客戶的一些問題,今天拿出來出來分享,大電流同步整流原理詳解,請看下方
大電流同步整流原理,同步整流是采用通態電阻極低的專用功率MOSFET,來取代整流二極管以降低整流損耗的一項新技術。它能大大提高DC/DC變換器的效率并且不存在由肖特基勢壘電壓而造成的死區電壓。功率MOSFET屬于電壓控制型器件,它在導通時的伏安特性呈線性關系。用功率MOSFET做整流器時,要求柵極電壓必須與被整流電壓的相位保持同步才能完成整流功能,故稱之為同步整流。
1、基本的變壓器抽頭方式雙端自激、隔離式降壓同步整流電路

2、單端自激、隔離式降壓同步整流電路

單端降壓同步整流器的基本原理圖
基本原理如上圖所示,V1及V2為功率MOSFET,在次級電壓的正半周,V1導通,V2關斷,V1起整流作用;在次級電壓的負半周,V1關斷,V2導通,V2起到續流作用。同步整流電路的功率損耗主要包括V1及V2的導通損耗及柵極驅動損耗。當開關頻率低于1MHz時,導通損耗占主導地位;開關頻率高于1MHz時,以柵極驅動損耗為主。
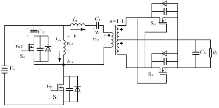
3、半橋他激、倍流式同步整流電路

單端降壓式同步整流器的基本原理圖
該電路的基本特點是:
1)變壓器副邊只需一個繞組,與中間抽頭結構相比較,它的副邊繞組數只有中間抽頭結構的一半,所以損耗在副邊的功率相對較小;
2)輸出有兩個濾波電感,兩個濾波電感上的電流相加后得到輸出負載電流,而這兩個電感上的電流紋波有相互抵消的作用,所以,最終得到了很小的輸出電流紋波;
3)流過每個濾波電感的平均電流只有輸出電流的一半,與中間抽頭結構相比較,在輸出濾波電感上的損耗明顯減小了;
4)較少的大電流同步整流原理連接線(high current inter-connection),在倍流整流拓撲中,它的副邊大電流連接線只有2路,而在中間抽頭的拓撲中有3路;
5)動態響應很好。
它唯一的缺點就是需要兩個輸出濾波電感,在體積上相對要大些。但是,有一種叫集成磁(integrated magnetic)的方法,可以將它的兩個輸出濾波電感和變壓器都集成到同一個磁芯內,這樣可以大大地減小變換器的體積。
大電流同步整流原理詳解
大電流同步整流原理如下:從同步整流原理圖中可以看出,整流管VT3和續流管VT2的驅動電壓從變壓器的副邊繞組取出,加在MOS管的柵G和漏D之間,如果在獨立的電路中MOS管這樣應用不能完全開通,損耗很大,但用在同步整流時是可行的簡化方案。
由于這兩個管子開關狀態互瑣,一個管子開,另一個管子關,所以我們只簡要分析電感電流連續時的開通情況,我們知道MOS管具有體內寄生的反并聯二極管,這樣電感電流連續應用時,MOS管在真正開通之前并聯的二極管已經開通,把源S和漏D相對柵的電平保持一致,加在GD之間的電壓等同于加在GS之間的電壓。
這樣變壓器副邊繞組同銘端為正時,整流管VT3的柵漏電壓為正,整流管零壓開通,當變壓器副邊繞組為負時,續流管VT2開通,濾波電感續流。
柵極電壓必須與被整流電壓的相位保持同步才能完成整流功能,故稱之為同步整流。

應用同步整流技術原因
講完大電流同步整流原理。下面來講講為什么要應用同步整流技術。電子技術的發展,使得電路的工作電壓越來越低、電流越來越大。低電壓工作有利于降低電路的整體功率消耗,但也給電源設計提出了新的難題。
開關電源的損耗主要由3部分組成:功率開關管的損耗,高頻變壓器的損耗,輸出端整流管的損耗。在低電壓、大電流輸出的情況下,整流二極管的導通壓降較高,輸出端整流管的損耗尤為突出。快恢復二極管(FRD)或超快恢復二極管(SRD)可達1.0~1.2V,即使采用低壓降的肖特基二極管(SBD),也會產生大約0.6V的壓降,這就導致整流損耗增大,電源效率降低。

舉例說明,筆記本電腦普遍采用3.3V甚至1.8V或1.5V的供電電壓,所消耗的電流可達20A。此時超快恢復二極管的整流損耗已接近甚至超過電源輸出功率的50%。即使采用肖特基二極管,整流管上的損耗也會達到(18%~40%)PO,占電源總損耗的60%以上。因此,傳統的二極管整流電路已無法滿足實現低電壓、大電流開關電源高效率及小體積的需要,成為制約DC/DC變換器提高效率的瓶頸。
壹芯微科技針對二三極管作出了良好的性能測試,應用各大領域,如果您有遇到什么需要幫助解決的,可以點擊右邊的工程師,或者點擊銷售經理給您精準的報價以及產品介紹
工廠地址:安徽省六安市金寨產業園區
深圳辦事處地址:深圳市福田區寶華大廈A1428
中山辦事處地址:中山市古鎮長安燈飾配件城C棟11卡
杭州辦事處:杭州市西湖區文三西路118號杭州電子商務大廈6層B座
電話:13534146615
企業QQ:2881579535

深圳市壹芯微科技有限公司 版權所有 | 備案號:粵ICP備2020121154號