來源:壹芯微 發布日期
2019-11-02 瀏覽:-晶體管圖示儀器是用來測量晶體管輸入、輸出特性曲線的儀器。在實驗、教學和工程中通過使用圖示儀,可以獲得晶體管的實際特性,能更好的發揮晶體管的作用。這款簡易晶體管圖示儀制作簡單、價格低廉、使用方便,可以滿足對于數值精度要求不高的場合。
與普通示波器配合使用,即可測量小功率NPN、P:NP管的輸入、輸出特性曲線。另外本設計還擴展了晶體管極性判別,晶體管放大倍數測量、顯示和語音播報功能。
一、系統原理
下圖為系統框圖。晶體管的輸出特性是指在一定的基極電流Ib時,晶體管集電極與發射極之間的電壓Uce同集電極電流IC之間的關系。每個lb對應一條輸出特性曲線。將多個lb對應的曲線同時顯示在示波器上,就可以得到一簇輸出特性曲線。
晶體管的輸入特性是指在一定的Uce下,晶體管基極與發射極之間的電壓Uhe同基極電流Ib之間的關系。每個Uce對應一條輸入特性曲線。將多個Uce對應的曲線同時顯示在示波器上,就可以得到一簇輸入特性曲線。
因此,一個簡易晶體管圖示儀主要由以下三部分組成,即:基極電流產生電路、集電極掃描電壓產生電路和放大倍數測量顯示電路,如下圖所示。當顯示晶體管的輸出特性時,基極階梯電流產生電路是由單片機控制DAC2直接產生基極階梯電流;集電極掃描電壓產生電路由單片機控制DAC1產生從零開始增大的電壓,再經電壓放大電路放大以產生所需的掃描電壓。當顯示晶體管的輸入特性時,由單片機控制DAC2直接產:生基極鋸齒電流;并由單片機控制DAC1、DAC2產生所需的階梯電壓和鋸齒波信號再經電壓放大電路放大以產生所需的掃描電壓。并通過凌陽SPCE061A單片機上的按鍵,完成上述兩模式轉換。放大倍數測量顯示電路由單片機、數碼管和儀表放大電路組成。單片機接收處理采樣電壓,多次采樣取平均、得到放大倍數,再經單片機BCD譯碼送至外接數碼管顯示。
在電路實現中,本設計同時考慮了提高精確度、精簡電路以及低成本等多種因素,做出了多方面的創新與改進。

二、硬件設計
凌陽SPCE061A單片機功能較強、兼容性好、性價比高,具有體積小、集成度高、易擴展、可靠性高、功耗小以及具有較商的數據處理和運算能力,系統最高時鐘頻率可達49MHz,運行速度快。由于單片機內部集成了A/D、D/A轉換器,故不需外加A/D、D/A器件。通過采樣取樣,結合內部A/D、D/A,構成閉環反饋調整控制,簡化r硬件電路,提高了測量精度,同時也能利用軟件對測量誤差進行補償,這給調試、維護和功能的擴展、性能的提高,帶來了極大的方便。利用凌陽SPCE061A單片機強大的語音播報功能,只要運用簡單的凌陽自帶音頻壓縮文件與庫文件,就能播報晶體管放大倍數。
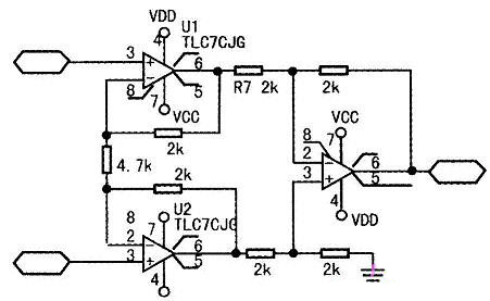
1.儀表放大器
出于提高精確度的考慮,采集電路用三運放組成儀表放大器。如下圖所示。利用該電路求出集電極電阻和基極電阻上電壓,該電壓與電流成正比、故得到電流信號。儀表放大器具有精度高、功耗低、共模抑制比高、工作頻帶寬和輸入阻抗大等優點,可以較精確地測得Ic和Ib。再將Uce、Ic傳送至示波器得到輸出特性曲線.Ube、lb傳送至示波器得到輸人特性曲線。

2.極性判別電路
晶體管類型判別電路利用同相比較器。如下圖所示。由于NPN型和PNP型晶體管的電流流向相反,根據理論并反復測量得到,當兩種晶體管按圖中電路結構且連接方式相同時(即集電極接上端,發射極接下端),若晶體管為NPN型時,射極電壓最大約為1V,而PNP型時射極電壓最小約為6V。據此將設定合適門限電壓,接入反相輸入端。當晶體管為NPN型時,射極電壓一直小于門限電壓,因此發光二極管不亮;當晶體管為PNP型時,射極電壓超過門限電壓,輸出高電平,發光二極管亮,即可判別晶體管類型。

3.顯示電路
對顯示電路,本設計放棄了復雜的多個數碼管譯碼器7448驅動數碼管顯示的傳統電路,利用軟件編程完成譯碼過程,通過10口直接驅動數碼管顯示。
4。制版與焊接
為了更好的實現本設計,設計印刷電路板時,應注意敷銅線要盡可能短、并避免相互平行以減少寄生電容。敷銅線的拐彎處應為圓角或斜角。敷銅線寬度與相鄰敷銅線之間的間距最好不要低于0.3mm。敷銅線的公共地線應該盡可能放在電路板的邊緣部分。在電路板上應該盡可能多地保留銅箔做地線,這樣可以使屏蔽能力增強。模擬電路與數字電路單點接地以消除干擾。
另外對數字電路的PCB可用寬的地導線組成一個環路或網格——即構成一個地網來使用,而模擬電路的地線則不能這樣排布。
印刷電路板完成后,按照尺寸由小到大焊接元件,次序:電阻,電容,二極管,三極管,其他元件等。集成電路安全焊接順序為:地端→輸出端→電源端→輸入端。
焊接時間在保證焊接質量的前提下盡可能短,每個焊點最好用3s,以免損壞器件。隨時去烙鐵頭雜質,避免使用過多的焊劑。焊接結束后,需要檢查有無漏焊、虛焊現象。檢查時,可用鑷子將每個元件輕輕提一提,看是否動搖。
三、軟件設計
總的工程程序包括初始化程序、DAC同步輸出一路鋸齒波和一路階梯波程序、I/O定時采樣進行AD轉換程序以及語音播報程序。其中,通過按鍵選擇輸出特性模式(DAC2產生階梯電流,DAC1產生鋸齒電壓)與輸入特性模式(DAC2產生鋸齒電流,DAC1產生階梯電壓)。總流程圖如下圖所示。

經檢測,本圖示儀運行穩定、可靠,采集數據比較準確,能正確判斷晶體管極性并配有語音播報,取得了令人滿意的效果。放大倍數測試數據如下表所示。輸出特性曲線如下圖所示。
下表放大倍數測試數據(采用DT9806型四位半數字萬用表)

壹芯微科技針對二三極管,MOS管作出了良好的性能測試,應用各大領域,如果您有遇到什么需要幫助解決的,可以點擊右邊的工程師,或者點擊銷售經理給您精準的報價以及產品介紹
工廠地址:安徽省六安市金寨產業園區
深圳辦事處地址:深圳市福田區寶華大廈A1428
中山辦事處地址:中山市古鎮長安燈飾配件城C棟11卡
杭州辦事處:杭州市西湖區文三西路118號杭州電子商務大廈6層B座
電話:13534146615
企業QQ:2881579535

深圳市壹芯微科技有限公司 版權所有 | 備案號:粵ICP備2020121154號