來源:壹芯微 發布日期
2020-01-14 瀏覽:-電力晶體管基礎知識圖解
電力晶體管,是一種耐高電壓、大電流的雙極結型晶體管,所以有時也稱為Power BJT;但其驅動電路復雜,驅動功率大;GTR和普通雙極結型晶體管的工作原理是一樣的。
GTR是一種電流控制的雙極雙結大功率、高反壓電力電子器件,具有自關斷能力,產生于上個世紀70年代,其額定值已達1800V/800A/2kHz、1400v/600A/5kHz、600V/3A/100kHz。它既具備晶體管飽和壓降低、開關時間短和安全工作區寬等固有特性,又增大了功率容量,因此,由它所組成的電路靈活、成熟、開關損耗小、開關時間短,在電源、電機控制、通用逆變器等中等容量、中等頻率的電路中應用廣泛。GTR的缺點是驅動電流較大、耐浪涌電流能力差、易受二次擊穿而損壞。在開關電源和UPS內,GTR正逐步被功率MOSFET和IGBT所代替。它的符號如圖1,和普通的NPN晶體管一樣。

電力晶體管的結構
電力晶體管(Giant Transistor)簡稱GTR又稱BJT(Bipolar Junction Transistor),GTR和BJT這兩個名稱是等效的,結構和工作原理都和小功率晶體管非常相似。GTR由三層半導體、兩個PN結組成。和小功率三極管一樣,有PNP和NPN兩種類型,GTR通常多用NPN結構。
電力晶體管工作原理
在電力電子技術中,GTR主要工作在開關狀態。GTR通常工作在正偏(Ib>0)時大電流導通;反偏(Ib<0=時處于截止狀態。因此,給GTR的基極施加幅度足夠大的脈沖驅動信號,它將工作于導通和截止的開關狀態。
電力晶體管特點
l 輸出電壓
可以采用脈寬調制方式,故輸出電壓為幅值等于直流電壓的強脈沖序列。
2 載波頻率
由于電力晶體管的開通和關斷時間較長,故允許的載波頻率較低,大部分變頻器的上限載波頻率約為1.2~1.5kHz左右。
3 電流波形
因為載波頻率較低,故電流的高次諧波成分較大。這些高次諧波電流將在硅鋼片中形成渦流,并使硅鋼片相互間因產生電磁力而振動,并產生噪音。又因為載波頻率處于人耳對聲音較為敏感的區域,故電動機的電磁噪音較強。
4 輸出轉矩
因為電流中高次諧波的成分較大,故在50Hz時,電動機軸上的輸出轉矩與工頻運行時相比,略有減小。
電力晶體管的基本特性
(1)靜態特性
共發射極接法時可分為三個工作區:
① 截止區。在截止區內,iB≤0,uBE≤0,uBC<0,集電極只有漏電流流過。
② 放大區。iB >0,uBE>0,uBC<0,iC =βiB。
③ 飽和區。iB >Ics/β,uBE>0,uBC>0,iCS是集電極飽和電流,其值由外電路決定。
結論:兩個PN結都為正向偏置是飽和的特征。飽和時,集電極、發射極間的管壓降uCE很小,相當于開關接通,這時盡管電流很大,但損耗并不大。GTR剛進入飽和時為臨界飽和,如iB繼續增加,則為過飽和,用作開關時,應工作在深度飽和狀態,這有利于降低uCE和減小導通時的損耗。
(2)動態特性

圖4-9 GTR開關特性
GTR在關斷時漏電流很小,導通時飽和壓降很小。因此,GTR在導通和關斷狀態下損耗都很小,但在關斷和導通的轉換過程中,電流和電壓都較大,所以開關過程中損耗也較大。當開關頻率較高時,開關損耗是總損耗的主要部分。因此,縮短開通和關斷時間對降低損耗、提高效率和提高運行可靠性很有意義。
電力晶體管的主要參數
(1)最高工作電壓
(2)集電極最大允許電流ICM
(3)集電極最大允許耗散功率PCM
(4)最高工作結溫TJM
二次擊穿和安全工作區
(1)二次擊穿
二次擊穿是影響GTR安全可靠工作的一個重要因素。當GTR的集電極電壓升高至擊穿電壓時,集電極電流迅速增大,這種首先出現的擊穿是雪崩擊穿,被稱為一次擊穿。出現一次擊穿后,只要Ic不超過與最大運行耗散功率相對應的限度,GTR一般不會損壞,工作特性也不會有什么變化。但是實際應用中常常發現一次擊穿發生時如不有效地限制電流,Ic增大到某個臨界點時會突然急劇上升,同時伴隨著電壓的突然下降,這種現象稱為二次擊穿。防止二次擊穿的辦法是:①應使實際使用的工作電壓比反向擊穿電壓低得多。②必須有電壓電流緩沖保護措施。
(2)安全工作區
以直流極限參數ICM、PCM、UCEM構成的工作區為一次擊穿工作區,以USB (二次擊穿電壓)與ISB (二次擊穿電流)組成的PSB (二次擊穿功率)是一個不等功率曲線。為了防止二次擊穿,要選用足夠大功率的GTR,實際使用的最高電壓通常比GTR的極限電壓低很多。

圖4-10 GTR安全工作區

圖4-11 GTR基極驅動電流波形
驅動與保護
1.GTR基極驅動電路
(1)對基極驅動電路的要求
①實現主電路與控制電路間的電隔離。
②導通時,基極正向驅動電流應有足夠陡的前沿,并有一定幅度的強制電流,以加速開通過程,減小開通損耗。
③GTR導通期,基極電流都應使GTR處在臨界飽和狀態,這樣既可降低導通飽和壓降,又可縮短關斷時間。
④在使GTR關斷時,應向基極提供足夠大的反向基極電流,以加快關斷速度,減小關斷損耗。
⑤應有較強的抗干擾能力,并有一定的保護功能。
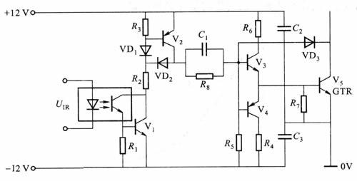
(2)基極驅動電路

圖4-12 實用的GTR驅動電路
2.集成化驅動
集成化驅動電路克服了一般電路元件多、電路復雜、穩定性差和使用不便的缺點,還增加了保護功能。
3.GTR的保護電路
開關頻率較高,采用快熔保護是無效的。一般采用緩沖電路。主要有RC緩沖電路、充放電型R、C、VD緩沖電路和阻止放電型R、C、VD緩沖電路三種形式,如圖4-13所示。

圖4-13 GTR的緩沖電路
圖4-13a所示RC緩沖電路只適用于小容量的GTR(電流10 A以下)。圖4-13b所示充放電型R、C、VD緩沖電路用于大容量的GTR。圖4-13c所示阻止放電型R、C、VD緩沖電路,較常用于大容量GTR和高頻開關電路,其最大優點是緩沖產生的損耗小。
電力晶體管電路分析

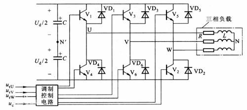
圖6-21所示為三相橋式PWM逆變電路,功率開關器件為GTR,負載為電感性。從電路結構上看,三相橋式PWM變頻電路只能選用雙極性控制方式,其工作原理如下:
三相調制信號urU、urV和urW為相位依次相差120°的正弦波,而三相載波信號是公用一個正負方向變化的三角形波uc,如圖6-23所示。U、V和W相自關斷開關器件的控制方法相同,現以U相為例:在urU>uc的各區間,給上橋臂電力晶體管V1以導通驅動信號,而給下橋臂V4以關斷信號,于是U相輸出電壓相對直流電源Ud中性點N‘為uUN' =Ud/2。在urU<uc的各區間,給V1以關斷信號,V4為導通信號,輸出電壓uUN' =-Ud/2。電路中VD1~VD6二極管是為電感性負載換流過程提供續流回路,其它兩相的控制原理與U相相同。三相橋式PWM變頻電路的三相輸出的PWM波形分別為uUN’、uVN‘和uWN’。
壹芯微科技針對二三極管,MOS管作出了良好的性能測試,應用各大領域,如果您有遇到什么需要幫助解決的,可以點擊右邊的工程師,或者點擊銷售經理給您精準的報價以及產品介紹
工廠地址:安徽省六安市金寨產業園區
深圳辦事處地址:深圳市福田區寶華大廈A1428
中山辦事處地址:中山市古鎮長安燈飾配件城C棟11卡
杭州辦事處:杭州市西湖區文三西路118號杭州電子商務大廈6層B座
電話:13534146615
企業QQ:2881579535

深圳市壹芯微科技有限公司 版權所有 | 備案號:粵ICP備2020121154號