來源:壹芯微 發布日期
2020-08-20 瀏覽:-電容與電感能模擬電阻嗎
可以。
電容器和電感器(線圈)本身不是理想的,所以可以在諧振頻率上得到純的電阻。并且因為電路理論就是麥克斯韋方程組的近似,因而元件實際上會發射電磁波,損失的能量可以等效為電阻的消耗。
如果題主想要理想的電抗來模擬電阻,也是可以的。
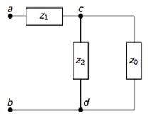
考慮下圖中的電路:

從左端看進去的等效阻抗設為Z0,那么在左端和后面一樣再并聯一個電容和串聯一個電阻看進去的等效阻抗也是Z0,因為我們的網絡是無窮的。
畫出其等效電路圖:

可以得到方程:Z0 = Z1 + Z2*Z0 / (Z2+Z0),解出Z0:

我們可以把前面串聯的Z1分成兩半,前面的一半去掉,那么剩下的等效阻抗Z0" = sqrt(L/C - w^2L^2 / 4)。
可以看出來,如果w^2 < 4/(LC),Z0"就是一個純電阻。
這可能就是電磁輻射的電路模型。
壹芯微科技針對二三極管,MOS管作出了良好的性能測試,應用各大領域,如果您有遇到什么需要幫助解決的,可以點擊右邊的工程師,或者點擊銷售經理給您精準的報價以及產品介紹
工廠地址:安徽省六安市金寨產業園區
深圳辦事處地址:深圳市福田區寶華大廈A1428
中山辦事處地址:中山市古鎮長安燈飾配件城C棟11卡
杭州辦事處:杭州市西湖區文三西路118號杭州電子商務大廈6層B座
電話:13534146615
企業QQ:2881579535

深圳市壹芯微科技有限公司 版權所有 | 備案號:粵ICP備2020121154號