來源:壹芯微 發布日期
2021-04-19 瀏覽:-電子管+場效應管功放制作原理解析
凡是玩過電子管功放的發燒友都知道真空管功放音色溫暖、圓潤、細膩迷人,富有空氣感。但這些并非舉手可得,繁瑣的輸入輸出變壓器;電源變壓器的繞制;真空管的配對;陽極電壓和柵負壓的調整......著實令人頭痛。
本文介紹一款電子管+場效管功放電路,自制的膽石混合功放。
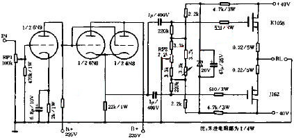
如圖所示,該電路前級電壓放大采用了三只雙三極管真空管,一只6N9、二只6N8、其參數及代換型號如表所示,末級采用了甲類無大環負反饋0DB功放,失真極小,解析



壹芯微科技針對二三極管,MOS管作出了良好的性能測試,應用各大領域,如果您有遇到什么需要幫助解決的,可以點擊右邊的工程師,或者點擊銷售經理給您精準的報價以及產品介紹
工廠地址:安徽省六安市金寨產業園區
深圳辦事處地址:深圳市福田區寶華大廈A1428
中山辦事處地址:中山市古鎮長安燈飾配件城C棟11卡
杭州辦事處:杭州市西湖區文三西路118號杭州電子商務大廈6層B座
電話:13534146615
企業QQ:2881579535

深圳市壹芯微科技有限公司 版權所有 | 備案號:粵ICP備2020121154號