來源:壹芯微 發布日期
2019-03-14 瀏覽:-壹芯微作為國內專業生產二極管的生產廠家,生產技術已經是非常的成熟,進口的測試儀器,可以很好的幫組到客戶朋友穩定好品質,也有專業的工程師在把控穩定質量,協助客戶朋友解決一直客戶自身解決不了的問題,每天會分析一些知識或者客戶的一些問題,來出來分享,今天我們分享的是,二極管正向恢復效應的信息,請看下方
二極管是一種具有兩個電極的器件,只允許電流由單一方向流過,許多的使用是應用其整流的功能。大部分二極管所具備的電流方向性我們通常稱之為“整流”功能。二極管最普遍的功能就是只允許電流由單一方向通過(稱為順向偏壓),反向時阻斷 (稱為逆向偏壓)。因此,二極管可以想成電子版的逆止閥。
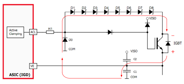
二極管的正向性。外加正向電壓時,在正向特性的起始部分,正向電壓很小,不足以克服PN結內電場的阻擋作用,正向電流幾乎為零,這一段稱為死區。這個不能使二極管導通的正向電壓稱為死區電壓。當正向電壓大于死區電壓以后,PN結內電場被克服,二極管正向導通,電流隨電壓增大而迅速上升。在正常使用的電流范圍內,導通時二極管的端電壓幾乎維持不變,這個電壓稱為二極管的正向電壓。正向恢復發生在二極管開通的時刻,如下圖示,在下管IGBT關斷的瞬間,驅動器電流就要轉移到上管的續流二極管,在這瞬間一瞬間,上管的二極管發生正向恢復過程。如右圖紅圈所示的時刻。

根據二極管正向恢復效應,在二極管開通瞬間,二極管的陽極的電位會比陰極高很多,并持續幾百納秒。在此過程中,會產生如圖所示的電流,圖中紅線所示路徑為一個阻抗很低的路徑,因此可以產生較大的電流。

壹芯微科技針對二極管作出了良好的性能測試,應用各大領域,如果您有遇到什么需要幫助解決的,可以點擊右邊的工程師,或者點擊銷售經理給您精準的報價以及產品介紹
工廠地址:安徽省六安市金寨產業園區
深圳辦事處地址:深圳市福田區寶華大廈A1428
中山辦事處地址:中山市古鎮長安燈飾配件城C棟11卡
杭州辦事處:杭州市西湖區文三西路118號杭州電子商務大廈6層B座
電話:13534146615
企業QQ:2881579535

深圳市壹芯微科技有限公司 版權所有 | 備案號:粵ICP備2020121154號