來源:壹芯微 發布日期
2019-03-01 瀏覽:-壹芯微作為國內專業生產快恢復二極管的生產廠家,生產技術已經是非常的成熟,進口的測試儀器,可以很好的幫組到客戶朋友穩定好品質,也有專業的工程師在把控穩定質量,協助客戶朋友解決一直客戶自身解決不了的問題,每天會分析一些知識或者客戶的一些問題,來出來分享,今天我們分享的是,IGBT中的快恢復二極管技術應用詳解,請看下方
快恢復二極管多用于高頻場合,常與可控功率半導體器件結合使用,反向恢復時間trr是指二極管從導通狀態恢復到具有阻斷能力時所需要的時間。由于載流子的存在,移除這些載流子使二極管開始具有阻斷能力需要一定的時間。在高達數百安培工作電流情況下??旎謴投O管反向恢復時間只需要幾個微秒。
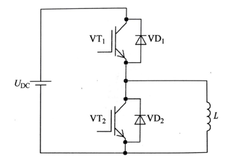
快恢復二極管另一個特別的特性是軟關斷,也稱為軟恢復。下面給出了各種不同的二極管類型的內部設計實現方法。在電路拓撲中,二極管的關斷特性依賴于IGBT的開關特性(如圖1所示的半橋結構,VD1和VD2分別受到VT2和VT1的影響)。由于二極管只有復合全部載流子后,才能夠重新具有全電壓阻斷能力,因此,快速開關IGBT會導致其對應的二極管產生明顯的電流梯度di/dt和反向恢復電流。這樣,二極管會產生不可忽略的瞬時反向過電流。

另一種方法是通過調整軸向載流子壽命以獲得期望的開關特性。這樣,復合中心需要植入到PN結內。這類二極管被稱作軸向壽命控制技術(CAL)二極管。

壹芯微科技針對快恢復二極管作出了良好的性能測試,應用各大領域,如果您有遇到什么需要幫助解決的,可以點擊右邊的工程師,或者點擊銷售經理給您精準的報價以及產品介紹
工廠地址:安徽省六安市金寨產業園區
深圳辦事處地址:深圳市福田區寶華大廈A1428
中山辦事處地址:中山市古鎮長安燈飾配件城C棟11卡
杭州辦事處:杭州市西湖區文三西路118號杭州電子商務大廈6層B座
電話:13534146615
企業QQ:2881579535

深圳市壹芯微科技有限公司 版權所有 | 備案號:粵ICP備2020121154號