來源:壹芯微 發布日期
2020-01-17 瀏覽:-繼電器結構到原理的解析
繼電器是一種利用小電流控制大電流的電動開關。車輛的發動機、車身等電子控制系統中都大量使用了繼電器,是汽車使用最多的電子元器件之一。以下將分別介紹繼電器的結構、原理、應用以及檢查方法。
繼電器的結構
繼電器有兩個主要部分:一個是線圈;另一個是觸點。繼電器中的線圈起到控制作用;觸點的狀態取決于線圈是否產生磁場。當觸點閉合后,被控制的用電設備開始工作。
如下圖所示,85#和86#端子是線圈,屬于控制部分;87#和30#端子是觸點,屬于被控制部分(即輸出端)。

繼電器的工作原理
繼電器主要應用的是電磁效應。線圈供電后產生的磁場使觸點閉合,如下圖所示。

(1)四腳繼電器的工作原理
車輛繼電器多為四腳,工作原理如下圖所示。當開關閉合后電流從蓄電池正極經過繼電器的85#線圈端子從86#流回蓄電池的負極,線圈兩端就會產生磁場。線圈產生磁場后,就會吸引觸點的87#和30#端子,使繼電器的觸點閉合,從而實現小電流控制大電流。

(2)五腳繼電器的工作原理
五腳繼電器工作原理與四腳繼電器基本相同,只是在繼電器不工作的時候有一觸點一直處于常閉狀態。如下圖所示,當繼電器線圈85#和86#端子通電后,線圈吸引觸點從87a#端子運動到87#端子,使30#端子與87#端子接通,所以五腳繼電器也叫做樞紐繼電器,可以起到一個轉換的功能。

繼電器的應用
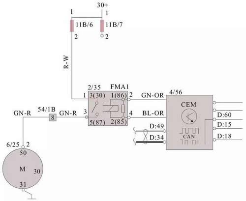
繼電器在汽車電路中的應用非常廣泛。如啟動系統電路、雨刮器電路、后窗加熱電路等。車輛啟動時需要大的啟動電流,如果使用點火開關直接控制大電流經過的點火開關,啟動觸點會出現觸點打火、燒蝕等現象,影響點火開關使用壽命甚至會造成線路燒蝕、起火等嚴重后果。使用繼電器以小電流控制大電流則不會出現以上問題。
如下圖所示的啟動系統電路中,CEM接收到點火開關模塊的啟動信號后,輸出12V電壓信號給啟動繼電器的2號端子,并控制啟動繼電器的4號端子搭鐵,啟動繼電器電磁線圈通電,繼電器吸合。蓄電池供電通過保險絲進入啟動繼電器的1號端子,在經過其3號端子流出供給起動機,起動機得到供電運轉帶動發動機啟動。

繼電器的檢查
對于繼電器的檢查不能只通過測量線圈的電阻值來判斷好壞,要通過多種方法來檢測繼電器的好壞。
① 通過萬用表的電阻擋測量控制部分線圈的電阻是否符合標準,如果不符合更換繼電器。
② 在不給繼電器通電的狀態下,用萬用表的電阻擋測量觸點(輸出端)是否導通,如果導通,說明繼電器損壞,更換繼電器。
③ 將繼電器接入電路中,使繼電器工作,此時用萬用表的電阻擋測量輸出端的電阻是否很小(接近0),如果測量發現電阻觸點電阻無窮大或者阻值超過標準值則說明繼電器出現故障需要更換。
壹芯微科技針對二三極管,MOS管作出了良好的性能測試,應用各大領域,如果您有遇到什么需要幫助解決的,可以點擊右邊的工程師,或者點擊銷售經理給您精準的報價以及產品介紹
工廠地址:安徽省六安市金寨產業園區
深圳辦事處地址:深圳市福田區寶華大廈A1428
中山辦事處地址:中山市古鎮長安燈飾配件城C棟11卡
杭州辦事處:杭州市西湖區文三西路118號杭州電子商務大廈6層B座
電話:13534146615
企業QQ:2881579535

深圳市壹芯微科技有限公司 版權所有 | 備案號:粵ICP備2020121154號