來源:壹芯微 發布日期
2019-10-30 瀏覽:-1.三極管
半導體三極管是一種具有電流放大作用的半導體器件,它是由兩個PN結組成的三層半導體器件。三層半導體可以排列成兩種不同的組合,分別稱為發射區、基區和集電區,從各區引出的電極分別稱為發射極(e)、集電極(c)和基極(b),發射區與基區之間的PN結稱為發射結,基區和集電區之間的PN結稱為集電結。三極管的種類很多,根據材料可分為鍺三極管和硅三極管;根據PN結類型分為PNP和NPN型三極管;根據頻率可分為高頻管和低頻管;根據功率可分為大功率、中功率和小功率管。見圖8。

三極管的基本功能是電流放大作用,要使三極管具有放大作用,必須滿足兩個條件;一是發射結正向偏置(硅三極管發射結正向偏置電壓UBE≈0.5~07V,鍺三極管發射結正向偏置電壓UBE≈0.1~0.3V);二是其集電結應處于反向偏置狀態。
在三極管處于放大狀態時,三個電極電流有如下關系:
(1)IE=IC+IB
(2)Ic比IB大得多,Ic/IB=β,其值近似為常數,稱為三極管電流放大系數。

三極管工作時可分為三種工作狀態是指三極管工作在截止區、放大區和飽和區三個區域的狀態,分別稱為:截止狀態、放大狀態和飽和狀態。三個工作狀態的特點及參數之間的關系如表2所示。
三極管是分立元件放大電路的核心元件,三極管在放大電路中有三種接法,又稱為三種組態,圖9是三極管在放大電路中的三種接法示意圖。

所謂共射接法是指由三極管組成的兩輸入輸出端口電路中,發射極是輸入輸出端口的公共極;共集接法是指集電極是輸入輸出端口的公共極;共基接法是指基極是輸入輸出端口的公共極。在由電阻、電容、三極管組成的實際電路中,共射、共集、共基是對交流信號而言的,因此要把實際電路中的電容和直流電源視為短路,找出輸入輸出端口的公共極。
在我們即將安裝的電路中,三極管1V1構成的放大電路是共集接法的放大電路;而1V2、1V3組成的放大電路是共射接法的放大電路。由于共集接法的放大電路的輸入電阻大、輸出電阻小,因此能有效地接收信號源的輸入信號,又有利于把輸出信號傳送給負載;而共集接法的放大電路的電壓放大倍數小于1而近似等于1,輸入、輸出信號相位一致,因此共集接法的放大電路又稱為電壓跟隨器或稱射極跟隨器,一般應用于多級放大電路的輸入級。共射放大電路具有很大的放大倍數,一般用作多級電壓放大電路的中間級或后級,以使放大電路具有足夠的電壓增益(電壓放大倍數)。
2.電壓跟隨器1V1

如圖10所示的電壓跟隨器。三極管1V1是電路的核心元件。1V1的型號是S9013H,通過查閱手冊知S9013H的主要參數如表3所示。我們在分析三極管放大電路時,可以將直流電源和交流信號的作用單獨分析,分別叫做放大電路的靜態分析和動態分析。
(1)靜態工作點的計算
在實際應用電路中,往往靜態工作點是可以調節的,這是為了滿足三極管
參數的離散性而設計的,通過其靜態工作點的調節,以使放大電路獲得最佳的工作性能(最大不失真狀態)。我們在進行電路分析時,VCC為13.5V,假設1RP1接入電路的阻值為300kΩ(假設),由于實際流入三極管基極的電流很小,忽略該電流對基極電位的影響,由此可以計算出:
三極管靜態計算:

(2)動態分析
電路中電容.1C2隔直通交,實現了信號的耦合而使直流電源不影響信號源的工作。在分析電路的動態時,由于流過三極管基極的電流和發射極電流不是同一電流[IE=(1+β)IB],所以不能簡單按照分壓分流關系計算有關參數。
動態計算:

通過理論計算得出,電壓跟隨器具有電壓放大倍數小于1而約等于1,輸入電阻大,輸出電阻小的特點。
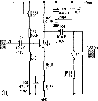
3.共射極放大電路
由1V2、1V3組成放大電路都屬于共射極放大電路,下面主要討論1V3三極管組成的放大電路,見圖11。而1V2組成的放大電路與1V3組成的放大電路原理基本相同,所不同的是1V2和1V1兩級放大電路之間采用直接耦合方式,所以1V2的靜態工作點受到1V1的靜態工作點的控制(1V1的發射極電壓即1V2的基極電壓)。
(1)靜態分析
將電路中電容視為開路,即可得到放大電路的直流通路。電路中采用分壓式偏置設置其基極靜態工作點,并且在發射極由1R10和1R11串聯構成電流串聯負反饋,能夠穩定其靜態工作點。與共集電路類似,設1RP2接入電路的阻值為40kΩ,我們可以計算出放大電路的靜態工作點:

通過計算可以看出。UB只與電源電壓Vcc和基極分壓電阻有關;IcQ的大小只與固定電壓和發射極所連接的反饋電阻有關,而與三極管的電流放大系數β值無關,因此在更換三極管時,不會改變原先已調好的靜態工作點。
(2)動態分析
分壓式共射極放大電路的動態參數可由下面的公式計算:

通過計算可以看出,共射極放大電路的電壓放大倍數較大(-160),式中的負號表示輸出信號相位和輸入信號相反;但輸入電阻較共集電路小,而輸出電阻較共集電路大。

4.負反饋
為了改善放大器的性能,放大電路中通過一個網絡將輸出信號(電壓或電流)的一部分或全部反方向送回到放大器的輸入回路,并與輸入信號合成,構成反饋。電路中1C9、1R12和1R6等元件組成的支路即構成了電壓串聯交流負反饋。
為了分析的方便,我們可以把該電路的反饋過程用圖12表示。
由于反饋取自于輸出電壓,并與之成正比,所以該反饋類型從取樣方式來說屬于電壓反饋。從反饋信號和輸入信號的連接方式來分析,該電路屬于串聯反饋,另外,反饋信號的加入,會使放大器實際輸入的信號(凈輸入信號)減小,而且反饋電路由于電容1C9的串入。只會在交流信號時起到反饋作用。因此,這種反饋的全稱為“電壓串聯交流負反饋”。電路引入電壓串聯負反饋,能夠改善放大器的性能,關于這一點,我們將在后面的調試中予以討論。

壹芯微科技針對二三極管,MOS管作出了良好的性能測試,應用各大領域,如果您有遇到什么需要幫助解決的,可以點擊右邊的工程師,或者點擊銷售經理給您精準的報價以及產品介紹
工廠地址:安徽省六安市金寨產業園區
深圳辦事處地址:深圳市福田區寶華大廈A1428
中山辦事處地址:中山市古鎮長安燈飾配件城C棟11卡
杭州辦事處:杭州市西湖區文三西路118號杭州電子商務大廈6層B座
電話:13534146615
企業QQ:2881579535

深圳市壹芯微科技有限公司 版權所有 | 備案號:粵ICP備2020121154號