來源:壹芯微 發布日期
2019-02-27 瀏覽:-壹芯微作為國內專業生產快恢復二極管的生產廠家,生產技術已經是非常的成熟,進口的測試儀器,可以很好的幫組到客戶朋友穩定好品質,也有專業的工程師在把控穩定質量,協助客戶朋友解決一直客戶自身解決不了的問題,每天會分析一些知識或者客戶的一些問題,來出來分享,基于快恢復二極管的開關電源模塊電路,請看下方
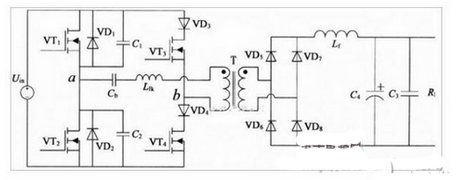
這款軟開關電源采用了全橋變換器結構,使用MOSFET作為開關管來使用,參數為1000V/24A。采用移相ZVZCSPWM控制,即超前臂開關管實現 ZVS、滯后臂開關管實現ZCS。電路結構簡圖如圖1,VT1~VT4是全橋變換器的四只MOSFET開關管,VD1、VD2分別是超前臂開關管VT1、VT2的反并超快恢復二極管,C1、C2分別是為了實現VTl、VT2的ZVS設置的高頻,VD3、VD4是反向電流阻斷二極管,用來實現滯后臂 VT3、VT4的ZCS,Llk為變壓器漏感,Cb為阻斷電容,T為主變壓器,副邊由VD5~VD8構成的高頻整流電路以及Lf、C3、C4等濾波器件組成。

壹芯微科技針對快恢復二極管作出了良好的性能測試,應用各大領域,如果您有遇到什么需要幫助解決的,可以點擊右邊的工程師,或者點擊銷售經理給您精準的報價以及產品介紹
工廠地址:安徽省六安市金寨產業園區
深圳辦事處地址:深圳市福田區寶華大廈A1428
中山辦事處地址:中山市古鎮長安燈飾配件城C棟11卡
杭州辦事處:杭州市西湖區文三西路118號杭州電子商務大廈6層B座
電話:13534146615
企業QQ:2881579535

深圳市壹芯微科技有限公司 版權所有 | 備案號:粵ICP備2020121154號