來源:壹芯微 發布日期
2020-07-31 瀏覽:-開關電容電路簡析
首先我們看第一種情況:一個恒壓源Vo給電容C充電

可以看到電壓源損失的能量是CVo^2, 而電容C上獲得的能量是0.5CVo^2,那么一半的能量在充電過程中損失了。如果我們假設開關是理想的,Ron=0,那么loss是那里產生的呢?有答案認為是電磁輻射發散出去的。我們知道,如果開關是理想的,在接通開關的一瞬間,開關上流過的電流是無窮大的,一個無窮大的電流流過Ron=0的開關,產生的loss其實是一個取極限的結果:
。不管怎樣,我們知道了一個恒壓源Vo給電容C充電要有0.5CVo^2的loss.
第二種情況:一個電壓為Vo的巨大電容Cbig給一個電壓為V1的電容C充電(Vo>V1),使小電容電壓到Vo,我們仍然假設開關是理想的,Ron=0.

可以看到Cbig電容損失的能量是CVo(Vo-V1), 而C電容上獲得的能量是0.5C(Vo^2-V1^2),充電過程中損失的loss是0.5*C(V0-V1)^2,所以,我們可以看到電壓不同的電容之間充電也會有loss的。
那么有些不死心的朋友要問了:有沒有情況下給電容充電是無損(lossless)的呢?答案是有的,我們來看第三種情況:一個電流源I給電容充電,把電容的電壓從V1提升到V0.

可以看到電流源I損失的能量等于電容上得到的能量等于0.5C(Vo^2-V1^2),充電過程是無損的!
以上就是開關電容電路(switched capacitor converter)的loss雛形,那么我們為什么要費盡心思搞這個有loss的switched capacitor converter呢?這是因為在實際生活中,好電容易得,但好電感難求!尤其是在集成電路(integrated circuit)領域,magnetics(比如電感、變壓器)是很難集成到芯片里面的,如果我們只用電容和transistor搭建一個converter,功率密度(power density)會極大提高!1k-2k W/inch³ 的converter也是有可能做出來的!
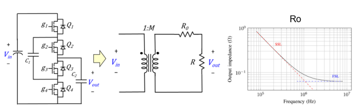
舉一個例子,我們來看一個最經典結構: 2-1 ladder switched capacitor converter。其中gate signal:Q1與Q3同時開啟與關閉,Q2與Q4同時開啟與關閉。g1與g2,g3與g3是half bridge,也就是兩對complementary開關的管子。Marek和Dragan在1995年一篇TPE [1] 上提出任何switched capacitor converter都可以建模成一個DC變壓器和一個輸出電阻Ro,DC變壓器的變壓比M代表了converter的conversion ratio,輸出電阻Ro代表了Converter的Loss。這里存在一個所謂的“Fast Switching Limit”和“Slow Switching Limit”問題了。這是什么意思呢?就是說SC converter在不同頻率下代表Loss的Ro是不同的!那么如何求出M和RFSL(Fast Switching Limit Rout)和RSSL(slow Switching Limit Rout)成了我們關心的問題。

Mike.Seeman大神在他MS thesis [2] 里面詳細闡述了這個問題,他用的是charge flow analysis,意思就是求出每個情況下通過各個elements的charge,然后進行M和loss Ro的計算。具體細節我就不贅述了,我自己瞎逼推導了一下,大家隨便看看。
Conversion Ratio M:

Slow Switching Limit:

Fast Switching Limit:

最終,我們把Switched Capacitor Converter進行了簡單的建模:


值得注意的是,Loss Ro的計算只考慮的conduction loss,而且是用平均電流代替了RMS電流來計算loss,沒有考慮switching loss和gating loss,所以這只是一個很粗糙的模型,只是讓我們直觀感受一下converter loss與開關頻率frequency的關系。我們其實希望SC converter工作在FSL范圍內,這樣的loss比SSL內小,但是我們又不希望頻率過高,這樣會帶來其他switching loss和gating loss的損失。
SC Converter的好處例如high power density,利于集成等優點說了很多,但是缺點也是不容忽視的:比如conversion ratio固定,不能regulate output voltage;transient current很大。那么我們有沒有辦法解決這個問題呢?答案是有的,解決的手段就是用hybrid/resonant switched capacitor converter(還記得在第三幅圖中電流源I給電容充電是無損的那個例子嗎?)。在topology方面,我們在SC converter的輸出或輸入端串聯一個傳統的buck或者boost converter,或者在tank里面引入resonant電感,來實現soft charge和regulation。在control方面我們可以有frequency and/or phase shift control。具體細節這里就不再贅述了。
PS. 比起前面花里胡哨的charge flow analysis來分析Loss,Sarah和Jason Stauth大神在COMPEL 2016上提出了switched capacitor和 Hybrid/Resonant Switched-Capacitor Converters的Ro的通式 Ro(fs) ,對 Ro(fs)取fs->0和fs->inf 兩端極限就可以得到“Fast Switching Limit”和“Slow Switching Limit”的Ro了。可謂重劍無鋒,大巧不工,這篇文章獲得了2016 COMPEL最佳文章之一。


壹芯微科技針對二三極管,MOS管作出了良好的性能測試,應用各大領域,如果您有遇到什么需要幫助解決的,可以點擊右邊的工程師,或者點擊銷售經理給您精準的報價以及產品介紹
工廠地址:安徽省六安市金寨產業園區
深圳辦事處地址:深圳市福田區寶華大廈A1428
中山辦事處地址:中山市古鎮長安燈飾配件城C棟11卡
杭州辦事處:杭州市西湖區文三西路118號杭州電子商務大廈6層B座
電話:13534146615
企業QQ:2881579535

深圳市壹芯微科技有限公司 版權所有 | 備案號:粵ICP備2020121154號