來源:壹芯微 發布日期
2019-06-25 瀏覽:-壹芯微作為國內專業生產二三極管的生產廠家,生產技術已經是非常的成熟,進口的測試儀器,可以很好的幫組到客戶朋友穩定好品質,也有專業的工程師在把控穩定質量,協助客戶朋友解決一直客戶自身解決不了的問題,每天會分享一些知識或者客戶的一些問題,今天我們分享的是,開關電源電路圖-分析開關電源電路圖與工作原理,請看下方
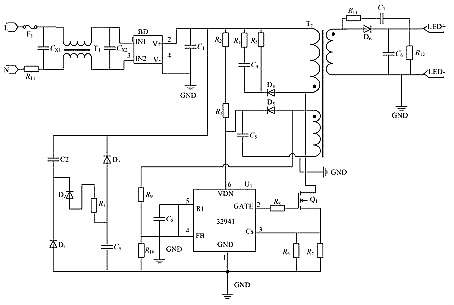
LED恒流源電路圖
作為大功率電源家族的新成員之一,LED恒流驅動電源是國內照明、家居等領域中的應用新星,對電路設計的可靠性要求也非常高。在今天的文章中,我們將會就一種高效、安全的LED恒流驅動大功率電源的電路設計過程進行詳解和分析。
在該LED大功率電源的設計方案中,其電源主電路的設計圖如下圖圖1所示:

圖1 LED恒流驅動大功率電源電路圖
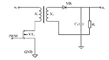
隔離反激式開關電源電路設計
在了解了這一LED恒流驅動電源的電路圖后,接下來我們首先來看一下在該電源方案的設計中,應該如何進行隔離反激式開關電源電路的設計。在該大功率電源的設計方案中,隔離反激式電源的拓撲結構典型電路如圖2所示。從圖2中可以看到,當開關管VT1導通時,高頻變壓器T一次繞組的感應電壓為上正下負,由于變壓器的初級繞組和次級繞組的同名端相反,此時次級繞組的整流二極管VD1處于截止狀態,初級繞組儲存能量。當開關管VT1截止時,變壓器初級繞組儲存的能量通過次級繞組和VD1。整流和電容C1,濾波后向負載輸出。
從這種隔離反激式開關電源電路的運行模式中可以得出結論,電源變壓器在這個電路中有兩個作用,即:當開關管導通時,變壓器儲存能量。當開關管截止時,變壓器通過磁芯將能量傳遞給次級繞組,供給負載。這種拓撲結構的輸出功率一般在100w以內,且有較好的電壓調整率,如果需要精密控制輸出電流,可以在輸出回路串聯采樣電阻通過光耦反饋實現初級繞組和次級繞組的隔離。

圖2 隔離反激式開關電源電路
開關變壓器的選擇與設計
與其他的開關電源一樣,LED恒流驅動電源的變壓器設計也同樣是整個方案的核心所在,這種反激式的開關變壓器在電路中起到兩個作用:儲能電感,當開關管導通時,初級繞組開始儲存能量;當開關管截止時,初級繞組儲存的能量通過磁芯傳遞給次級繞組。因此,該設計對于電感主要考慮的是是初級繞組的電感量和各繞組之間的匝數比。在計算這兩個參數的同時,也涉及到電源的輸入功率、輸出功率、效率和開關頻率等問題。在該LED大功率電源的設計方案中,整個電路的最大占空比為45%,效率預計為85%,輸出功率為40×0.35—14w,開關頻率為60kHz,經過理論計算并考慮裕量,本設計初級繞組的電感數值取1.5mH。根據測試結果,變壓器的磁芯系數為88.7μH,所以有初級繞組的匝數為130匝。
在本方案中,我們采用的是基于最大占空比的方法來確定變壓器匝數比。經過公式計算,當電源加到負載的電壓40V時,再考慮輸出二極管的壓降0.6V。則變壓器的匝數比為0.45,這里計算出來的結果是匝數比N的最小值。根據電感量的要求,初級繞組已經確定為130匝,則次級繞組的匝數為58.5匝,為了方便繞制,可將匝數取為60匝,匝數比N為0.46,對于反激式開關電源,最大占空比小于50%時,系統是固有穩定的,不用增加補償電路。
功率因數校正電路設計
由于LED恒流驅動電源的電路中經常采用電感和電容等元件,因此很容易引起相位漂移,所以功率因數比較低,一般不會超過0.6,這就需要工程師采用相應的措施來提高電路中的功率因數。在該設計方案中,我們所采用的是平衡半橋補償電路法,來提升電路中的功率因數,其電路原理如圖3所示。

圖3 平衡半橋補償電路圖
在使用了平衡半橋補償電路進行功率因數補償設置后,該電路中的電容C1和C2采用10μF/400V的電解電容,兩電容參數相同,通過電容的充放電作用,能夠增加導通角,在正半周期可以將導通角擴展到30°至150°在負半周期可拓展到210°至330°。因此通過該電路可以將功率因數從0.6提高到0.85-0.9。
以上就是本文針對LED恒流驅動大功率電源的電路設計過程,所進行的簡要分析和介紹,希望能夠對各位設計研發人員的工作有所幫助。
LED驅動芯片,實際上是個PWM控制芯片,在組成電路正常工作后,通過后面電流檢測電阻上檢測LED的電流而得到的電壓反饋到芯片,控制內部的PWM占空比,以適應LED自身特性變化而引起的電流、電壓波動,使LED得到的電流保持恒定。
LED驅動器原理與作用
LED驅動器是指驅動LED發光或LED模塊組件正常工作的電源調整電子器件。由于LED PN結的導通特性決定,它能適應的電源的電壓和電流變動范圍十分狹窄,稍許偏離就可能無法點亮LED或者發光效率嚴重降低,或者縮短使用壽命甚至燒毀芯片。現行的工頻電源和常見的電池電源均不適合直接供給LED,LED驅動器就是這種可以驅使LED在最佳電壓或電流狀態下工作的電子組件。
1、由于LED是特性敏感的半導體器件,又具有負溫度特性,LED驅動電源(也叫驅動器)就是在應用過程中對其進行穩定工作狀態的保護。
2、LED器件對驅動電源的要求近乎于苛刻,LED不像普通的白熾燈泡,可以直接連接220V的交流市電。LED是低電壓驅動,必須要設計復雜的變換電路,不同用途的LED燈,要配備不同的電源適配器。設計一款好的電源必須要綜合考慮效率轉換、有效功率、恒流精度、電源壽命、電磁兼容這些因數,因為電源在整個燈具中的作用就好比像人的心臟一樣重要。
壹芯微科技針對二三極管作出了良好的性能測試,應用各大領域,如果您有遇到什么需要幫助解決的,可以點擊右邊的工程師,或者點擊銷售經理給您精準的報價以及產品介紹
工廠地址:安徽省六安市金寨產業園區
深圳辦事處地址:深圳市福田區寶華大廈A1428
中山辦事處地址:中山市古鎮長安燈飾配件城C棟11卡
杭州辦事處:杭州市西湖區文三西路118號杭州電子商務大廈6層B座
電話:13534146615
企業QQ:2881579535

深圳市壹芯微科技有限公司 版權所有 | 備案號:粵ICP備2020121154號