來源:壹芯微 發布日期
2020-04-07 瀏覽:-快恢復二極管如何應用-快恢復二極管注意事項知識
快恢復二極管如何應用
快恢復二極管如何應用,快恢復二極管(簡稱FRD )是一種具有開關特性好、反向恢復時間短特點的半導體二極管,主要應用于開關電源、PWM脈寬調制器、變頻器等電子電路中,作為高頻整流=二極管、續流=極管或阻尼二極管使用。下面我們就來說說快恢復二極管在電源電路中的應用。
快恢復二極管如何應用在電源電路中
(1)在基極驅動電路中應用
如果晶體管基極驅動電路的電源電壓較低, 例如6V , 則基極電流上升緩慢.如果影響到晶體管集電極電流的上升率,增加了功率晶體管的開通損耗。在這種應用場合,為了避免基極電流上升緩慢,在圖1所示電路中的二極管D1選用導通峰壓UFP低的二極管是很有好處的。

圖1 基極驅動電路中串聯的二極管對晶體管開通性能的影響
(2)達林頓組合電路中的應用
如圖2所示的達林頓組合電路中,加速-極管D為晶體管T2中的存貯電荷提供一條快速低阻的的泄放電路。這里對加速二 極管的一個要求是:正向恢復時間tfr要短。如果tfr時間較長,則晶體管T2基極發射極間的反向偏壓過低。導致晶體管的存貯時間ts及集電極電流的下降時間f增長。關斷損耗增加。

(3)雙正激變換器中作去磁二極管
如圖3所示,雙正激變換器中,二極管D1、D2的作用是在晶體管T1、T2關斷后對變壓器去磁(變壓器存儲的磁場能量通過二極管送回到電源)。晶體管關斷時, - -極管導通。二極管導通風峰壓Ufp和電源電壓Ua相加施加到關斷的晶體管上,晶體管必須能承受這個電壓。

( 4 )在續流電路中的應用
在圖4所示的斬波器中,晶體管關斷時,負載電流通過二極管續流。t0時 ,晶體管再次導通,集電極電流以晶體管限定的上升率增長;同時二極管電流也以同樣的速率衰減, t1時等于零, t2時達到反向最大值IRM。
t1~t2期間,反向恢復電流從二極管中消除存貯電荷,到t2時,可以認為這個工作已完成,二極管已做好了關斷準備。

快恢復二極管如何應用-在繼電器方面的應用
如下圖,在繼電器兩端并聯一個UF4007,它的反向重復峰值電壓1000V、正向浪涌電流30A。繼電器線圈是可以儲存能量的,一旦線圈斷電,它兩端就會產生很大的反向電動勢,如果在線圈兩端并聯一個快恢復二極管,使它產生一個回路,電動勢通過這個回路使線圈儲存的能量泄放。

快恢復二極管如何應用-在IGBT開關管的應用
如下圖是電磁爐全橋控制的LC振蕩電路,Q1-Q4相互導通,在導通-關斷過程中,會產生能量,這個二極管經常被稱為寄生二極管或者續流二極管,IGBT作為開關用時候一般電壓達到上千伏,因此肖特基二極管不適合。

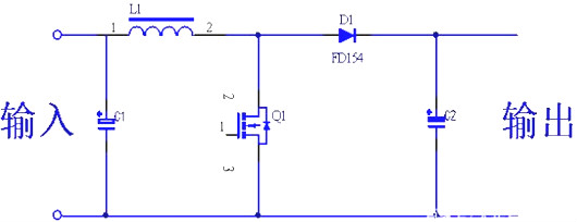
快恢復二極管如何應用-在BOOST升壓等開關電源應用
1)如下圖是BOOST升壓電路,FR154為400V/1.5A快恢復二極管,起到防止電流倒灌作用

2)在RCD等鉗位吸收回路應用,如下圖D1/UF4007與R1、C2組成吸收回路。

快恢復二極管應注意事項
1)有些單管,共三個引腳,中間的為空腳,一般在出廠時剪掉,但也有不剪的。
2)若對管中有一只管子損壞,則可作為單管使用。
3)測正向導通壓降時,必須使用R×1檔。若用R×1k檔,因測試電流太小,遠低于管子的正常工作電流,故測出的VF值將明顯偏低。在上面例子中,如果選擇R×1k檔測量,正向電阻就等于2.2kΩ,此時n′=9格。由此計算出的VF值僅0.27V,遠低于正常值(0.6V)。
壹芯微科技針對二三極管,MOS管作出了良好的性能測試,應用各大領域,如果您有遇到什么需要幫助解決的,可以點擊右邊的工程師,或者點擊銷售經理給您精準的報價以及產品介紹
工廠地址:安徽省六安市金寨產業園區
深圳辦事處地址:深圳市福田區寶華大廈A1428
中山辦事處地址:中山市古鎮長安燈飾配件城C棟11卡
杭州辦事處:杭州市西湖區文三西路118號杭州電子商務大廈6層B座
電話:13534146615
企業QQ:2881579535

深圳市壹芯微科技有限公司 版權所有 | 備案號:粵ICP備2020121154號