來源:壹芯微 發布日期
2019-11-13 瀏覽:-可控硅過零觸發調壓電路的設計知識
可控硅調壓器廣泛應用于風扇調速、燈具調光等場合。由于可控硅是開關器件,本身損耗小,比較起變壓器調壓來,可以節省不少電力,同時體積小、重量輕、穩定可靠。目前常見的民用可控硅調壓器普遍使用移相觸發的方式,這種觸發方式電路簡單,成本低廉,調壓范圍寬。但是這種方式,負載上得到的是不完整的正弦波,因而含有很大的高次諧波分量,對周圍電器易造成干擾。同時,負載上波形失真大。雖然對于電熱器具而言沒有什么影響,但是對于電動機如電風扇而言,在導通角偏離0度較大時效率明顯降低,發熱加重,且發出較大“嗡嗡”聲。所以有必要改進移相觸發的可控硅調壓方式。
過零觸發是可控硅的另一種觸發方式,它雖然電路較復雜,但由于是在正弦波過零時觸發,所以對電網的干擾小。是更為“清潔”的調壓方式。下面簡單介紹雙向可控硅過零觸發及其電路。
我們知道,雙向可控硅兩端可以加上不同極性的電壓,門極的電壓亦可正可負,只要門極的電壓、電流VGT、IGT達到一定的要求,均可使可控硅導通。因而。使用雙向可控硅可以很方便地實現對交流電的導通和關斷。
雙向可控硅的觸發原理與單向可控硅類似。當門極中流過的電流大于觸發電流lGr時,可控硅導通;這時,若流過可控硅兩個端子A1、A2的電流大于閉鎖電流IL。則可控硅被閉鎖在導通狀態,撤去門極電壓后仍能維持導通;但若流過可控硅兩個端子A1、A2的電流下降到保持電流IH以下,則可控硅退出閉鎖狀態。這一過程的示意圖如下圖所示。

從圖中可以看出。雙向可控硅是近過零自動關斷的,在關斷時一般干擾都較小。所以,減小干擾的關鍵,是在交流電過零處觸發可控硅。
雙向可控硅過零觸發電路一般可以分為過零檢測和可控硅觸發兩部分。系統框圖如下圖。

其中過零檢測電路根據輸入信號檢測市電的過零點,輸出過零脈沖(100Hz)。觸發驅動電路是一個分頻器,它對過零脈沖實現分頻。
產生占空比可調的方波。為了實現過零觸發,應該保證驅動可控硅的方波上升沿與過零脈沖對齊。這樣在負載上就可以得到一串串有限長度的正弦波。
應用電路簡介
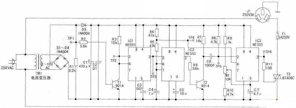
本電路分為過零檢測和可控硅觸發兩部分電路,使用時基電路NE555實現。電路圖如下圖所示。

可控硅過零觸發調壓電路
T1和ICl組成過零檢測電路。由于D5的存在,將整流橋輸出與濾波電容隔離開,因而在TPl處得到的是脈動直流,其最接近零值的電就是市電的過零點。T1對該脈動直流進行放大,在TP2得到的是一個脈沖。
ICl接成施密特觸發器的組態,形成過零脈沖(TP3)。
IC2、T2和IC3組成可控硅觸發電路。IC2是一個單穩態電路,上電時處于復位狀態,3腳輸出低電平。當過零脈沖到來時。使IC2的3腳輸出高電平,C4開始充電。充電至2/3VDD時,IC2重新復位。由此可知,IC2輸出的是上升沿與過零脈沖對齊,固定脈寬的方波信號,它實現了對過零脈;中的分頻。IC2的輸出經T2反向,C6、R8微分后,觸發IC3。IC3被觸發置位的同時,其6腳的電位也隨著C4的充電而上升。當IC3的6腳電位上升到與5腳電位相等時,IC3便被復位。調整IC3的5腳電位,就能調整IC3從置位到復位的時間間隔,從而調整輸出方波的占空比。各測試點波形圖見下圖。

調壓、定時兩用控制器電路這是一種電路簡單、制作容易、使用方便的調壓與定時兩用控制器。其指標為:調壓范圍30—215V AC,定時5—60分鐘,功率500W。可對各種家用電器進行調壓(調光、調溫、調速)或定時關閉。(站長提示:“調壓”功能絕不能用于采用開關電源的電器!如電腦、彩電、手機充電器等。) 工作原理

該兩用控制器的電路原理見圖1。調壓、定時選擇開關S2置于1時,NE555和S、C3、RP2及VS等組成定時控制電路。使用時,按一下AN,C3通過R2、AN迅速放電,這時,NE555的②、⑥端為高電平,③端輸出低電平,雙向可控硅VS導通,輸出插座CZ有電壓輸出。直流電源經RP2、R3對C3充電,C3充滿電后,NE555的②、⑥端電壓降低到直流電源電壓的1/3,此時,NE555置位,③端輸出高電平,VS截止,CZ無電壓輸出。 當開關S置于2時,NE555和RP1、R1、C2等組成觸發脈沖產生電路,NE555的③端輸出頻率約13Hz、占空比可調的觸發脈沖。調整RP1即可改變觸發脈沖的寬度,然后再用該脈沖去控制VS的導通角,使CZ上的輸出電壓隨著導通角的變化而變化,從而達到調壓的目的。VD1的作用是當調整RP1時,使振蕩周期不變,而觸發脈沖寬度改變。C5和VDW、VD2組成降壓、整流電路,為NE555提供12V左右的直流工作電壓。C5是降壓電容。R2、R4是限流電阻。 元器件選擇與制作 元器件清單見下表。 編 號 名 稱 型 號 數 量 R1 電阻 47K 1 R2 電阻 100Ω 1 R3 電阻 100K 1 R4 電阻 470Ω 1 RP1 電位器 1M線性電位器 1 RP2 電位器 3.3M 線性電位器 1 C1 電解電容 470uF 1 C2 滌綸電容 0.1u 1 C3 電解電容 1000uF 1 C4 滌綸電容 0.01u 1 C5 金屬化電容 0.47uF 耐壓≥400V 1 VD1 開關二極管 IN4148 1 VD2 整流二極管 IN4007 1 VDW 穩壓二極管 12V 1 VS 雙向可控硅 3A 600V 1 IC 時基電路 NE555 1 S 轉換開關 1×2小型鈕子開關 1 CZ 電源插座 10A 250V 1 RP2用于調節定時時間,裝好后,可在外殼上按時間與角度的關系標示好刻度。 該兩用控制器安裝完畢,只要選用符合要求的正品元件、安裝無誤,一般不用調試就可正常工作
壹芯微科技針對二三極管,MOS管作出了良好的性能測試,應用各大領域,如果您有遇到什么需要幫助解決的,可以點擊右邊的工程師,或者點擊銷售經理給您精準的報價以及產品介紹
工廠地址:安徽省六安市金寨產業園區
深圳辦事處地址:深圳市福田區寶華大廈A1428
中山辦事處地址:中山市古鎮長安燈飾配件城C棟11卡
杭州辦事處:杭州市西湖區文三西路118號杭州電子商務大廈6層B座
電話:13534146615
企業QQ:2881579535

深圳市壹芯微科技有限公司 版權所有 | 備案號:粵ICP備2020121154號