來源:壹芯微 發布日期
2019-11-20 瀏覽:-可控硅-晶閘管的幾種典型應用案例
SCR半波整流穩壓電源。如圖4電路,是一種輸出電壓為+12V的穩壓電源。該電路的特點是變壓器B將220V的電壓變換為低壓(16~20V),采用單向可控硅SCR半波整流。SCR的門極G從R1、D1和D2的回路中的C點取出約13.4V的電壓作為SCR門陰間的偏置電壓。電容器C1起濾波和儲能作用。在輸出CD端可獲得約+12V的穩壓。 晶閘管,又稱可控硅(單向SCR、雙向BCR)是一種4層的(PNPN)三端器件。在電子技術和工業控制中,被派作整流和電子開關等用場。在這里,筆者介紹它們的基本特性和幾種典型應用電路。
1. 鎖存器電路。
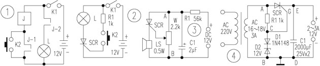
圖1是一種由繼電器J、電源(+12V)、開關K1和微動開關K2組成的鎖存器電路。當電源開關K1閉合時,因J回路中的開關K2和其觸點J-1是斷開的,繼電器J不工作,其觸點J-2也未閉合,所以電珠L不亮。一旦人工觸動一下K2,J得電激活,對應的觸點J-1、J-2閉合,L點亮。此時微動開關K2不再起作用(已自鎖)。要使電珠L熄滅,只有斷開電源開關K1使繼電器釋放,電珠L才會熄滅。所以該電路具有鎖存器(J-1自鎖)的功能。
圖2電路是用單向可控硅SCR代替圖1中的繼電器J,仍可完成圖1的鎖存器功能,即開關K1閉合時,電路不工作,電珠L不亮。當觸動一下微動開關K2時,SCR因電源電壓通過R1對門極加電而被觸發導通且自鎖,L點亮,此時K2不再起作用,要使L熄滅,只有斷開K1。由此可見,圖2電路也具有鎖存器的功能。圖2與圖1雖然都具有鎖存器功能,但它們的工作條件仍有區別:(1)圖1的鎖存功能是利用繼電器觸點的閉合維持其J線圈和L的電流,但圖2中,是利用SCR自身導通完成鎖存功能。(2)圖1的J與控制器件L完全處于隔離狀態,但圖2中的SCR與L不能隔離。所以在實際應用電路中,常把圖1和圖2電路混合使用,完成所需的鎖存器功能。
2. 單向可控硅SCR振蕩器。
圖3電路是利用SCR的鎖存性制作的低頻振蕩器電路。圖中的揚聲器LS(8Ω/0.5W)作為振蕩器的負載。當電路接上電源時,由于電源通過R1對C1充電,初始時,C1電壓很低,A、B端的電位器W的分壓不能觸發SCR,SCR不導通。當C1充得電壓達到一定值時,A、B端電壓升高,SCR被觸發而導通。一旦SCR導通,電容器C1通過SCR和LS放電,結果A、B端的電壓又下降,當A、B端電壓下降到很低時,又使SCR截止,一旦SCR截止,電容器C1又通過R1充電,這種充放電過程反復進行形成電路的振蕩,此時LS發出響聲。電路中的W可用來調節SCR門極電壓的大小,以達到控制振蕩器的頻率變化。按圖中元件數據,C1取值為0.22~4μF,電路均可正常工作。
3. SCR半波整流穩壓電源。
如圖4電路,是一種輸出電壓為+12V的穩壓電源。該電路的特點是變壓器B將220V的電壓變換為低壓(16~20V),采用單向可控硅SCR半波整流。SCR的門極G從R1、D1和D2的回路中的C點取出約13.4V的電壓作為SCR門陰間的偏置電壓。電容器C1起濾波和儲能作用。在輸出CD端可獲得約+12V的穩壓。
電路工作時,當A點低壓交流為正半周時,SCR導通對C1充電。當充電電壓接近C點電壓或交流輸入負半周時,SCR截止,所以C1上充得電壓(即輸出端CD)不會高于C點的穩壓值。只有儲能電容C1輸出端對負載放電,其電壓低于C點電壓時,在A點的正半周電壓才會給C1即時補充充電,以維持輸出電壓的穩定。圖4電路與電池配合已成功用于某設備作后備電源。該穩壓電源,按圖中參數其輸出電流可達2~3A。

4. SCR全波整流穩壓電源。
上述的半波整流穩壓電源,其缺點是電源的效率低,其紋波也較大。圖5的SCR全波整流穩壓電源,完全克服了上述的缺點。該電路的輸出電壓也為12V(也可改接成其他電壓輸出)。該電路實際是由(上期第十一版)圖4的兩個半波整流和穩壓電路組合而成。D1、SCR1、D4等工作在交流的正半周;D2、SCR2、D6等工作在交流的負半周,他們共同向輸出的C、D端提供電流。電路中的D3、D5起隔離作用,即D3是防止A點交流負半周時,其電流通過R1;D5是防止A點交流正半周時,其電流通過R2的。電路的其他工作過程與上期圖4相同。
5. 雙向可控硅和固體繼電器(SSR)。
利用雙向可控硅BCR制作調光器是BCR最常見的應用,這里不再復述。筆者剖析過一種Sharp(夏普)固體繼電器SSR(S201S02型)產品的內部電路,以此說明BCR的應用,如圖6所示。由圖可見,該SSR產品是由雙向可控硅BCR和光耦合交流過零觸發電路共同組成的,因此該SSR的效率高(即功耗小)、自身引起的電噪聲(脈沖式干擾)很小。利用圖6的內部電路,讀者完全可以自制SSR,并把他應用到控制電路中,如圖7可控制交流(220V)電源的插座電路。圖中的光耦合器MOC3041為BCR提供交流過流觸發信號。一般MOC3041的輸入控制電流約20mA,所以當控制信號為5V時,其限流電阻取270Ω。圖中的R2是控制BCR門極(G)觸發電流的,該值應隨使用BCR型號而調整的,一般6A/700V的BCR,其G極所需的觸發電流約10mA,即可可靠觸發BCR工作。圖中的Z為交流電源插座。當圖7中的控制信號輸出5V電平時,BCR導通,Z上即有220V的電壓輸出,反之,Z無輸出電壓。
6. 抑制RF干擾的輔助電路。
當電路中使用了可控硅作多種控制電路時,一般應附加抑制RF干擾的輔助電路,尤其是使用了雙向可控硅的電路。一般抑制RF干擾的電路是加在交流電源的輸入端,如圖8所示。電路中的電感L1、L2和電容器C1的值已在圖中標注。

壹芯微科技針對二三極管,MOS管作出了良好的性能測試,應用各大領域,如果您有遇到什么需要幫助解決的,可以點擊右邊的工程師,或者點擊銷售經理給您精準的報價以及產品介紹
工廠地址:安徽省六安市金寨產業園區
深圳辦事處地址:深圳市福田區寶華大廈A1428
中山辦事處地址:中山市古鎮長安燈飾配件城C棟11卡
杭州辦事處:杭州市西湖區文三西路118號杭州電子商務大廈6層B座
電話:13534146615
企業QQ:2881579535

深圳市壹芯微科技有限公司 版權所有 | 備案號:粵ICP備2020121154號