來源:壹芯微 發布日期
2020-08-26 瀏覽:-MOS管-三極管-IGBT之間的因果關系-區別和聯系最全解析
MOS管、三極管、IGBT之間的因果關系 區別與聯系最全解析
大家都知道MOS管、三極管、IGBT的標準定義,但是很少有人詳細地、系統地從這句話抽絲剝繭,一層一層地分析為什么定義里說IGBT是由BJT和MOS組成的,它們之間有什么區別和聯系,在應用的時候,什么時候能選擇IGBT、什么時候選擇BJT、什么時候又選擇MOSFET管。這些問題其實并非很難,你跟著我看下去,就能窺見其區別及聯系。
MOS管、三極管、IGBT之間的關系
PN結:從PN結說起
PN結是半導體的基礎,摻雜是半導體的靈魂,先明確幾點:
1、P型和N型半導體: 本征半導體摻雜三價元素,根據高中學的化學鍵穩定性原理,會有 “空穴”容易導電,因此,這里空穴是“多子”即多數載流子,摻雜類型為P(positive)型;同理,摻雜五價元素,電子為“多子”,摻雜類型為N(negative)型。
2、載流子:導電介質,分為多子和少子,概念很重要,后邊會引用
3、空穴”帶正電,電子帶負電,但摻雜后的半導體本身為電中性
4、P+和N+表示重度摻雜;P-和N-表示輕度摻雜
PN結原理如下圖,空穴和電子的擴散形成耗盡層,耗盡層的電場方向如圖所示:

(一)二極管
PN結正偏:PN結加正向電壓,如下圖

此時P區多子“空穴”在電場的作用下向N區運動,N區多子電子相反,使耗盡層變窄至消失,正向導電OK,也可以理解成外加電場克服耗盡層內電場,實現導電,該電壓一般為0.7V或0.3V。二極管正向導通的原理即是如此。
PN結反偏:PN結加反向電壓,如下圖:

反偏時,多子在電場作用下運動使PN結加寬,電流不能通過,反向截止;二極管反向截止的原理就是這樣。但是,此時少子在內外電場的作用下移動,并且耗盡層電場方向使少子更容易通過PN結,形成漏電流。得出重要結論,劃重點:反偏時,多數載流子截止,少數載流子很容易通過,并且比正偏時多數載流子通過PN結還要輕松。
(二)三極管
上邊說PN結反偏的時候,少數載流子可以輕易通過,形成電流,正常情況小少子的數量極少,反向電流可忽略不計。
現在我們就控制這個反向電流,通過往N區注入少子的方式,怎么注入,在N區下再加一個P區,并且使新加的PN結正偏,如下:

上圖中,發射結正偏,空穴大量進入基區,他們在基區身份仍然是少數載流子的身份,此時,如前所述,這些注入的少數載流子很容易通過反偏的PN結——集電結,到達集電極,形成集電極電流Ic。
于是,我們課堂上背的三極管放大導通條件是<發射結正偏,集電結反偏>就非常容易理解了,上一張三極管的特性曲線。

這里涉及了飽和區的問題,三極管工作在飽和區時Vce很小,有人說飽和區條件是發射結正偏,集電結也正偏,這很容易讓人誤解;發射結正偏導通沒問題,但集電結并沒有達到正偏導通,若集電結正偏導通,就跟兩個二極管放一起沒區別;集電結的正偏電壓阻礙基區少子向集電極漂移,正偏越厲害,少子向集電極運動越困難,即Ic越小,因此飽和狀態下的Ic是小于放大狀態下的βIb的,此時,管子呈現出很小的結電阻,即所謂的飽和導通。
(三)MOS管
MOS管結構原理:以N-MOS為例,a:P型半導體做襯底;b:上邊擴散兩個N型區,c:覆蓋SiO2絕緣層;在N區上腐蝕兩個孔,然后金屬化的方法在絕緣層和兩個孔內做成三個電極:G(柵極)、D(漏極)、S(源極)。

工作原理:一般襯底和源極短接在一起,Vds加正電壓,Vgs=0時,PN結反偏,沒有電流,Vgs加正電壓,P襯底上方感應出負電荷, 與P襯底的多子(空穴)極性相反,被稱為反型層,并把漏源極N型區連接起來形成導電溝道,當Vgs比較小時,負電荷與空穴中和,仍無法導電,當Vgs超過導通閾值后,感應的負電荷把N型區連接起來形成N溝道,開始導電。Vgs繼續增大,溝道擴大電阻降低,從而電流增大

為改善器件性能,出現了VMOS、UMOS等多種結構,基本原理都一樣。
(四)IGBT
IGBT是MOS和BJT的復合器件,到底是怎么復合的,往下看。從結構上看,IGBT與功率MOS的結構非常類似,在背面增加P+注入層(injection layer)。

得出IGBT的導電路徑:

由于上圖P阱與N-漂移區的PN結成反偏狀態,于是產生了JFET效應,如下圖。

于是,在上述IGBT結構中,電子流通方向的電阻可用下圖表示,結合上邊描述,一目了然。

為了減小上述電阻,并且提高柵極面積利用率,溝槽柵IGBT變成主流,作用效果如下圖。

此外,為了提升IGBT耐壓,減小拖尾電流,在N –漂移區、背面工藝(減薄和注入)上下了不少功夫:
N-區下的功夫包含以下幾種:

1、PT:以高濃度的P+直拉單晶硅為起始材料,先生長一層摻雜濃度較高的N型緩沖層(N+buffer層),然后再繼續淀積輕摻雜的N-型外延層作為IGBT的漂移區,之后再在N-型外延層的表面形成P-base、N+ source作為元胞,最后根據需要減薄P型襯底。
2、NPT:采用輕摻雜N- 區熔單晶硅作為起始材料,先在硅面的正面制作元胞并用鈍化層保護好,之后再將硅片減薄到合適厚度。最后在減薄的硅片背面注入硼,形成P+ collector。
3、FS:以輕摻雜N- 區熔單晶硅作為起始材料,先在硅面的正面制作元胞并用鈍化層保護好,在硅片減薄之后,首先在硅片的背面注入磷,形成N+ 截止層, 最后注入硼,形成P+ collector。
三極管,MOSFET, IGBT的區別?
為什么說IGBT是由BJT和MOSFET組成的器件?
要搞清楚IGBT、BJT、MOSFET之間的關系,就必須對這三者的內部結構和工作原理有大致的了解。
BJT
雙極性晶體管,俗稱三極管。內部結構(以PNP型BJT為例)如下圖所示。

BJT內部結構及符號
雙極性即意味著器件內部有空穴和電子兩種載流子參與導電,BJT既然叫雙極性晶體管,那其內部也必然有空穴和載流子,理解這兩種載流子的運動是理解BJT工作原理的關鍵。
由于圖中 e(發射極)的P區空穴濃度要大于b(基極)的N區空穴濃度,因此會發生空穴的擴散,即空穴從P區擴散至N區。同理,e(發射極)的P區電子濃度要小于b(基極)的N區電子濃度,所以電子也會發生從N區到P區的擴散運動。
這種運動最終會造成在發射結上出現一個從N區指向P區的電場,即內建電場。該電場會阻止P區空穴繼續向N區擴散。倘若我們在發射結添加一個正偏電壓(p正n負),來減弱內建電場的作用,就能使得空穴能繼續向N區擴散。
擴散至N區的空穴一部分與N區的多數載流子——電子發生復合,另一部分在集電結反偏(p負n正)的條件下通過漂移抵達集電極,形成集電極電流。
值得注意的是,N區本身的電子在被來自P區的空穴復合之后,并不會出現N區電子不夠的情況,因為b電極(基極)會提供源源不斷的電子以保證上述過程能夠持續進行。這部分的理解對后面了解IGBT與BJT的關系有很大幫助。
MOSFET
金屬-氧化物-半導體場效應晶體管,簡稱場效晶體管。內部結構(以N-MOSFET為例)如下圖所示。

MOSFET內部結構及符號
在P型半導體襯底上制作兩個N+區,一個稱為源區,一個稱為漏區。漏、源之間是橫向距離溝道區。在溝道區的表面上,有一層由熱氧化生成的氧化層作為介質,稱為絕緣柵。在源區、漏區和絕緣柵上蒸發一層鋁作為引出電極,就是源極(S)、漏極(D)和柵極(G)。
MOSFET管是壓控器件,它的導通關斷受到柵極電壓的控制。我們從圖上觀察,發現N-MOSFET管的源極S和漏極D之間存在兩個背靠背的pn結,當柵極-源極電壓VGS不加電壓時,不論漏極-源極電壓VDS之間加多大或什么極性的電壓,總有一個pn結處于反偏狀態,漏、源極間沒有導電溝道,器件無法導通。
但如果VGS正向足夠大,此時柵極G和襯底p之間的絕緣層中會產生一個電場,方向從柵極指向襯底,電子在該電場的作用下聚集在柵氧下表面,形成一個N型薄層(一般為幾個nm),連通左右兩個N+區,形成導通溝道,如圖中黃色區域所示。當VDS>0V時,N-MOSFET管導通,器件工作。
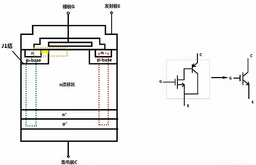
IGBT
IGBT的結構圖

IGBT內部結構及符號
黃色色塊表示IGBT導通時形成的溝道。首先看黃色虛線部分,細看之下是不是有一絲熟悉之感?
這部分結構和工作原理實質上和上述的N-MOSFET是一樣的。當VGE>0V,VCE>0V時,IGBT表面同樣會形成溝道,電子從n區出發、流經溝道區、注入n漂移區,n漂移區就類似于N-MOSFET的漏極。
藍色虛線部分同理于BJT結構,流入n漂移區的電子為PNP晶體管的n區持續提供電子,這就保證了PNP晶體管的基極電流。我們給它外加正向偏壓VCE,使PNP正向導通,IGBT器件正常工作。
這就是定義中為什么說IGBT是由BJT和MOSFET組成的器件的原因。
此外,圖中我還標了一個紅色部分,這部分在定義當中沒有被提及的原因在于它實際上是個npnp的寄生晶閘管結構,這種結構對IGBT來說是個不希望存在的結構,因為寄生晶閘管在一定的條件下會發生閂鎖,讓IGBT失去柵控能力,這樣IGBT將無法自行關斷,從而導致IGBT的損壞。
IGBT和BJT、MOSFET之間的故事
BJT出現在MOSFET之前,而MOSFET出現在IGBT之前,所以我們從中間者MOSFET的出現來闡述三者的因果故事。
MOSFET的出現可以追溯到20世紀30年代初。德國科學家Lilienfeld于1930年提出的場效應晶體管概念吸引了許多該領域科學家的興趣,貝爾實驗室的Bardeem和Brattain在1947年的一次場效應管發明嘗試中,意外發明了電接觸雙極晶體管(BJT)。
兩年后,同樣來自貝爾實驗室的Shockley用少子注入理論闡明了BJT的工作原理,并提出了可實用化的結型晶體管概念。
發展到現在,MOSFET主要應用于中小功率場合如電腦功率電源、家用電器等,具有門極輸入阻抗高、驅動功率小、電流關斷能力強、開關速度快、開關損耗小等優點。
隨著下游應用發展越來越快,MOSFET的電流能力顯然已經不能滿足市場需求。為了在保留MOSFET優點的前提下降低器件的導通電阻,人們曾經嘗試通過提高MOSFET襯底的摻雜濃度以降低導通電阻,但襯底摻雜的提高會降低器件的耐壓。這顯然不是理想的改進辦法。
但是如果在MOSFET結構的基礎上引入一個雙極型BJT結構,就不僅能夠保留MOSFET原有優點,還可以通過BJT結構的少數載流子注入效應對n漂移區的電導率進行調制,從而有效降低n漂移區的電阻率,提高器件的電流能力。
經過后續不斷的改進,目前IGBT已經能夠覆蓋從600V—6500V的電壓范圍,應用涵蓋從工業電源、變頻器、新能源汽車、新能源發電到軌道交通、國家電網等一系列領域。IGBT憑借其高輸入阻抗、驅動電路簡單、開關損耗小等優點在龐大的功率器件世界中贏得了自己的一片領域。
壹芯微科技針對二三極管,MOS管作出了良好的性能測試,應用各大領域,如果您有遇到什么需要幫助解決的,可以點擊右邊的工程師,或者點擊銷售經理給您精準的報價以及產品介紹
工廠地址:安徽省六安市金寨產業園區
深圳辦事處地址:深圳市福田區寶華大廈A1428
中山辦事處地址:中山市古鎮長安燈飾配件城C棟11卡
杭州辦事處:杭州市西湖區文三西路118號杭州電子商務大廈6層B座
電話:13534146615
企業QQ:2881579535

深圳市壹芯微科技有限公司 版權所有 | 備案號:粵ICP備2020121154號