來源:壹芯微 發布日期
2020-03-14 瀏覽:-三極管自鎖電路怎么做
什么是自鎖電路
自鎖電路是電路中的一種,一旦按下開關,電路就能夠自動保持持續通電,直到按下其它開關使之斷路為止。在通常的電路中,按下開關,電路通電;松開開關,電路斷開。
兩個三極管自鎖電路工作原理
工作原理:相觸發導通自鎖、再觸發斷開。相當于代替二只中間繼電自鎖。三極管,全稱應為半導體三極管,也稱雙極型晶體管、晶體三極管,是一種電流控制電流的半導體器件·其作用是把微弱信號放大成幅度值較大的電信號,也用作無觸點開關。

三極管自鎖電路
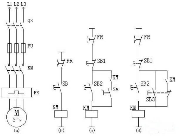
自鎖電路工作流程
啟動:電機啟動時,合上電源開關QS,接通整個控制電路電源。按下啟動按鈕其常開點閉合,接觸器線圈KM得電可吸合,并接在兩端的輔助常開同時閉合,
主回路中:主觸頭閉合使電動機接入三相交流電源啟動旋轉。
二次回路中:按鈕按下后把電送到KM線圈,KM輔助觸點接通后也為KM線圈供電,這樣就形成了兩路供電。
松開啟動按鈕時,雖然一路已經斷開,但KM線圈仍通過自身的輔助觸點這一通路保持給線圈通電,從而確保電機繼續運轉。
這種依靠接觸器自身常開輔助觸點而使其線圈保持通電的方式,稱為接觸器自鎖,也叫電氣自鎖。這對起自鎖作用的輔助常開觸點稱為自鎖觸點,這段電路稱為自鎖電路。

三極管自鎖電路
三極管自鎖電路:
本電路由三個三極管和二極管以及電阻組成。光敏三極管組成的帶自鎖功能的光控繼電器開關電路圖
讀完上面是不是對三極管自鎖電路有了很好的了解了呢,相信讀完之后都明白了,大家可以在閑暇時間制作一個簡單的三極管自鎖電路,相信你制作完成之后肯定能夠明白的更多。
壹芯微科技針對二三極管,MOS管作出了良好的性能測試,應用各大領域,如果您有遇到什么需要幫助解決的,可以點擊右邊的工程師,或者點擊銷售經理給您精準的報價以及產品介紹
工廠地址:安徽省六安市金寨產業園區
深圳辦事處地址:深圳市福田區寶華大廈A1428
中山辦事處地址:中山市古鎮長安燈飾配件城C棟11卡
杭州辦事處:杭州市西湖區文三西路118號杭州電子商務大廈6層B座
電話:13534146615
企業QQ:2881579535

深圳市壹芯微科技有限公司 版權所有 | 備案號:粵ICP備2020121154號