來源:壹芯微 發布日期
2020-06-17 瀏覽:-三款紅外接收二極管電路圖解
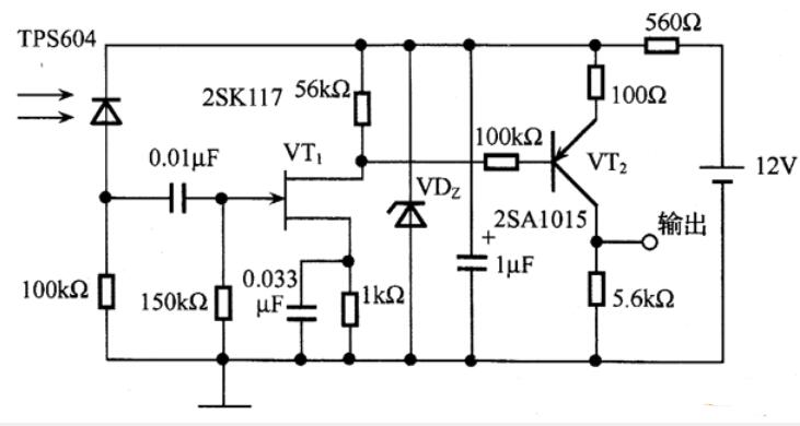
紅外接收二極管電路圖一:
如圖所示,圖是紅外線遙控接收裝置實例。紅外線傳感器有多種,這里選用光電二極管TPS604。工作原理簡介如下:光電二極管TPS604接收到被調制的紅外線的微弱信號,先經場效應晶體管VT1的前級放大,再經晶體管VT2進行適當的放大,由UT2的集電極輸出相應信號控制有關電路。VDZ穩壓管為+5V、VT1為3DJ6VT2為C8550。

紅外接收二極管電路圖二:

紅外接收二極管電路圖三:
左邊部分為發射頭D1的電路·,右邊的為接搜頭D2的電路,圖中的接收頭要反過來接(圖中接反了)。lm358的7腳接單片機。

壹芯微科技針對二三極管,MOS管作出了良好的性能測試,應用各大領域,如果您有遇到什么需要幫助解決的,可以點擊右邊的工程師,或者點擊銷售經理給您精準的報價以及產品介紹
工廠地址:安徽省六安市金寨產業園區
深圳辦事處地址:深圳市福田區寶華大廈A1428
中山辦事處地址:中山市古鎮長安燈飾配件城C棟11卡
杭州辦事處:杭州市西湖區文三西路118號杭州電子商務大廈6層B座
電話:13534146615
企業QQ:2881579535

深圳市壹芯微科技有限公司 版權所有 | 備案號:粵ICP備2020121154號