來源:壹芯微 發布日期
2019-05-17 瀏覽:-壹芯微作為國內專業生產二三極管的生產廠家,生產技術已經是非常的成熟,進口的測試儀器,可以很好的幫組到客戶朋友穩定好品質,也有專業的工程師在把控穩定質量,協助客戶朋友解決一直客戶自身解決不了的問題,每天會分享一些知識或者客戶的一些問題,今天我們分享的是,雙向mos管開關電路的兩種方法,請看下方
第一種方式:
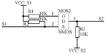
當你運用3.3V的單片機的時候,電平轉換就在所難免了,經常會遇到3.3轉5V或者5V轉3.3V的狀況,這里引見一個簡單的電路,它能夠完成兩個電平的互相轉換(注意是,雙向的,不是單向的!).電路非常簡單,僅由3個電阻加一個MOS管構成,電路圖如下:

上圖中,S1,S2為兩個信號端,VCC_S1和VCC_S2為這兩個信號的高電平電壓.
另外限制條件為:
1,VCC_S1<=VCC_S2.
2,S1的低電平門限大于0.7V左右(視NMOS內的二極管壓降而定)
3,Vgs<=VCC_S1.
4,Vds<=VCC_S2
關于3.3V和5V/12V等電路的互相轉換,NMOS管選擇AP2306即可.原理比擬簡單,大家自行剖析吧!此電路我已在多處應用,效果很好.

電路闡明如下:
電平轉換器的操作
在電平轉換器的操作中要思索下面的三種狀態:
1)沒有器件下拉總線線路。
“低電壓”局部的總線線路經過上拉電阻Rp 上拉至3.3V。 MOSFET 管的門極和源極都是3.3V, 所以它的VGS 低于閥值電壓,MOSFET 管不導通。這就允許“高電壓”局部的總線線路經過它的上拉電阻Rp 拉到5V。 此時兩局部的總線線路都是高電平,只是電壓電平不同。
2)一個3.3V 器件下拉總線線路到低電平。
MOSFET 管的源極也變成低電平,而門極是3.3V。 VGS上升高于閥值,MOSFET 管開端導通。然后“高電壓”局部的總線線路經過導通的MOSFET管被3.3V 器件下拉到低電平。此時,兩局部的總線線路都是低電平,而且電壓電平相同。
3)一個5V 的器件下拉總線線路到低電平。
MOSFET 管的漏極基底二極管“低電壓”局部被下拉直到VGS 超越閥值,MOSFET 管開端導通。“低電壓”局部的總線線路經過導通的MOSFET 管被5V 的器件進一步下拉到低電平。此時,兩局部的總線線路都是低電平,而且電壓電平相同。
這三種狀態顯現了邏輯電平在總線系統的兩個方向上傳輸,與驅動的局部無關。狀態1 執行了電平轉換功用。狀態2 和3 依照I2C 總線標準的請求在兩局部的總線線路之間完成“線與”的功用。
除了3.3V VDD1 和5V VDD2 的電源電壓外,還能夠是例如:2V VDD1 和10V VDD2。 在正常操作中,VDD2必需等于或高于VDD1( 在開關電源時允許VDD2 低于VDD1)
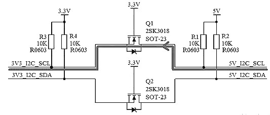
第二種方式:
主要闡述利用MOS管搭建的低成本方案,實現電平的雙向轉換,具體電路如下圖示:

以下分析其工作原理,因SCL與SDA兩條支路工作原理一致,故選取其中一條支路進行分析,如下分三種情況進行討論:
1)空閑狀態:

則有:

2)3.3V轉5V:

則有:

3)5V轉3.3V:

則有:

注:
因MOS管都存在開關速度問題,故此種形式的電平轉換電路速度不能過高,一般控制在1MHz以內;而對于標準模式100kbit/s 或快速模式400kbit/s的 I2C 總線,該電平轉換電路不存在任何限制問題。
壹芯微科技針對二三極管作出了良好的性能測試,應用各大領域,如果您有遇到什么需要幫助解決的,可以點擊右邊的工程師,或者點擊銷售經理給您精準的報價以及產品介紹
工廠地址:安徽省六安市金寨產業園區
深圳辦事處地址:深圳市福田區寶華大廈A1428
中山辦事處地址:中山市古鎮長安燈飾配件城C棟11卡
杭州辦事處:杭州市西湖區文三西路118號杭州電子商務大廈6層B座
電話:13534146615
企業QQ:2881579535

深圳市壹芯微科技有限公司 版權所有 | 備案號:粵ICP備2020121154號