來源:壹芯微 發布日期
2021-03-02 瀏覽:-用基極三極管BT33制作的觸摸開關燈電路圖

BT33管腳排列圖

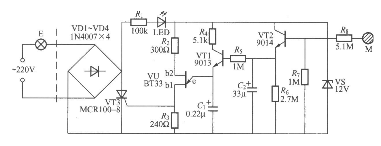
觸摸式漸暗延遲燈電路
本電路圖所用到的元器件:
MMCR100-8 9013 9014 BT33
觸摸式漸暗延遲燈電路如圖所示,電路特點:開燈時只要摸一下觸摸片,燈即亮,延遲數十秒后,燈不是馬上熄滅,而是逐漸變暗,直至熄滅。該觸摸開關對外也僅兩根引出線,可以直接取代普通燈開關,而不必更改室內原有布線。該電路每觸摸一次M,電燈可點亮45~60s左右,若想更改延遲時間,可以調整C1或R4值。
壹芯微科技針對二三極管,MOS管作出了良好的性能測試,應用各大領域,如果您有遇到什么需要幫助解決的,可以點擊右邊的工程師,或者點擊銷售經理給您精準的報價以及產品介紹
工廠地址:安徽省六安市金寨產業園區
深圳辦事處地址:深圳市福田區寶華大廈A1428
中山辦事處地址:中山市古鎮長安燈飾配件城C棟11卡
杭州辦事處:杭州市西湖區文三西路118號杭州電子商務大廈6層B座
電話:13534146615
企業QQ:2881579535

深圳市壹芯微科技有限公司 版權所有 | 備案號:粵ICP備2020121154號