來源:壹芯微 發布日期
2022-04-23 瀏覽:-74HC164的原理及作用解析|壹芯微
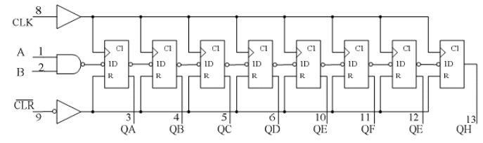
74HC164是高速硅門CMOS電路,管腳與低功耗肖特基TTL(LSTTL)系列兼容。74hc164是8位的串入并出、邊沿觸發的移位寄存器,串入數據由DSA、DSB輸入,在每個時鐘CP的上升沿數據向右移一位,數據由DSA和DSB相與而成,且在上升沿到來之前已滿足了建立時間。低電平有效的復位信號將直接把寄存器清零而輸出為低。兩個輸入端或者連接在一起,或者把不用的輸入端接高電平,一定不要懸空。
74HC164
時鐘(CP)每次由低變高時,數據右移一位,輸入到Q0,Q0是兩個數據輸入端(DSA和DSB)的邏輯與,它將上升時鐘沿之前保持一個建立時間的長度。
主復位(MR)輸入端上的一個低電平將使其它所有輸入端都無效,同時非同步地清除寄存器,強制所有的輸出為低電平。
1.特性
(1)門控串行數據輸入。
(2)異步中央復位。
(3)符合JEDEC標準no.7A。
(4)靜電放電(ESD)保護:
.HBMEIA/JESD22-A114-B超過2000V。
.MMEIA/JESD22-A115-A超過200V。
(5)多種封裝形式。
(6)額定從-40°C至+85°C和-40°C至+125°C。
(7)較寬的工作電壓:2~6V
(8)相與的串行輸入,直接的清零信號
(9)輸出能驅動10個LSTTL負載
2.引腳功能
(1)74HC164引腳圖

(2)74HC164引腳功能
引腳功能表
3.工作原理
74HC164工作原理即等同于移位寄存器

F0、F1、F2、F3是四個邊沿觸發的D觸發器,每個觸發器的輸出端Q接到右邊一個觸發器的輸入端D。因為從時鐘信號CP的上升沿加到觸發器上開始到輸出端新狀態穩定地建立起來有一段延遲時間,所以當時鐘信號同時加到四個觸發器上時,每個觸發器接收的都是左邊一個觸發器中原來的數據(F0接收的輸入數據D1)。寄存器中的數據依次右移一位。
4.作用
(1)邏輯功能:74hc164是8位移位寄存器
移位寄存器是一種存儲器,存在里邊的數據可以從低位向高位移動或從高位向低位移動。
例如一個8位的移位寄存器,存在其中的數據為11001010,如果向左(高位)移動一次,就變成1001010X,原來的最高位的1移出,最低位的X可以是新移入的數據,也可以是0(不同型號的移位寄存器對此有不同的規定)。
(2)附加功能:74hc164能把輸入的串行數據轉為并行輸出,應用可以驅動數碼管,2片164或多片級聯可以擴展輸出端口驅動多個數碼管靜態顯示,不過多片級聯時需輸出多字節數據
5.真值表

H=HIGH(高)電平
h=先于低-至-高時鐘躍變一個建立時間(set-upTIme)的HIGH(高)電平
L=LOW(低)電平
l=先于低-至-高時鐘躍變一個建立時間(set-upTIme)的LOW(低)電平
q=小寫字母代表先于低-至-高時鐘躍變一個建立時間的參考輸入(referencedinput)的狀態
↑=低-至-高時鐘躍變
6.內部框圖

7.時序圖

8.極限參數
(1)直流電壓VDD:l-0.5V——7V
(2)輸入鉗位電流:-20MA—20MA
(3)輸出鉗位電流:-20MA—20MA
(4)連續輸出電流:-25MA—25MA
(5)通過VCC或GND的電流:-50MA—50MA
(6)引腳焊接溫度:+265度
9.使用步驟
第一步:目的:將要準備輸入的位數據移入74HC595數據輸入端上。
方法:送位數據到_595。
第二步:目的:將位數據逐位移入74HC595,即數據串入
方法:SCK_595產生一上升沿,將PSI_595上的數據移入74HC595中.從低到高
第三步:目的:并行輸出數據。即數據并出
方法:P1.1產生一上升沿,將由SI_595上已移入數據寄存器中的數據送入到輸出鎖存器。
說明:從上可分析:從SCK_595產生一上升沿(移入數據)和RCK_595產生一上升沿(輸出數據)是二個獨立過程,實際應用時互不干擾。即可輸出數據的同時移入數據。
程序如下,復制就能用。
sbitSI_595=P2^0;
sbitRCK_595=P2^2;
sbitSCK_595=P2^1;
voidHC595SendData(unsignedcharSendVal)//發送數據
{
unsignedchari;
for(i=0;i<8;i)
{
if((SendVal<
elseSI_595=0;
SCK_595=0;//從SCK_595產生一上升沿(移入數據)
_nop_();
_nop_();
SCK_595=1;
}
}
voidHC595ShowData()//RCK_595產生一上升沿(輸出數據)
{
RCK_595=0;
_nop_();
_nop_();
RCK_595=1;
}
深圳壹芯微科技,20年專業生產“二極管、三極管、場效應管、橋堆”等,專業生產管理團隊對品質流程嚴格管控,超過4800家電路電器生產企業選用合作,價格低于同行(20%),更具性價比,提供選型替代,送樣測試,數據手冊,技術支持,售后FEA,如需了解更多詳情或最新報價,歡迎咨詢官網在線客服!
手機號/微信:13534146615
QQ:2881579535
工廠地址:安徽省六安市金寨產業園區
深圳辦事處地址:深圳市福田區寶華大廈A1428
中山辦事處地址:中山市古鎮長安燈飾配件城C棟11卡
杭州辦事處:杭州市西湖區文三西路118號杭州電子商務大廈6層B座
電話:13534146615
企業QQ:2881579535

深圳市壹芯微科技有限公司 版權所有 | 備案號:粵ICP備2020121154號