來源:壹芯微 發布日期
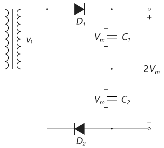
2023-02-15 瀏覽:-二極管加電容還有一個比較經典的用法就是倍壓電路(voltage-multiplier circuits),這個以前在電視機和顯像管中比較常用,現在用得比較少了,我們稍微了解一下即可。簡單來說,倍壓電路可以將輸出電壓變為輸入電壓峰值Vm的2倍。其電路圖如下所示
圖 2-6.01
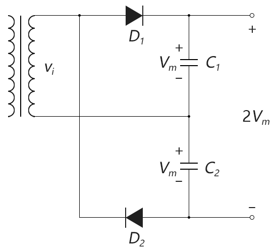
當輸入電壓vi處于正半周時,二極管D1導通,D2截止,輸入電壓對電容C1充電至Vm,充電回路如下圖所示:
圖 2-6.02
當輸入電壓vi處于負半周時,二極管D2導通,D1截止,輸入電壓對電容C2成電至Vm,充電回路如下圖所示。此時,由于C1被二極管D1所阻擋而無法放電,C1電壓維持在Vm。
圖 2-6.03
最終,輸出電壓即為電容C1和C2上的電壓總和:2Vm。當沒有接負載時,由于電容無法放電,整個電路的輸出電壓即可維持在2Vm,達到倍壓輸出效果,如下圖所示:
圖 2-6.04
除此之外,還有3倍壓、4倍壓電路
壹芯微科技專注于“二,三極管、MOS(場效應管)、橋堆”研發、生產與銷售,20年行業經驗,擁有先進全自動化雙軌封裝生產線、高速檢測設備等,研發技術、芯片源自臺灣,專業生產流程管理及工程團隊,保障所生產每一批物料質量穩定和更長久的使用壽命,實現高度自動化生產,大幅降低人工成本,促進更好的性價比優勢!選擇壹芯微,還可為客戶提供參數選型替代,送樣測試,技術支持,售后服務等,如需了解更多詳情或最新報價,歡迎咨詢官網在線客服!
手機號/微信:13534146615
QQ:2881579535
工廠地址:安徽省六安市金寨產業園區
深圳辦事處地址:深圳市福田區寶華大廈A1428
中山辦事處地址:中山市古鎮長安燈飾配件城C棟11卡
杭州辦事處:杭州市西湖區文三西路118號杭州電子商務大廈6層B座
電話:13534146615
企業QQ:2881579535

深圳市壹芯微科技有限公司 版權所有 | 備案號:粵ICP備2020121154號