來源:壹芯微 發布日期
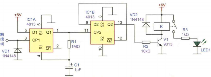
2022-12-16 瀏覽:-這是一個用4013組成的觸摸開關電路,只要用手觸摸一次開關即可接通,再觸摸一次開關斷開。電路原理圖見下圖所示。
由于CMOS電路的輸入端均為場效應管結構,而場效應管是一種電壓控制元件,它有極高的輸入阻抗,約幾十兆歐。它的輸入端幾乎不消耗電流,因此只要用手觸摸,人體產生的微弱感應電壓就足可以使電路翻轉。
在本電路中,IC1A與R1、C1組成單穩態觸發器,用來執行延時和消除觸摸時的干擾和抖動。電路輸入端第3腳所加的二極管VD1為輸入端保護二極管,用來泄放積累的電荷和過高的反向電壓。IC1B接成雙穩態觸發器形式,用來控制繼電器K的接通與斷開。當用手觸摸4013的第3腳時,人體的感應信號送入
ICIA的CP1端,IC1A觸發翻轉,Q1將輸出高電平,該高電平一路送入ICIB的 CP2端,使ICIB觸發翻轉,Q2(第13腳)輸出高電平,經過R2送入V1的基 極,驅動繼電器K吸合,LED1點亮,表明開關已經接通。另一路通過電阻Rl 向電容C1充電,由于電容兩端電壓不能突變,此時IClA的Q1高電平加至R1 端(第4腳),使得ICIA復位,Q1輸出恢復為低電平,ICIB的CP端(第11腳) 也為低電平。C1經過一小段時間充滿電后,R1(第4腳)恢復為低電平,IC1A 恢復為穩態,等待下次觸發。
由于ICIB是雙穩態觸發器,當ICIA再次被觸發時,CP2端(第11腳)將再次輸入高電平信號,IC1B再次翻轉,Q2(第13腳)將變為低電平,繼電器 K斷開,LED1熄滅。完成一次開、關轉換過程。
壹芯微科技專注于“二,三極管、MOS(場效應管)、橋堆”研發、生產與銷售,20年行業經驗,擁有先進全自動化雙軌封裝生產線、高速檢測設備等,研發技術、芯片源自臺灣,專業生產流程管理及工程團隊,保障所生產每一批物料質量穩定和更長久的使用壽命,實現高度自動化生產,大幅降低人工成本,促進更好的性價比優勢!選擇壹芯微,還可為客戶提供參數選型替代,送樣測試,技術支持,售后服務等,如需了解更多詳情或最新報價,歡迎咨詢官網在線客服!
手機號/微信:13534146615
QQ:2881579535
工廠地址:安徽省六安市金寨產業園區
深圳辦事處地址:深圳市福田區寶華大廈A1428
中山辦事處地址:中山市古鎮長安燈飾配件城C棟11卡
杭州辦事處:杭州市西湖區文三西路118號杭州電子商務大廈6層B座
電話:13534146615
企業QQ:2881579535

深圳市壹芯微科技有限公司 版權所有 | 備案號:粵ICP備2020121154號