來源:壹芯微 發布日期
2023-06-15 瀏覽:-電路分享:自舉電路與SAR-ADC電路解析
一、自舉電路
此電路用在各種ADC之前的采樣電路,可以讓ADC實現軌到軌的輸入,采樣電路的工作電壓超過Vdd,極大的減少了設置時間,而且幾乎沒有可靠性的問題。電路里沒有任何一個器件是可以被減少或者改變位置的。此電路直接使得ADC的發展往前躍進了一大步,現在幾乎成為了除ΔΣ之外各種ADC的標配,是歷史上最經典的模擬電路之一。當然,電路原理也不是很好理解。
工作波形看起來比較舒服:
一個神奇的電流源
輸入“任意”電流(合理大小的任意電流值),輸出都大約是2*ln8*Vt/R。
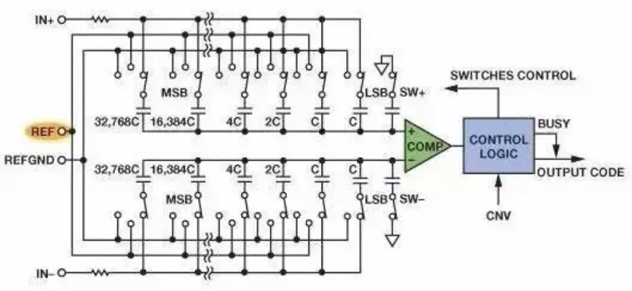
二、SAR-ADC
1、工作原理如下:
比較器會在每個時鐘沿對電容上的電壓和地作比較,由此來決定下一個電容是否接入電路,實質上就是用二分法來逼近某個未知電壓。
2、電容端電壓變化
壹芯微科技專注于“二,三極管、MOS(場效應管)、橋堆”研發、生產與銷售,20年行業經驗,擁有先進全自動化雙軌封裝生產線、高速檢測設備等,研發技術、芯片源自臺灣,專業生產流程管理及工程團隊,保障所生產每一批物料質量穩定和更長久的使用壽命,實現高度自動化生產,大幅降低人工成本,促進更好的性價比優勢!選擇壹芯微,還可為客戶提供參數選型替代,送樣測試,技術支持,售后服務等,如需了解更多詳情或最新報價,歡迎咨詢官網在線客服!
手機號/微信:13534146615
QQ:2881579535
工廠地址:安徽省六安市金寨產業園區
深圳辦事處地址:深圳市福田區寶華大廈A1428
中山辦事處地址:中山市古鎮長安燈飾配件城C棟11卡
杭州辦事處:杭州市西湖區文三西路118號杭州電子商務大廈6層B座
電話:13534146615
企業QQ:2881579535

深圳市壹芯微科技有限公司 版權所有 | 備案號:粵ICP備2020121154號