來源:壹芯微 發布日期
2020-07-07 瀏覽:-電源線接反了也不會燒壞電路
引言:通常我們的電子產品,供電一般只有兩根線,電源正極(紅線)與負極(黑線),通常負極為GND。為了防止用戶將正負極接反,電源接口都會做防呆處理,比如接口做成梯形或者開個缺口,反了不容易插進:

但你真的永遠不知道你的產品用戶是小白還是萌妹還是歐巴桑,最終,這些防接反設計還是被突破了,被暴力插了進去…插進去了…對于一些工控類產品,更是只提供接線端子的方式,雖然在外殼和端子上有標識出正負極,但總難免會出現粗心大意的時候。
要是電路中有一些精密昂貴的芯片,因為電源接線錯誤導致燒壞可就得不償失了。
所以,還有沒有其他更加“智能”防反接的辦法?
答案肯定的。
為了更大限度的保護我們的產品,我們會在PCB的電源輸入部分設計極性防接反保護電路。讓用戶在插反時也不至于燒電路。
一、電源防反接的意義:
電源反接是指將電源正負接反,電路不能正常工作,甚至燒壞其中的關鍵元器件。通常我們使用一些防呆的連接器/座子來防止插反,如果像是排針等,或者做線線序不按常規設計(比如不按常規黑線供電,紅線接地),或者插拔百十次很難保證沒有那么一兩次不會插反,如果加之使用的元器件比較昂貴,所以研究防反接電路就變得很有必要了。我們在設計中加入保護電路,達到即使接反電源,也不會損壞的目的。
二、電源防反接電路
一般可以使用在電源的正極串入一個二極管解決,不過,由于二極管有壓降,會給電路造成不必要的損耗,尤其是電池供電場合,本來電池電壓就3.7V,使用二極管降了0.7V,試想如果工作電流為1A,那么在二極管上損耗的就有0.7W,使得電池使用時間大減。改良電路可以使用肖特基二極管SBD。
MOS管防反接,優點就是DS之間導通壓降小,小到幾乎可以忽略不計。現在的MOS管Rds可以做到幾十毫歐級甚至幾豪歐級別的內阻,比如是50毫歐,通過的電流為1A,在MOS管上面的壓降只有50毫伏(遠小于體二極管壓降)。
由于MOS管越來越便宜,所以各類產品設計中逐漸開始使用MOS管防電源反接。
下面依次對各個電路做一個介紹。
使用二極管

二極管防反接利用的是二極管單向導通的原理,圖中使用的是肖特基二極管。反接時因為二極管截止電流無法形成回流導致電路將無法工作。
該電路簡單,缺點是二極管壓降0.7V,如果流過電流1A,將產生0.7W的功耗,不太適用于對功耗有要求的場合。
2. 使用NMOS管防反接電路

以圖中NMOS型號為AO3400為例,從規格書中可以看出AO3400的導通閾值Vth為0.5V~1.2V,典型值為0.7V。Rds為50毫歐(Rds為D級和S級之間的電阻)。為了便于分析電路的具體工作情況,假設供電為5V(其他電壓,如3.3V/12V/24V供電分析類似)
1. 當插座J7的PIN1接入電源正極,PIN2接入電源負極時,通電開始因為MOS管內體二極管導通,源級電壓Vs=0.7V,Vgs=Vg-Vs=5V-0.7V>Vth,NMOS管導通,Vs與Vd形成通路,電路正常工作。體二極管因為ds導通被旁路,源級電壓Vs=Rds*I(I為流通的電流大小,Rds為D級和S級之間的電阻)
補充旁路的含義:就好比一個1K的電阻,并聯了一個10R的電阻,如果接入電壓5V,那么流過1K電阻的電流為1mA,流過10R電阻的電流為500mA,由此可以看出電流將主要通過低電阻流通。
2. 當插座J7的PIN1接入電源負極,PIN2接入電源正極時,源級因為體二極管截止,Vgs=0V <Vth,NMOS管截止,Vs與Vd斷路,電路未形成回流,無法正常工作。
3. 使用PMOS管

以圖中PMOS型號為AO3401為例,從規格書中可以看出AO3401的導通閾值Vth為-0.5V到-1.4V,典型值為-0.7V。Rds為60毫歐
1. 當插座J5的PIN1接入電源正極,PIN2接入電源負極時,一開始Vs因為MOS管內部體二極管導通Vs=Vd-0.7,Vg=0V那么Vgs=Vg-Vs=0-Vd+0.7=-4.3V <Vth(-0.7V),PMOS管導通,Vd與Vs進一步形成通路,電路正常工作。此時體二極管被漏-源級DS導通而旁路,Vds的壓降為Rds*I(I為流過的電流值),AO3401的Rds約為60mΩ,假設流過的電流為1A那么Vds壓降為60mV,這個值非常小,要求不敏感場合,可以近似認為MOS管基本上沒有損耗。
2. 當插座J5的PIN1接入電源負極,PIN2接入電源正極時,Vgs>Vth,PMOS管截止,Vd與Vs斷路,電路未形成回流,無法正常工作。
因為NMOS管Rds一般小于PMOS管的Rds,從這個角度看NMOS防反接電路優于PMOS防反接電路。
三:正反可用的電路
本專欄名為物聯網智能硬件,可是硬件“智能”在何處?
于是有人提出疑問了:能否實現不管正接還是反接都可以正常工作?
答案是肯定的,電路圖如下:
使用肖特基二極管搭的整流橋電路可以使電源不管正接還是反接都可以正常工作。

但是該電路,與文首介紹的電路都存在二極管有功耗的問題。
我們仔細分析二極管整流橋電路可以發現,電路工作時,總是有2個二極管正向導通,另外2個二極管反向截止。而我們知道MOS管也能工作于兩個開關狀態:導通和截止。所以問題又來了:
可以用MOS管替換整流橋中的二極管,設計一個電源正接可以正常工作,要是電源反接也可以正常工作的電路?
Yep~~
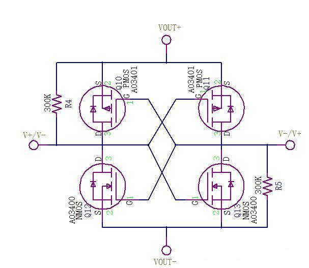
使用MOS管搭建的正反接電路如下:

該電路主要由2個PMOS和2個NMOS構成“類似”H橋的電路。電路左右兩端為輸入端,上下兩端為輸出端。
1. 左邊接正級,右邊接負級:
右下角 NMOS管Q13柵級Vg為正,Vs為負,Vgs>Vth,NMOS管導通,VOUT-接近右邊負級電平。
右上角PMOS管Vgs為0>Vth,PMOS管截止。
左上角PMOS管Vgs為負<Vth,PMOS管導通,VOUT+接近左邊正級電平。
左下角NMOS管Vgs為0<Vth,NMOS管截止。
兩個電阻的作用使電路更趨于穩態。
2. 左邊接負級,右邊接正級:
分析同理。
由此可以看出不管正反如何接,VOUT+輸出都為正,VOUT-輸出都為負。值得說明的是該電路也可應用于電池充電,VOUT+接充電芯片正輸出端,VOUT-接充電芯片負輸出端,不管電池正極接左邊還是右邊都可以給電池正常充電。
補充內容:
1. NMOS管導通條件(注意Vth為正壓):
1.1 Vgs>Vth,NMOS管導通,等效于開關閉合;

VIN=5V,Vgs=5V, Vth=0.7V,5V>0.7V,即Vgs>Vth,NMOS導通。
1.2 Vgs<Vth,NMOS管截止,等效于開關斷開。

VIN=0V,Vgs=0V, Vth=0.7V,0V<0.9V,即Vgs<Vth,NMOS截止。
2. PMOS管導通條件(注意Vth為負壓):
2.1 Vgs>Vth,PMOS管截止,等效于開關斷開;

VIN=5V,Vgs=0V, Vth=-0.7V,0V>-0.7V,即Vgs>Vth,PMOS截止。
2.2 Vgs<Vth,PMOS管導通,等效于開關閉合。
VIN=5V,Vgs=-5V, Vth=-0.7V,-5<-0.7V,即Vgs<Vth,PMOS導通。
基本數學知識舉例:
5V>0.7V
0V<0.7V
0V>-0.7V
-5V<-0.7V
壹芯微科技針對二三極管,MOS管作出了良好的性能測試,應用各大領域,如果您有遇到什么需要幫助解決的,可以點擊右邊的工程師,或者點擊銷售經理給您精準的報價以及產品介紹
工廠地址:安徽省六安市金寨產業園區
深圳辦事處地址:深圳市福田區寶華大廈A1428
中山辦事處地址:中山市古鎮長安燈飾配件城C棟11卡
杭州辦事處:杭州市西湖區文三西路118號杭州電子商務大廈6層B座
電話:13534146615
企業QQ:2881579535

深圳市壹芯微科技有限公司 版權所有 | 備案號:粵ICP備2020121154號