來源:壹芯微 發布日期
2020-07-07 瀏覽:-變頻器工作原理知識
要想做好變頻器維修,當然了解變頻器基礎知識是相當重要的,也是迫不及待的。下面我們就來分享一下變頻器維修基礎知識。大家看完后,如果有不正確地方,望您指正,如果覺得還行支持一下,給我一些鼓動!變頻器維修入門--電路分析圖 對于變頻器修理,僅了解以上基本電路還遠遠不夠的,還須深刻了解以下主要電路。主回路主要由整流電路、限流電路、濾波電路、制動電路、逆變電路和檢測取樣電路部分組成。下圖是它的結構圖。

圖1.1
變頻器基本電路圖分析
目前,通用型變頻器絕大多數是交—直—交型變頻器,通常尤以電壓器變頻器為通用,其主回路圖(見圖1.1),它是變頻器的核心電路,由整流回路(交—直交換),直流濾波電路(能耗電路)及逆變電路(直—交變換)組成,當然還包括有限流電路、制動電路、控制電路等組成部分。

圖1.2
1)整流電路
如圖1.2所示,通用變頻器的整流電路是由三相橋式整流橋組成。它的功能是將工頻電源進行整流,經中間直流環節平波后為逆變電路和控制電路提供所需的直流電源。三相交流電源一般需經過吸收電容和壓敏電阻網絡引入整流橋的輸入端。網絡的作用,是吸收交流電網的高頻諧波信號和浪涌過電壓,從而避免由此而損壞變頻器。當電源電壓為三相380V時,整流器件的最大反向電壓一般為1200—1600V,最大整流電流為變頻器額定電流的兩倍。
2)濾波電路
逆變器的負載屬感性負載的異步電動機,無論異步電動機處于電動或發電狀態,在直流濾波電路和異步電動機之間,總會有無功功率的交換,這種無功能量要靠直流中間電路的儲能元件來緩沖。同時,三相整流橋輸出的電壓和電流屬直流脈沖電壓和電流。為了減小直流電壓和電流的波動,直流濾波電路起到對整流電路的輸出進行濾波的作用。
通用變頻器直流濾波電路的大容量鋁電解電容,通常是由若干個電容器串聯和并聯構成電容器組,以得到所需的耐壓值和容量。另外,因為電解電容器容量有較大的離散性,這將使它們隨的電壓不相等。因此,電容器要各并聯一個阻值等相的勻壓電阻,消除離散性的影響,因而電容的壽命則會嚴重制約變頻器的壽命。
3)逆變電路
逆變電路的作用是在控制電路的作用下,將直流電路輸出的直流電源轉換成頻率和電壓都可以任意調節的交流電源。逆變電路的輸出就是變頻器的輸出,所以逆變電路是變頻器的核心電路之一,起著非常重要的作用。
最常見的逆變電路結構形式是利用六個功率開關器件(GTR、IGBT、GTO等)組成的三相橋式逆變電路,有規律的控制逆變器中功率開關器件的導通與關斷,可以得到任意頻率的三相交流輸出。
通常的中小容量的變頻器主回路器件一般采用集成模塊或智能模塊。智能模塊的內部高度集成了整流模塊、逆變模塊、各種傳感器、保護電路及驅動電路。如三菱公司生產的IPMPM50RSA120,富士公司生產的7MBP50RA060,西門子公司生產的BSM50GD120等,內部集成了整流模塊、功率因數校正電路、IGBT逆變模塊及各種檢測保護功能。模塊的典型開關頻率為20KHz,保護功能為欠電壓、過電壓和過熱故障時輸出故障信號燈。
逆變電路中都設置有續流電路。續流電路的功能是當頻率下降時,異步電動機的同步轉速也隨之下降。為異步電動機的再生電能反饋至直流電路提供通道。在逆變過程中,寄生電感釋放能量提供通道。另外,當位于同一橋臂上的兩個開關,同時處于開通狀態時將會出現短路現象,并燒毀換流器件。所以在實際的通用變頻器中還設有緩沖電路等各種相應的輔助電路,以保證電路的正常工作和在發生意外情況時,對換流器件進行保護 .
4)驅動電路
驅動電路是將主控電路中CPU產生的六個PWM信號,經光電隔離和放大后,作為逆變電路的換流器件(逆變模塊)提供驅動信號。
對驅動電路的各種要求,因換流器件的不同而異。同時,一些開發商開發了許多適宜各種換流器件的專用驅動模塊。有些品牌、型號的變頻器直接采用專用驅動模塊。但是,大部分的變頻器采用驅動電路。從修理的角度考慮,這里介紹較典型的驅動電路。圖二是較常見的驅動電路(驅動電路電源見圖2.3)。


驅動電路由隔離放大電路、驅動放大電路和驅動電路電源組成。三個上橋臂驅動電路是三個獨立驅動電源電路,三個下橋臂驅動電路是一個公共的驅動電源電路。
5)保護電路
當變頻器出現異常時,為了使變頻器因異常造成的損失減少到最小,甚至減少到零。每個品牌的變頻器都很重視保護功能,都設法增加保護功能,提高保護功能的有效性。
在變頻器保護功能的領域,廠商可謂使盡解數,作好文章。這樣,也就形成了變頻器保護電路的多樣性和復雜性。有常規的檢測保護電路,軟件綜合保護功能。有些變頻器的驅動電路模塊、智能功率模塊、整流逆變組合模塊等,內部都具有保護功能。
圖四所示的電路是較典型的過流檢測保護電路。由電流取樣、信號隔離放大、信號放大輸出三部分組成。

6)開關電源電路
開關電源電路向操作面板、主控板、驅動電路及風機等電路提供低壓電源。圖五富士G11型開關電源電路組成的結構圖。

直流高壓P端加到高頻脈沖變壓器初級端,開關調整管串接脈沖變壓器另一個初級端后,再接到直流高壓N端。開關管周期性地導通、截止,使初級直流電壓換成矩形波。由脈沖變壓器耦合到次級,再經整流濾波后,獲得相應的直流輸出電壓。它又對輸出電壓取樣比較,去控制脈沖調寬電路,以改變脈沖寬度的方式,使輸出電壓穩定。
7)主控板上通信電路
當變頻器由可編程(PLC)或上位計算機、人機界面等進行控制時,必須通過通信接口相互傳遞信號。圖六是LG變頻器的通訊接口電路。

頻器通信時,通常采用兩線制的RS485接口。西門子變頻器也是一樣。兩線分別用于傳遞和接收信號。變頻器在接收到信號后傳遞信號之前,這兩種信號都經過緩沖器A1701、75176B等集成電路,以保證良好的通信效果。
所以,變頻器主控板上的通信接口電路主要是指這部分電路,還有信號的抗干擾電路。
8)外部控制電路
變頻器外部控制電路主要是指頻率設定電壓輸入,頻率設定電流輸入、正轉、反轉、點動及停止運行控制,多檔轉速控制。頻率設定電壓(電流)輸入信號通過變頻器內的A/D轉換電路進入CPU。其他一些控制通過變頻器內輸入電路的光耦隔離傳遞到CPU中。
在下面文章中,上傳了有關變頻器的維修知識供大家分享!
根據大家對我的提議以及對我的支持,現在將一些變頻器最基本,基礎的知識貢獻給大家
變頻器開關電源電路, 變頻器開關電源主要包括輸入電網濾波器、輸入整流濾波器、變換器、輸出整流濾波器、控制電路、保護電路。我們公司產品開關電源電路如下圖,是由UC3844組成的開關電路:開關電源主要有以下特點: 1,體積小,重量輕:由于沒有工頻變頻器,所以體積和重量吸有線性電源的20~30% 2,功耗小,效率高:功率晶體管工作在開關狀態,所以晶體管的上功耗小,轉化效率高,一般為60~70%,而線性電源只有30~40%

二極管限幅電路
限幅器是一個具有非線性電壓傳輸特性的運放電路。其特點是:當輸入信號電壓在某一范圍時,電路處于線性放大狀態,具有恒定的放大倍數,而超出此范圍,進入非線性區,放大倍數接近于零或很低。在變頻器電路設計中要求也是很高的,要做一個好的變頻器維修技術員,了解它也相當重要。 1、 二極管并聯限幅器電路圖如下所示:

2、二極管串聯限幅電路如下圖所示:

9)變頻器控制電路組成
如下圖所示,控制電路由以下電路組成:頻率、電壓的運算電路、主電路的電壓、電流檢測電路、電動機的速度檢測電路、將運算電路的控制信號進行放大的驅動電路,以及逆變器和電動機的保護電路。

在圖 1點劃線內,無速度檢測電路為開環控制。在控制電路增加了速度檢測電路,即增加速度指令,可以對異步電動機的速度進行控制更精確的閉環控制。
1)運算電路將外部的速度、轉矩等指令同檢測電路的電流、電壓信號進行比較運算,決定逆變器的輸出電壓、頻率。
2)電壓、電流檢測電路 與主回路電位隔離檢測電壓、電流等。 3)驅動電路 為驅動主電路器件的電路,它與控制電路隔離使主電路器件導通、關斷。
4)I/0輸入輸出電路 為了變頻器更好人機交互,變頻器具有多種輸入信號的輸入 (比如運行、多段速度運行等)信號,還有各種內部參數的輸出“比如電流、頻率、保護動作驅動等)信號。
5)速度檢測電路 以裝在異步電動軸機上的速度檢測器 (TG、PLG等)的信號為速度信號,送入運算回路,根據指令和運算可使電動機按指令速度運轉。
6)保護電路 檢測主電路的電壓、電流等,當發生過載或過電壓等異常時,為了防止逆變器和異步電動機損壞,使逆變器停止工作或抑制電壓、電流值。
逆變器控制電路中的保護電路,可分為逆變器保護和異步電動機保護兩種,保護功能如下
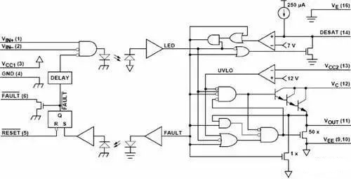
變頻器驅動電路的HCPL-316J特性 HCPL-316J是由Agilent公司生產的一種IGBT門極驅動光耦合器,其內部集成集電極發射極電壓欠飽和檢測電路及故障狀態反饋電路,為驅動電路的可靠工作提供了保障。其特性為:兼容CMOS/TYL電平;光隔離,故障狀態反饋;開關時間最大500ns;“軟”IGBT關斷;欠飽和檢測及欠壓鎖定保護;過流保護功能;寬工作電壓范圍(15~30V);用戶可配置自動復位、自動關閉。 DSP與該耦合器結合實現IGBT的驅動,使得IGBT VCE欠飽和檢測結構緊湊,低成本且易于實現,同時滿足了寬范圍的安全與調節需要。 HCPL-316J保護功能的實現 HCPL-316J內置豐富的IGBT檢測及保護功能,使驅動電路設計起來更加方便,安全可靠。
其中下面詳述欠壓鎖定保護(UVLO) 和過流保護兩種保護功能的工作原理:
(1)IGBT欠壓鎖定保護(UVLO)功能
在剛剛上電的過程中,芯片供電電壓由0V逐漸上升到最大值。如果此時芯片有輸出會造成IGBT門極電壓過低,那么它會工作在線性放大區。HCPL316J芯片的欠壓鎖定保護的功能(UVLO)可以解決此問題。當VCC與VE之間的電壓值小于12V時,輸出低電平,以防止IGBT工作在線性工作區造成發熱過多進而燒毀。示意圖詳見圖1中含UVLO部分。

圖1 HCPL-316J內部原理圖
(2)IGBT過流保護功能
HCPL-316J具有對IGBT的過流保護功能,它通過檢測IGBT的導通壓降來實施保護動作。同樣從圖上可以看出,在其內部有固定的7V電平,在檢測電路工作時,它將檢測到的IGBT C~E極兩端的壓降與內置的7V電平比較,當超過7V時,HCPL-316J芯片輸出低電平關斷IGBT,同時,一個錯誤檢測信號通過片內光耦反饋給輸入側,以便于采取相應的解決措施。在IGBT關斷時,其C~E極兩端的電壓必定是超過7V的,但此時,過流檢測電路失效,HCPL-316J芯片不會報故障信號。實際上,由于二極管的管壓降,在IGBT的C~E 極間電壓不到7V時芯片就采取保護動作。

整個電路板的作用相當于一個光耦隔離放大電路。它的核心部分是芯片HCPL-316J,其中由控制器(DSP-TMS320F2812)產生XPWM1及XCLEAR*信號輸出給HCPL-316J,同時HCPL-316J產生的IGBT故障信號FAULT*給控制器。同時在芯片的輸出端接了由NPN和PNP組成的推挽式輸出電路,目的是為了提高輸出電流能力,匹配IGBT驅動要求。
當HCPL-316J輸出端VOUT輸出為高電平時,推挽電路上管(T1)導通,下管(T2)截止, 三端穩壓塊LM7915輸出端加在IGBT門極(VG1)上,IGBT VCE為15V,IGBT導通。當HCPL-316J輸出端VOUT輸出為低電平時,上管(T1)截止,下管(T1)導通,VCE為-9V,IGBT關斷。以上就是IGBT的開通關斷過程。
壹芯微科技針對二三極管,MOS管作出了良好的性能測試,應用各大領域,如果您有遇到什么需要幫助解決的,可以點擊右邊的工程師,或者點擊銷售經理給您精準的報價以及產品介紹
工廠地址:安徽省六安市金寨產業園區
深圳辦事處地址:深圳市福田區寶華大廈A1428
中山辦事處地址:中山市古鎮長安燈飾配件城C棟11卡
杭州辦事處:杭州市西湖區文三西路118號杭州電子商務大廈6層B座
電話:13534146615
企業QQ:2881579535

深圳市壹芯微科技有限公司 版權所有 | 備案號:粵ICP備2020121154號