來源:壹芯微 發布日期
2023-05-12 瀏覽:-FET差分式放大電路的圖文介紹
差分放大電路圖:
差分放大電路圖
差異概念:
1. 差動放大電路一般有兩個輸入端:
單端輸入——僅從一個輸入端對地加信號。
雙端輸入——從兩輸入端同時加信號。
2. 差動放大電路可以有兩個輸出端。
雙端輸出——從d1 和d2輸出。
單端輸出——從d1或d2 對地輸出。
3.差模信號與共模信號
共模信號大小相等,相位相同; 差模信號大小相等,相位相反。
差分電路信號等效為一對共模信號和一對差模信號之和。
差模電壓增益,共模電壓增益以及總輸出電壓見下圖:
4.共模抑制比
共模抑制比反映抑制零漂能力的指標。
共模抑制比K計算公式詳細見下圖:
共模抑制比
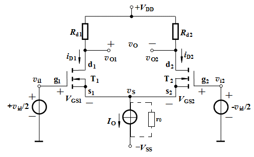
FET差分式放大電路:
1.電路結構
特點:結構對稱,參數對稱。 
差放電路結構
2.工作原理
靜態時:Vi1 = Vi2 = 0
可推導出下圖結論,
動態時:僅輸入差模信號
因公式和圖形太多不好書寫,詳細見下圖
差模電壓增益:
Vi1和Vi2大小相等,相位相反,使Id1增加量和Id2減小量抵消,流過恒流源的變化電流為零,所以在電流源內阻r0上交流壓降為零,可看為交流短路到地。
差模交流通路
因此,差模交流通路可以化簡如下:
可以推導出差模電壓增益如下圖所示:
結論:雙倍的元器件換取抑制零漂的能力
差模輸入電阻:
R~ ~i= ∞
差模輸出電阻:
兩個漏極之間看進去的等效電阻:Ro = Rd1 +Rd2
更精確點是 :Ro = rds1 || Rd1 +rds2 || Rd2
從下圖可以計算方便看出輸入輸出電阻:
經過上面的分析可以總結出:
1.Vi1和Vi2大小相等,相位相同。 Vo1和Vo2大小相等,相位相同。 Vo= Vo1- Vo2= 0,雙端無信號輸出。
2.實際上單端輸出時也有很強的共模信號抑制能力。
共模電壓增益:
Vi1和Vi2大小相等,相位相同,Id1和Id2同時等量增加或等量減小。 流過源極公共支路的變化電流是單邊的2倍,所以電流源內阻需要保留,公共源極s電位將明顯變化,這與差模輸入情況有本質的區別。
共模交流通路
共模輸入電阻: Ri =∞
共模輸出電阻 :Ro = Rd1 +Rd2
共模抑制比 :見下圖
共模抑制比
結論:共模信號無輸出,被抑制,共模抑制比無窮大。 溫漂可認為是共模信號。
總結:
1.因此, 運用疊加定理, 信號的作用可以認為是差模信號和共模信號共同作用的結果。 分別求出僅輸入差模信號、僅輸入差模信號的輸出,而后疊加。
2.差分放大電路功能:
(1)放大差模信號。
(2)抑制共模信號,共模抑制比趨于無窮大。
(3)抑制零點漂移,溫度變化時,管子的電流變化完全相同,故可將溫度漂移等效為共模信號。
壹芯微科技專注于“二,三極管、MOS(場效應管)、橋堆”研發、生產與銷售,20年行業經驗,擁有先進全自動化雙軌封裝生產線、高速檢測設備等,研發技術、芯片源自臺灣,專業生產流程管理及工程團隊,保障所生產每一批物料質量穩定和更長久的使用壽命,實現高度自動化生產,大幅降低人工成本,促進更好的性價比優勢!選擇壹芯微,還可為客戶提供參數選型替代,送樣測試,技術支持,售后服務等,如需了解更多詳情或最新報價,歡迎咨詢官網在線客服!
手機號/微信:13534146615
QQ:2881579535
工廠地址:安徽省六安市金寨產業園區
深圳辦事處地址:深圳市福田區寶華大廈A1428
中山辦事處地址:中山市古鎮長安燈飾配件城C棟11卡
杭州辦事處:杭州市西湖區文三西路118號杭州電子商務大廈6層B座
電話:13534146615
企業QQ:2881579535

深圳市壹芯微科技有限公司 版權所有 | 備案號:粵ICP備2020121154號