來源:壹芯微 發布日期
2022-08-27 瀏覽:-電器應用中常用的隔離器件有光耦、繼電器、變壓器。
光耦屬于流控型元件,以光為媒介傳輸信號:電→光→電,輸入端是發光二極管,輸出端是光敏半導體。光耦的核心應用是隔離作用,常用于輸入與輸出之間無共地的系統。所以輸入與輸出之間的耐壓可達上千伏特。
很多通訊模塊也是光耦隔離的,更容易實現各個系統之間的連接,完全不用考慮是否共地。
如圖1為光耦控制繼電器(小功率),為使光耦能有效驅動繼電器,那么輸出端的阻抗應較小,所以輸入端的電流應較大,具體原因見下面分析。
圖1:光耦控制繼電器
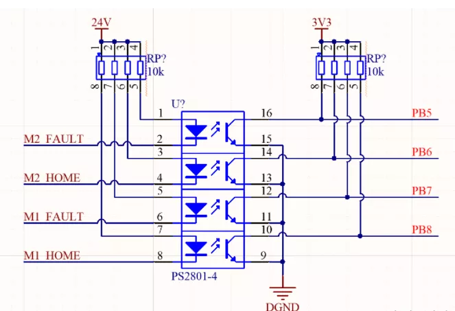
如圖2為開關信號經過光耦隔離輸入至單片機,圖中24V與3.3V不是共地的,且在控制系統中數字電壓3.3V驅動能力有限,所以通常用開關電源的24V或12V作為開關信號的電源。
圖2:輸入輸出隔離
以上兩種普通的應用看似簡單,但要正確使用光耦,就必須掌握光耦的輸入和輸出到底是什么關系?
光耦分為線性光耦和非線性光耦,實際常規應用中線性光耦較多,因為線性光耦可以替代非線性光耦,現在以線性光耦(PS2561A)做以下實驗,換種角度了解TA的魅力。
如圖3所示,調節光耦輸入電流IF,測量輸出的CE阻抗。
圖3:輸入電流IF與輸出CE阻抗關系實驗
左邊為輸入電流IF,右邊為輸出CE阻抗
如圖4所示,光耦輸入與輸出的限流電阻都是1k,且輸入電壓都相同,于是調節穩壓源的電壓值,可以得到光耦輸入電流IF與輸出電流IC的關系。
圖4:輸入電流IF與輸出電流IC的關系實驗
左邊為輸入電流IF,右邊為輸出電流IC
如圖5得到的實驗數據,輸出電流IC與輸入電流IF曲線趨勢基本一致,CE阻抗小于1k左右呈線性變化。且最低阻抗大于100Ω。
圖5:實驗數據
所以使用線性光耦傳遞開關信號時,需要合理匹配輸入電阻的大小,圖1中輸入電阻360Ω,光耦輸入正向壓降1V左右,所輸入電流IC為(5-1)/360≈11mA,光耦輸出CE阻抗200Ω多點,而繼電器HFD2線圈阻抗2880Ω,此時可正常驅動繼電器,若IC電流變小,則CE阻抗變大后會導致不能正常驅動繼電器。
線性光耦主要用于模擬信號的傳遞,輸出相當于一個可變電阻。在開關電源中很常見,利用光藕做反饋,把高壓和低壓隔離。常用的有PC817、PS2561、PS2801。如前面例子也常用于開關信號。
圖7為圖6中開關電源內部的線性光耦,開關電源的輸出電壓經過線性光耦隔離并反饋到控制芯片達到實時調節輸出電壓的目的。
圖6:光耦在開關電源中的應用
圖7:開關電源內部的光耦
非線性光耦主要用于開關信號(或數字信號)的傳遞,常用的4N系列的有4N25、4N26以及TIL117;另外還有高速光耦,如6N136、6N137、PS9714、PS9715等。多用于通訊隔離以及PWM波控制(可有效降低電磁干擾),判斷是不是高速光耦,看數據手冊是否注明 High speed(1Mbps、10Mbps)。
要點
①光耦的核心應用是隔離作用;
②相同電壓下線性光耦輸入電阻與輸出電阻相同時,輸出電流IC基本與輸入電流IF一致;即使輸入與輸出電壓不同,也可以匹配輸出與輸入的電阻來實現;
③用于開關信號線性光耦和非線性光耦都可以,反過來線性光耦電路中不能用非線性光耦代替。
④非線性光耦要比線性光耦響應速度快,類似于比較器比運算放大器響應速度快一樣。
壹芯微科技專注于“二,三極管、MOS(場效應管)、橋堆”研發、生產與銷售,20年行業經驗,擁有先進全自動化雙軌封裝生產線、高速檢測設備等,研發技術、芯片源自臺灣,專業生產流程管理及工程團隊,保障所生產每一批物料質量穩定和更長久的使用壽命,實現高度自動化生產,大幅降低人工成本,促進更好的性價比優勢!選擇壹芯微,還可為客戶提供參數選型替代,送樣測試,技術支持,售后服務等,如需了解更多詳情或最新報價,歡迎咨詢官網在線客服!
手機號/微信:13534146615
QQ:2881579535
工廠地址:安徽省六安市金寨產業園區
深圳辦事處地址:深圳市福田區寶華大廈A1428
中山辦事處地址:中山市古鎮長安燈飾配件城C棟11卡
杭州辦事處:杭州市西湖區文三西路118號杭州電子商務大廈6層B座
電話:13534146615
企業QQ:2881579535

深圳市壹芯微科技有限公司 版權所有 | 備案號:粵ICP備2020121154號