來源:壹芯微 發布日期
2022-02-24 瀏覽:-基于74HC595的多位LED顯示實現設計介紹|壹芯微
單片機應用系統中使用的顯示器主要有LED和LCD兩種。近年來也有用CRT顯示的。前者價格低廉,配置靈活,與單片機接口方便;后者可進行圖形顯示,但接口較復雜,成本也較高。LED(LingEmitingDiode)是發光二極管的縮寫。實際應用非常普遍的是八段LED顯示器。LED顯示器在大型報時屏幕,銀行利率顯示,城市霓虹燈建設中,得到廣泛應用。在這些需要多位LED顯示的場合,怎樣實現系統穩定.價格低廉的顯示,成為決定其成本的關鍵所在。因此本位提出了一種用74HC595實現多位LED顯示的新方法,同時對該系統的硬件組成和軟件實現作了詳細說明。
1.LED靜、動態顯示原理
74HC595是美國國家半導體公司生產的通用移位寄存器芯片。并行輸出端具有輸出鎖存功能。與單片機連接簡單方便,只須三個I/O口即可。而且通過芯片的Q7引腳和SER引腳,可以級聯;而且價格低廉。
1.1靜態顯示
每位LED顯示器段選線和74HC595的并行輸出端相連,每一位可以獨立顯示(見圖1)。在同一時間里,每一位顯示的字符可以各不相同(每一位由一個74HC595的并行輸出口控制段選碼)。N位LED顯示要求N個74HC595芯片及N+3條I/O口線,占用資源較多,而且成本較高,這對于多位LED顯示很不利。

圖1LED靜態顯示驅動電路連線
1.2動態顯示
在多位LED顯示時,為了簡化電路,降低成本,節省系統資源,將所有的N位段選碼并聯在一起.由一片74HC595控制(見圖2)。由于所有LED的段選碼皆由一個74HC595并行輸出口控制,因此,在每一瞬間,N位LED會顯示相同的字符。想要每位顯示不同的字符,就必須采用掃描的方法,即在每一瞬間只使用一位顯示字符。在此瞬間,74HC595并行輸出口輸出相應字符段選碼,而位選則控制I/O口在該顯示位送入選通電平,以保證該位顯示相應字符。如此輪流,使每位分時顯示該位應顯示字符。由于74HC595具有鎖存功能,而且串行輸入段選碼需要一定時間,因此,不需要延時,即可形成視覺暫留效果。

圖2LED動態顯示驅動電路連線圖
N位LED顯示時.只需要一片74HC595即可完成,成本最低。但是,此種方法的最大弱點就是當LED的位數大于12位時,出現閃爍現象,這是所有動態LED顯示方式共同的弱點。
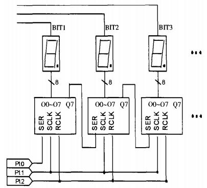
2.多位LED顯示方法實現
為實現24位或更多位LED顯示,本文提出了一種全新的方法。此方法結合了動態和靜態顯示的優點,可以說是兩者的結合。段選碼由三片74HC595控制,段選數據由74HC595的SER引腳串行輸人,由于輸出使能時鐘RCLK并接在一起,因此,三片74HC595并行輸出端同時輸出。而三個LED位選信號也并接在一起,因此,一次可以同時點亮三位LED。此過程類似于靜態顯示。每片74HC595并行輸出端并接8位LED,用于掃描輸出,此過程類似于動態掃描過程。此方法運用3片74HC595,13條位選信號,即可實現3n位LED顯示。成本低廉,而且節省資源。此種方法實現多位LED顯示程序框圖為圖3所示,MCU為89S52。

圖3多位LED顯示程序流程框圖
示例程序如下(24位LED顯示):

結論
本文總結了基于74HC595實現多位LED顯示的方法,實踐證明,此多位LED顯示方法性能穩定,如再級聯一片74HC595,在不需要增加I/O口線的情況下,即可實現32位LED顯示;而且此方法連線簡單方便,成本低廉。
壹芯微科技專業生產"二極管,三極管,場效應管,橋堆",20年豐富的生產經驗,品質優秀,完美替代,專業生產管理團隊與工程師嚴格管控品質,超過4800家電路電器生產企業選用合作,價格低于同行(20%),更具性價比,提供技術支持,售后FEA,如需了解產品詳情,最新報價以及樣品申請,歡迎咨詢官網在線客服!
手機號/微信:13534146615
QQ:2881579535
工廠地址:安徽省六安市金寨產業園區
深圳辦事處地址:深圳市福田區寶華大廈A1428
中山辦事處地址:中山市古鎮長安燈飾配件城C棟11卡
杭州辦事處:杭州市西湖區文三西路118號杭州電子商務大廈6層B座
電話:13534146615
企業QQ:2881579535

深圳市壹芯微科技有限公司 版權所有 | 備案號:粵ICP備2020121154號