來源:壹芯微 發布日期
2022-03-07 瀏覽:-基于74LS164的交通信號控制系統邏輯電路設計介紹|壹芯微
74LS164是8位邊沿觸發式移位寄存器,串行輸入數據,然后并行輸出。數據通過兩個輸入端(DSA或DSB)之一串行輸入;任一輸入端可以用作高電平使能端,控制另一輸入端的數據輸入。兩個輸入端或者連接在一起,或者把不用的輸入端接高電平,一定不要懸空。本文介紹了一種交通信號燈,其主控制器是根據74LS164十四進制扭環形計數器狀態循環轉換原理而設計,是整個電路的核心,用于定時控制兩個方向紅、黃、綠信號燈的亮與滅及持續時間并將持續時間倒計時過程在LED七段數碼管上同步顯示出來。
1.交通信號控制系統功能設計
1.1十字交叉路口平面布置
十字交叉路口的交通信號控制系統平面布置如圖1所示,LMG—主干道綠燈LMY—主干道黃燈LMR—主干道紅燈;LBG—支干道綠燈LBY—支干道黃燈LBR—支干道紅燈。

圖1十字交叉路口的交通信號控制系統平面布置圖
1.2信號燈正常工作流程(見圖2)
圖2是信號燈的正常工作流程。因為主干道車輛多,故放行時間相對比較長,設計放行時間為48S;支干道的車輛少,放行時間相對較短,設計放行時間為24S;每次綠燈變紅燈之前,要求黃燈亮4S且為間歇閃爍,此時另一干道的紅燈狀態仍然保持不變。在主干道和支干道均設有倒計時數字顯示,作為時間提示,以便讓行人和車輛直觀掌握通行時間。數字顯示變化情況應與信號燈狀態始終保持同步。

圖2信號燈正常工作流程
2.交通信號邏輯電路的設計

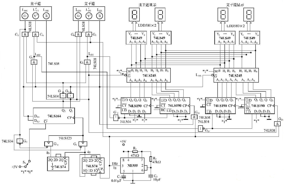
圖3交通信號控制系統邏輯電路圖
3.交通信號控制系統電路分析
3.1時鐘信號源
時鐘信號源由NE555時基電路組成,用于產生1Hz的標準秒信號。
3.2分頻器
分頻器由2片74LS74構成。第一片74LS74對1Hz的秒信號進行4分頻,獲得周期為4S的信號,另一片74LS74對4秒的信號進行2分頻,獲得周期為8S的信號。周期為4S、8S的信號分時送到主控制器74LS164的時鐘信號輸入端,用于控制信號燈處在不同狀態的時間。
3.3主控制器
主控制器是由一片74LS164構成的十四進制扭環形計數器,是整個電路的核心,用于定時控制兩個方向紅、黃、綠信號燈的亮與滅及持續時間,在時鐘CP上升沿的連續觸發下其狀態轉換見表1。

3.4信號燈譯碼驅動電路設計
見圖3電路圖,信號燈譯碼驅動電路由若干個門電路組成,用于對主控制器中Q5Q6的4種狀態進行譯碼并直接驅動紅、黃、綠三色信號燈。令扭環形計數器中Q5Q6的4種狀態00、10、11、01分別代表主干道和支干道交通燈的4種工作狀態:主干道綠燈亮、支干道紅燈亮;主干道黃燈亮、支干道紅燈亮;主干道紅燈亮、支干道綠燈亮;主干道紅燈亮、支干道黃燈亮。令燈亮為“1”,燈滅為“0”,則可得出信號燈譯碼驅動電路的真值表(見表2)

由真值表可得出各信號燈的邏輯表達式:LMG=·;LMY=Q5·;LMR=Q6;LBG=Q5·Q6;LBY=·Q6;LBR=。因黃燈要間歇閃爍(4秒期間閃4次),所以將LMY、LBY與1s的標準秒脈沖信號CP相“與”便得出:LMY’=LMY·CP;LBY’=LBY·CP。
3.5信號燈工作時序
由時序圖可知,在Q5Q6=00期間,共需6個CP觸發脈沖,所以應將周期為8秒的時基信號CP2送入扭環形計數器的CP端,則6TCP2=6×8S=48S,正好符合綠燈的放行時間為48秒。同理,當Q5Q6處于10、11、01三種狀態時,應將周期為4秒的時基信號CP1送入扭環計數器的CP端,才能滿足這三種狀態時信號燈亮滅的時間要求。以上秒和秒時基信號分時送入扭環計數器CP端是由74LS04的G9、74LS125的G10、G11共同完成的(見圖3),只有當LMG亮期間(48秒),G10導通G11截止,將8秒時基信號送入扭環計數器CP端,而在其余三種狀態的時間段LMG都是滅的,G10截止G11導通,將4秒時基信號送入扭環計數器CP端。
3.6數字顯示控制電路
數字顯示控制電路是由4片74LS190組成的兩個減法計數器組成,用于進行倒計時數字顯示的控制。當LMG亮、LBR亮(Q5Q6=00)時,對應主干道的兩片74LS190構成的52進制減法計數器開始工作,從數字“52”開始,每來一個秒脈沖,顯示數字減1,當減到“0”時,LMR亮、LBG亮,同時,主干道的52進制減法計數器停止計數,支干道的兩片74LS190構成的28進制減法計數器開始工作,從數字“28”開始,每來一個秒脈沖,顯示數字減1,直至減到“0”為止。減法計數前的初始值,是利用另一個道路上的黃燈信號對74LS190的LD端進行控制實現的,當黃燈亮時,減法電路置入初始值;當黃燈滅而紅燈亮時,減法計數器開始進行減計數。
3.7數字顯示電路
數字顯示電路是由兩片74LS245和4片74LS49集成電路及4塊LED七段數碼管LDD580構成的,用于進行倒計時數字的顯示。因主干道和支干道的減法計數器是分時工作的,而任何時刻兩方向的數字顯示均為相同的數字,采用兩片74LS245就可以實現這個功能。當主干道減法計數器計數時,對應于主干道的74LS245工作,將主干道計數器的工作狀態同時送到兩個方向的譯碼顯示電路。反之,當支干道減法計數器開始計數時,對應于支干道的74LS245開始工作,將支干道計數器的工作狀態同時送到兩個方向的譯碼顯示電路。
結束語
本文總結了基于74LS164的交通信號控制系統邏輯電路設計,對交通信號邏輯電路的設計原理和設計方法作了深入全面的分析和闡述。主干道和支干道的放行時間是可以隨意設置的,比如可以設置主干道的放行時間為60秒,支干道的放行時間為30秒,黃燈閃爍的時間為5S,改變分頻器的分頻系數即可實現這一功能,將1Hz的標準秒信號經一個上升沿觸發的5分頻器分頻得到一個周期為5S的信號,再經過2分頻得到周期為10S的信號,將周期為5S和10S的信號輪流送入74LS164的CP端即可。其中,5分頻器可利用74LS290來實現。
壹芯微科技專業生產"二極管,三極管,場效應管,橋堆",20年豐富的生產經驗,品質優秀,完美替代,專業生產管理團隊與工程師嚴格管控品質,超過4800家電路電器生產企業選用合作,價格低于同行(20%),更具性價比,提供技術支持,售后FEA,如需了解產品詳情,最新報價以及樣品申請,歡迎咨詢官網在線客服!
手機號/微信:13534146615
QQ:2881579535
工廠地址:安徽省六安市金寨產業園區
深圳辦事處地址:深圳市福田區寶華大廈A1428
中山辦事處地址:中山市古鎮長安燈飾配件城C棟11卡
杭州辦事處:杭州市西湖區文三西路118號杭州電子商務大廈6層B座
電話:13534146615
企業QQ:2881579535

深圳市壹芯微科技有限公司 版權所有 | 備案號:粵ICP備2020121154號