來源:壹芯微 發布日期
2022-05-30 瀏覽:-基于LM386的小功率主動聲吶發射電路和接收電路設計介紹(圖文)
現代聲吶技術的發展始于20世紀,最初應用于軍事,即對水下目標進行探測、分類、定位和跟蹤,進行水下通信和導航,保障艦艇的水下安全。隨著電子技術和計算機技術的迅速發展,大大推動了聲吶技術的發展和應用,目前逐步民用化。雖然目前有成套的聲吶探測系統,但大多數信號發射電路和接收電路都是專用的,不僅價格高昂而且不便于理論研究。因此本文將研究集成功率放大器LM386在小功率主動聲吶發射電路和接收電路中的應用。
1.集成功率放大器LM386
LM386是一個單電源供電的音頻功放,為美國國家半導體公司產品,具有自身功耗低、電壓增益可調整、電源電壓范圍大,外接元件少和總諧波失真小等優點。采用8引線雙列直插封裝和貼片式。其內部結構圖如圖1所示,引腳圖如圖2所示。

圖1 內部結構圖

圖2 引腳排列圖
2.聲吶傳感器
聲吶傳感器的心臟是壓電陶瓷換能器。壓電陶瓷換能器的工作原理為:對壓電陶瓷片施加壓力或拉力,其兩端會產生極性相反的電荷,通過回路而形成電流,這種效應稱為壓電效應。將這種壓電陶瓷做成的聲吶傳感器放在水中,在聲波的作用下,聲吶傳感器兩端便會有感應電荷產生。并且,壓電效應是可逆的。在主動聲吶上施加一個交變電壓,壓電陶瓷片就會振動,發射出超聲波。

圖3 聲吶傳感器
聲吶按工作方式可分為主動聲吶、被動聲吶。主動聲吶是利用發射電路產生周期性變化的交變信號或脈沖信號,在交變信號或脈沖信號的作用下,聲吶傳感器發射出超聲波,超聲波在水中傳播時,遇到障礙物就會發生反射,反射波信號經聲吶接收電路接收,通過信號處理后能測量出障礙物的位置和距離。被動聲吶是利用聲吶接收電路接收水中物體發出的超聲波來測定物體的方位。
3.主動聲吶發射電路和接收電路的設計
研究主動聲吶傳感器需要考慮的3個要素為:中心頻率、最大發射功率、探測距離。
(1)主動聲吶的中心頻率選擇與該系統的技術指標(如探測距離)、系統的結構和信道的特性有關。一般情況下,主動探測聲吶系統的工作頻率為20~60kHz。對近程測量,工作頻率可以取高一些;對遠程測量,工作頻率不能取得太高,因為傳播損失隨頻率增高而增大。本文所研究的主動聲吶傳感器的中心頻率為40kHz。
(2)最大發射功率為主動聲吶發射電路的輸出功率,即主動聲吶傳感器輸入端的電功率。最大發射功率越大,探測距離越遠。本文研究小功率主動聲吶測距,探測距離為20~200m。經LM386放大后的輸出功率可以滿足本文探測要求。
3.1主動聲吶發射電路
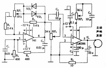
目前,比較常用的聲吶發射信號有正余弦、單頻矩形脈沖、線性調頻脈沖信號等。聲吶發射信號波形的選擇直接影響到系統的目標探測能力,采用何種形式的信號,應根據探測聲吶系統的任務目的來決定。本文只研究小功率主動聲吶測距,因此選擇正弦信號作為小功率主動聲吶的發射信號。主動聲吶發射電路如圖4所示。發射電路由RC正弦波振蕩電路和功率放大電路組成。

圖4 主動聲吶發射電路
3.1.1正弦信號源的產生
(1)RC橋式振蕩電路。
它又被稱為RC串并聯振蕩電路,一般用于產生頻率1Hz~1MHz的正弦波信號。本文研究的聲吶傳感器的中心頻率為40kHz,RC橋式振蕩電路可以滿足要求。因此,本文由集成運算放大器μA741和RC選頻網絡組成RC橋式振蕩電路。由圖4可知,由C1,R3,C2,R4構成的RC選頻網絡跨接在μA741的同相輸入端和輸出端,構成正反饋回路;而在μA741的反相輸入端和輸出端接入由RP1,R2,VD1,VD2組成的穩幅負反饋電路。其中,二極管VD1,VD2起穩幅作用。當振蕩電路(μA741的6腳)輸出電壓波形為負半周時,二極管VD2導通,其正向導通電阻rD與R2電阻并聯。若輸出負電壓越大,并聯后的電阻就越小,從而使負反饋加強,閉環增益下降,達到穩幅的作用。當輸出電壓波形為正半周時,二極管VD1導通,其穩幅原理如前所述。
(2)振蕩頻率的設定。
由于本文所研究的主動聲吶傳感器的工作中心頻率40kHz,選取電容C=0.01μF后,由振蕩頻率公式

計算出電阻R3=R4=400Ω
3.1.2功率放大電路
由圖1的LM386內部電路結構可知:電阻R7從輸出端連接到V2的發射極,形成反饋通路,并與R5和R6構成反饋網絡,從而引入深度電壓串聯負反饋,使整個電路具有穩定的電壓增益。
當引腳1和8之間開路時,由于在交流通路中V1管的發射極近似為地,R5和R6上的動態電壓為反饋電壓,近似等于同相輸入端的輸入電壓。即為二分之一差模輸入電壓,則有

反饋系數

所以電壓放大倍數為

由于R7》(R5+R6),所以

將R5,R6,R7的數據代入式(5),可得Au≈20。
當圖1的引腳1和8之間外接電阻R時,則

當圖1的引腳1和8間對交流信號相當于短路時

將R5和R7的數值代入式(7),可得Au≈200。所以,當引腳1和8之間外接不同電阻時,Au的調節范圍為20~200。
由電路圖4可知,在小功率主動聲吶發射電路中,LM386引腳1和8之間外接電阻R=20kΩ,根據式(6),功放的電壓放大倍數為Au≈21.21。
當發射電路的負載RL=20Ω時,發射電路最大不失真輸出電壓的幅值為Uo≈11.7V。則發射電路的最大輸出功率為

在忽略靜態損耗的情況下,效率為

此最大輸出功率滿足研究的小功率主動聲吶探測的功率要求。R5,C7組成相位補償電路,其作用是避免負載產生過電壓而擊穿芯片內的功率放大管。電路由單電源供電,故為OTL功放電路。輸出端(引腳5)應外接輸出電容后再接負載。
3.2接收電路中的功率放大電路

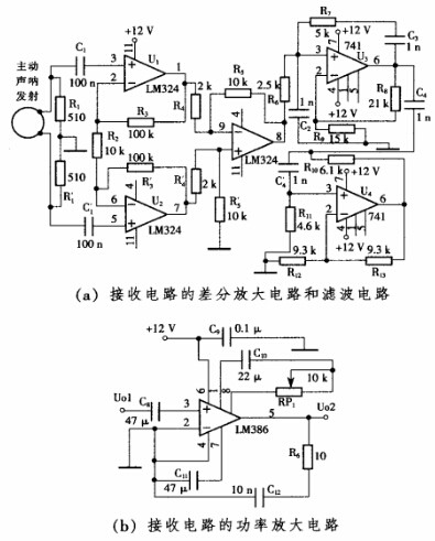
圖5 小功率主動聲吶接收電路
小功率主動聲吶接收電路如圖5所示。接收電路由差分放大電路、濾波電路和功率放大電路組成。
主動聲吶傳感器接收發射聲吶發射出的超聲波,經壓電效應將其接收到的超聲波轉化成電信號。此時接收聲吶傳感器輸出電壓為毫伏級,經差分放大和濾波后,在遠距離測量中輸出信號的能量仍然比較弱,必須對其進行功率放大。
小功率集成功率放大器LM386輸入可達毫伏級、電壓放大倍數20~200。LM386應用于小功率主動聲吶接收電路,電路簡單噪聲影響小,因此可減少受外界電磁波干擾的面積或避免干擾。LM386頻帶寬達300kHz,可以對接收電路輸出的信號進行放大。
由圖5(b)圖可知,LM386的引腳1和8之間外接的電阻RP1=1.8kΩ,由式(6)得電壓放大倍數為Au≈32.68。R6,C12組成相位補償電路的作用同發射電路,為了避免負載產生過電壓而擊穿芯片內功率放大管。電路同樣采用單電源供電,輸出端(引腳5)應外接輸出電容后再接負載。
LM386應用于小功率主動聲吶發射電路和接收電路中,需要考慮輸入端輸入信號的強弱,適當調節輸入信號的幅值,使其輸出端獲得最大不失真的信號,為聲吶信號的處理提供比較理想的信號源。
4.結論
本文介紹了小功率主動聲吶發射電路和接收電路的設計,對集成功率放大器LM386在發射電路和接收電路中的應用進行了詳細的介紹,并對正弦信號源的產生、接收電路中的差分放大電路及模擬濾波電路做了詳細的闡述。在水下潛艇模型自主導航課題研究起步階段,本試驗在空氣介質中小功率主動聲吶發射端和接收端相距200m,用示波器觀察到聲吶傳感器輸入端和接收電路經LM386放大后的波形,如圖6所示。

圖6 聲吶傳感器輸入端和接收電路經LM386放大后的波形
音頻集成功率放大器LM386應用于小功率主動聲吶發射電路和接收電路中,具有一定通用性和可擴展性。當小功率主動聲吶發射信號源形式改變時,LM386同樣適用。本設計可以為研究小功率主動聲吶探測的信號的處理提供簡易的信號源。
深圳壹芯微科技,20年專業生產“二極管、三極管、場效應管、橋堆”等,專業生產管理團隊對品質流程嚴格管控,超過4800家電路電器生產企業選用合作,價格低于同行(20%),更具性價比,提供選型替代,送樣測試,數據手冊,技術支持,售后FEA,如需了解更多詳情或最新報價,歡迎咨詢官網在線客服!
手機號/微信:13534146615
QQ:2881579535
工廠地址:安徽省六安市金寨產業園區
深圳辦事處地址:深圳市福田區寶華大廈A1428
中山辦事處地址:中山市古鎮長安燈飾配件城C棟11卡
杭州辦事處:杭州市西湖區文三西路118號杭州電子商務大廈6層B座
電話:13534146615
企業QQ:2881579535

深圳市壹芯微科技有限公司 版權所有 | 備案號:粵ICP備2020121154號