來源:壹芯微 發布日期
2022-02-24 瀏覽:-基于LM741的汽車蓄電池低電量報警系統設計介紹|壹芯微
近年來,隨著新技術的不斷發展,蓄電池作為電源不僅在交通(鐵路、地鐵、船舶)、發電、通訊、航天、化工、傳統汽車等行業發揮著重要的作用,而且也已經開始作為動力電源或動力輔助電源應用于電動汽車(EV)和混合動力汽車(HEV)領域。與一次性充電電池相比,蓄電池兩個顯著的特點是多次循環利用和高效節能。汽車在未啟動時必須依靠蓄電池給啟動機供電直至拖動發動機轉動。當蓄電池電壓不足或者蓄電池發生損壞時,就難以提供足夠的動力,導致發動機不能運行。因此本文提出了基于LM741的汽車蓄電池低電量報警系統的設計,當蓄電池電壓降低到一定極限值時,電路通過安裝聲光信號報警系統判斷蓄電池是否正常工作,提醒用戶采取相應的措施(即再次充電或更換電池)。
1.LM741工作原理
LM741為雙電源集成運算放大器,是美國國家半導體公司的產品袁通常被應用于汽車放大電路中,或者在汽車電路中用作電壓比較器。圖1為LM741的引腳圖及其各引腳的功能。該系統中LM741工作于非線性區,構成電壓比較器。其功能是對送到集成運放輸入端的兩個信號(模擬輸入信號和參考信號)進行比較,并在輸出端以高、低電平的形式得到結果。它的兩個輸入電壓中,一個是基準電壓,另一個是被比較的輸入電壓,當兩個電壓不相等時,集成運放輸出的電壓不是等于正電源電壓就是等于零,即在輸出端只輸出兩種電壓值,正電源電壓或者零。圖2為同相輸入的電壓比較器及其電壓傳輸曲線。集成運放的同相輸入端和反相輸入端分別引入的是輸入信號ui和參考電壓信號Uref。LM741作為電壓比較器使用時就是比較的輸入電壓和參考電壓之間的大小,當怎ui>Uref時,集成運放輸出高電平,即uo=UCC;當ui<Uref時,集成運放輸出低電平,即uo=0。

圖1LM741引腳及其引腳功能

圖2同相輸入的LM741及其電壓傳輸曲線
2.系統總體方案設計
汽車蓄電池低電量報警系統主要由基準電源電路、取樣電路、電壓比較器電路和輸出電路4部分組成。基準電源電路由穩壓管和限流電阻組成,加到電壓比較器的反相輸入端,并為其提供基準電壓;取樣電路由兩個電阻串聯組成,形成串聯分壓作用,作為整個電路的輸入信號,且取蓄電池電壓的一部分和基準電壓相比較;電壓比較器電路通過比較基準電源電路的電壓和取樣電路電壓的大小來判斷輸出高電平還是低電平;輸出電路通過接受到的電壓比較器的輸出電壓,判斷發光二極管是否處于導通狀態,從而發出報警信號,提示蓄電池電量過低遙該報警系統的結構如圖3所示。

圖3汽車蓄電池低電量報警系統結構
3.系統硬件電路設計
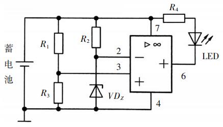
汽車蓄電池低電量報警系統硬件電路如圖4所示,該系統主要包括電壓比較器LM741、電阻、穩壓管及LED等部分。

圖4汽車蓄電池低電量報警系統硬件電路
3.1基準電源電路
基準電源電路由限流電阻R2與穩壓管VDZ兩部分組成,該系統把穩壓管的穩定電壓作為比較器LM741的基準電壓,并將其連接到LM741的反相輸入端。其中R2=100kΩ,穩定電壓值為5V。
3.2取樣電路
R1、R3串聯連接組成取樣電路,接在LM741的同相輸入端。R1、R3阻值相等,均取100kΩ,形成串聯分壓,中間點為取樣電壓,即取蓄電池電壓的一部分作為檢測電壓也即輸入電壓。
3.3輸出電路
R4和LED構成輸出電路,R4=1kΩ,起到限流的作用。根據電壓比較器輸出端的電壓值確定LED是導通還是截止,即利用發光二極管是否發光達到電路報警的目的。
3.4報警原理
當蓄電池電壓高于10V,也即取樣電路的電壓超過5V時,輸入信號電壓高于基準電壓,則LM741輸出高電平,此時輸出電壓為蓄電池電壓(10~12V)。由圖4可以看出,6引腳電位明顯高于7引腳電位,致使發光二極管因承受反向電壓而不發光,表示蓄電池電壓正常,報警作用不啟用;當蓄電池電壓低于10V時,輸入信號電壓(小于5V)低于基準電壓,則LM741輸出低電平,即輸出電壓為零,此時7引腳電位高于6引腳電位,LED因承受正向電壓而導通,發光提示蓄電池電量過低,報警作用啟動。
3.5系統接線圖
圖5為汽車蓄電池低電量報警系統接線結構。把汽車蓄電池通過汽車鑰匙開關接到電壓比較裝置,并為汽車電路負載(照明系統、儀表系統等)提供電源,當蓄電池電壓正常時,負載電壓正常,車輛能正常啟動,儀表系統等能正常顯示和工作;當蓄電池電壓過低時,電壓比較裝置通過比較判斷,發出燈光報警信號,同時電源電壓達不到系統所需電壓水平,相應的照明、儀表等系統將不會運轉。

圖5報警系統接線結構
4.系統試驗結果
根據以上分析,將汽車蓄電池接于所設計的硬件電路中做報警試驗(表1)。從表1可以看出,當蓄電池電壓低于10V時,報警指示燈點亮,當蓄電池電壓高于10V時,報警指示燈熄滅。因此,該電路可滿足在蓄電池電壓低于10V時報警,直至蓄電池再次被充電至10V以上時停止報警,蓄電池輸出電壓在10V以上時報警系統不起作用,充分說明該電路的設計方案是正確可行的。

結論
本文總結了基于電壓比較器LM741的汽車蓄電池低電量報警系統設計方案,重點對低電量報警裝置的系統組成和工作原理進行分析。經試驗,該系統結構簡單,便于操作,在應用過程中效果良好,能夠起到對汽車蓄電池組的科學管理作用,具有較高的參考價值。
壹芯微科技專業生產"二極管,三極管,場效應管,橋堆",20年豐富的生產經驗,品質優秀,完美替代,專業生產管理團隊與工程師嚴格管控品質,超過4800家電路電器生產企業選用合作,價格低于同行(20%),更具性價比,提供技術支持,售后FEA,如需了解產品詳情,最新報價以及樣品申請,歡迎咨詢官網在線客服!
手機號/微信:13534146615
QQ:2881579535
工廠地址:安徽省六安市金寨產業園區
深圳辦事處地址:深圳市福田區寶華大廈A1428
中山辦事處地址:中山市古鎮長安燈飾配件城C棟11卡
杭州辦事處:杭州市西湖區文三西路118號杭州電子商務大廈6層B座
電話:13534146615
企業QQ:2881579535

深圳市壹芯微科技有限公司 版權所有 | 備案號:粵ICP備2020121154號