來源:壹芯微 發布日期
2023-08-03 瀏覽:-基于三極管應用的電流鏡像電路介紹
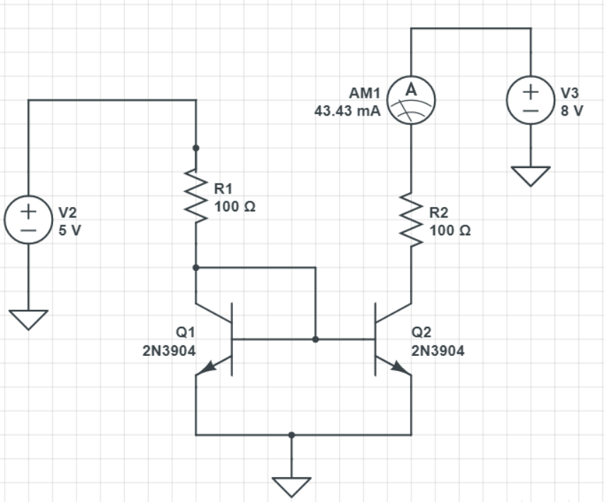
電路中常用的三極管應用--電流鏡。 和電流鏡像有關的電路。
三極管基極電流Ib和集電極電流Ic,滿足以下關系:

β是三極管的放大系數,這個系數會隨著溫度的變化而變化,進而Ic的電流也會隨著變化。所以說你想直接用三極管作為電流源可能有點不現實。那么就有了今天的電流鏡電路:
兩個NPN三極管Q1 和 Q2 基極連接在一起。共射極接地。
其中IR=Ic1+IB。 由于三極管Q1和Q2的BE都是對地,所以他們的電壓相等,又加上Q1和Q2是完全相同的兩個三極管,他們的參數也完全相同。
則有IB=Ib1+Ib2. 且Ib1=Ib2. 這里就用到了三極管放大倍數的特性,或者說三極管的集電極電流Ic是由Ib來控制的。
那么到這里呢,非常的明顯,Ib1和Ib2相等,三極管完全相同,則Ic1=Ic2. 到這還不算完,最關鍵的是他們的電流。 假設β等于100. 那么IR=Ic1+Ib1, Ic1=100*Ib1. 也就是說 IR=101*Ib1. 可以給一個粗略的結論:IR基本上約等于Ic1至此,電流鏡電路的原理基本到此結束,可以說控制電阻R1的阻值,就可以控制流過R2的電流。來證明一下。 現在根據電流表AM1的讀數,電流為43.43mA,我們改變右側電阻R2到50歐姆。
看到流過電流表示數是44.61mA,還是非常接近更改之前的讀數。總結
模擬電路中,用于實現恒流源或恒壓源。例如,在電路中需要一個穩定的恒定電流或電壓時,可以使用電流鏡電路來實現。
在數字電路中,用于實現 CMOS 邏輯門和靜態隨機存儲器(SRAM)。電流鏡電路用于提供穩定的電流,從而確保 CMOS 邏輯門和 SRAM 的正確性和穩定性。
作為比較器的基本部件。在比較器中,電流鏡電路可以將兩個電流進行比較,從而實現電壓比較。
用于測量電流。在一些實驗室中,需要測量電路中的電流。使用電流鏡電路,可以將電流轉換為電壓,然后通過測量電壓來確定電流的大小。
總之,三極管電流鏡電路廣泛應用于各種電路中,特別是需要精確電流控制的電路。
壹芯微科技專注于“二,三極管、MOS(場效應管)、橋堆”研發、生產與銷售,21年行業經驗,擁有先進全自動化雙軌封裝生產線、高速檢測設備等,研發技術、芯片源自臺灣,專業生產流程管理及工程團隊,保障所生產每一批物料質量穩定和更長久的使用壽命,實現高度自動化生產,大幅降低人工成本,促進更好的性價比優勢!選擇壹芯微,還可為客戶提供參數選型替代,送樣測試,技術支持,售后服務等,如需了解更多詳情或最新報價,歡迎咨詢官網在線客服!
手機號/微信:13534146615
QQ:2881579535
工廠地址:安徽省六安市金寨產業園區
深圳辦事處地址:深圳市福田區寶華大廈A1428
中山辦事處地址:中山市古鎮長安燈飾配件城C棟11卡
杭州辦事處:杭州市西湖區文三西路118號杭州電子商務大廈6層B座
電話:13534146615
企業QQ:2881579535

深圳市壹芯微科技有限公司 版權所有 | 備案號:粵ICP備2020121154號