來源:壹芯微 發布日期
2022-04-22 瀏覽:-基于STC12C5A60S2與AD620的小信號采集系統設計介紹|壹芯微
在測控領域中,經常遇到監測對象輸出信號較小,難以直接采集,一般都需要將其放大后再做處理。本文介紹了一種小信號采集系統的實現方法,利用具有A/D轉換功能的單片機STC25A60S2和具有精確放大功能的易用放大器AD620實現了最小系統,并論述了系統設計與實現,詳細介紹了采集小信號的過程,并給出了實際應用的例子,以及小信號采集在相關領域的應用。
1.概述
在許多電子設備中,微弱信號需要高精度處理,因此需要儀表放大器。通常使用傳統的三放大器儀表放大器和單片儀表放大器。單片儀表放大器因其高精度、低噪聲、易于控制和設計簡單而受到設計者的青睞。
2.AD620簡介
AD620作為一款單片儀器放大器,具有低功耗,通過外部電阻可實現高增益的芯片,同時具有低輸入漂移和溫漂等特點。AD620由傳統的三運算放大器發展而成,但一些主要性能卻優于三運算放大器構成的儀表放大器的設計,如電源范圍寬(±2.3~±18V),設計體積小,功耗非常低(最大供電電流僅1.3mA),因而適用于低電壓、低功耗的應用場合。

圖1 AD620原理示意圖
AD620的單片結構和激光晶體調整,允許電路元件緊密匹配和跟蹤,從而保證電路固有的高性能。AD620為三運放集成的儀表放大器結構,為保護增益控制的高精度,其輸入端的三極管提供簡單的差分雙極輸入,并采用β工藝獲得更低的輸入偏置電流,通過輸入級內部運放的反饋,保持輸入三極管的集電極電流恒定,并使輸入電壓加到外部增益控制電阻RG上。AD620的兩個內部增益電阻為24.7k8,因而增益方程式為:
G=49.4kΩ/RG+1(1)
對于所需的增益,則外部控制電阻值為:RG=49.4/(G-1)kΩ(2)
3.STC12C5A60S2簡介
STC12C5A60S2是一款具有A/D轉換功能的新一代8051單片機,指令代碼完全兼容傳統8051,但速度快8~12倍。具有8路高速10位輸入型A/D轉換(250k/s),可做溫度檢測、電池電壓檢測、按鍵掃描、頻譜檢測等。用戶可將任何一路設置為A/D轉換,不需作為A/D使用的口可繼續作為I/O口使用。其特點如下:

圖2 STC12C5A60S2
(1)片上集成1280字節RAM;
(2)有EEPROM功能(STC12C5A62S2/AD/PWM無內部EEPROM);
(3)增強型8051CPU,1T,單時鐘/機器周期,指令代碼完全兼容傳統8051;
(4)內部集成MAX810專用復位電路(外部晶體12M以下時,復位腳可直接1K電阻到地);
(5)用戶應用程序空間8K/16K/20K/32K/40K/48K/52K/60K/62K字節;
(6)ISP(在系統可編程)/IAP(在應用可編程),無需專用編程器,無需專用仿真器可通過串口(P3.0/P3.1)直接下載用戶程序,數秒即可完成一片;
(7)STC12C5A60S2系列有雙串口,后綴有S2標志的才有雙串口,RxD2/P1.2(可通過寄存器設置到P4.2),TxD2/P1.3(可通過寄存器設置到P4.3);
(8)通用I/O口(36/40/44個),復位后為:準雙向口/弱上拉(普通8051傳統I/O口),可設置成四種模式:準雙向口/弱上拉,推挽/強上拉,僅為輸入/高阻,開漏,每個I/O口驅動能力均可達到20mA,但整個芯片最大不要超過120mA;
(9)A/D轉換,10位精度ADC,共8路,轉換速度可達250K/S(每秒鐘25萬次),通用全雙工異步串行口(UART),由于STC12系列是高速的8051,可再用定時器或PCA軟件實現多串口;
4.系統硬件設計
4.1系統原理框圖
一般信號在使用前,需要先濾波后放大,或者先放大后濾波,然后經過A/D等手段獲取(感知)信號。對于小信號而言,信號幅值只有幾毫伏,甚至更小,如果先濾波,可能會將有用信號濾除,因此,在這種情況下,需要先進行放大,然后濾波,再進行A/D轉換或其他處理。根據本系統特點,系統中存在的干擾可以忽略,因此不考慮信號濾波環節,因此,系統主要通過信號提取、信號放大、A/D采集3個重要環節實現。第3個環節產生的數據,可以指導人們的工作,或顯示相關的信息。整個系統原理框圖如圖3所示。

圖3 系統原理框圖
4.2芯片供電電路設計
AD620作為一個放大器,可以使用單電源或者雙電源工作,但是使用雙電源工作時,其性能優于單電源。在集成電路設計中,單電源易于實現,但考慮到芯片的工作性能,本系統中采用雙電源供電。利用ICL7660S芯片,將外部單電源轉換為雙電源。ICL7660S是一個電壓轉換芯片,可以實現由正電壓轉換為負電壓的功能,其外圍電路也比較簡單,具體電路如圖4所示。

圖4 電源實現原理圖
系統中其他芯片均采用5V單電源供電,對接入的5V電源不需做任何處理即可使用,此處不做說明。
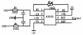
4.3信號調理電路
實際的微弱信號,一般為mV級,甚至更小,在處理前,需要進行放大,然后進行A/D采集。根據STC12C5A60S2具有的A/D功能,需對信號進行精確放大,使其達到V級,因此采用AD620放大器。AD620對2路輸入差分信號具有較好放大效果,在實際應用時,信號一般由電橋產生。為了實現信號放大,AD620需要外接電阻,由其與內部電阻共同確定放大倍數。設放大倍數為G,則有下式。
G=(RG/R1)+1(1)
也可寫為下式:G=49.4kΩ/RG+1(2)
1)式中RG為AD620內部電阻,R1為外部電阻。由(1),(2)式可看出,(1)式中RG大小為49.4kΩ。
調理后的信號經過AD620的6腳輸出,此時可直接接入A/D轉換芯片,實現數據采集,使用時縮小相應倍數即可。信號調理原理如圖5所示。

圖5 信號調理電路
4.4系統去耦電路
由于系統主要實現小信號的放大以及放大后的A/D轉換,而本系統完成A/D功能的芯片,即STC12C5A60S2,以自身工作電源作為參考電壓,為了保證轉換結果的一致性,需要確保電源電壓的穩定。濾除電源中的干擾,可通過多電容并聯濾除,電容并聯后容值增大,但是電容內部的等效電阻卻因并聯而減小,有利于降低損耗,因此很多時候將多個電容并聯起來使用,實現原理如圖6所示。

圖6 電源去耦電路
4.5A/D轉換的實現
前面提到STC12C5A60S2是一款具有A/D轉換功能的單片機,具有使用方便、簡單、功能多等特點,其A/D轉換最快只需90個時鐘周期(和其工作頻率有關),本系統采用其實現A/D轉換。
STC12C5A60S2將P1口作為8路A/D轉換輸入接口,在使用時只需將其設置為模擬接口,通過設置相應寄存器,便可完成A/D轉換,不使用的管腳還仍可當普通管腳使用。本系統實現一路輸入信號的A/D轉換,因此只需設置一路即可,在本系統中使用P1.0口作為信號輸入口。本系統實現A/D轉換的原理如圖7所示。

圖7 AD采集電路
4.6后續工作
在AD完成后,還需進行數據分析,一般可以通過通信口(一般采用串口)發送給上位機,通過上位機對數據進行處理。根據具體系統的不同特點,數據處理方法也不盡相同,在此不做詳細討論。
表1AD轉換數據和實際數據
AD轉換數據和實際數據
本系統對不同大小的信號進行A/D轉換后,獲取到了一系列實際數據和理論數據,如表1所示。通過Excel對A/D數據進行曲線繪制,發現系統A/D轉換器具有較好的線性度。如圖8所示。

圖8 A/D轉換器的線性度
5.實際應用
上文較詳細的討論了小信號的調理,A/D轉換,及其處理方法,下面通過實例介紹其具體應用。
電阻應變片作為一種傳感元件,常用來監測物體形變,一般將應變片貼在構件側點上,構件受力后由于測點發生應變,電阻發生變化,產生微弱的電壓變化,通過檢測微弱的電壓變化,可計算得到構件形變程度,從而達到監測構件狀況的目的,指導相關工程人員進行處理。
本系統可應用在電橋產生的電壓,一個電橋示意圖如圖9所示,圖中R4、R3、R1、R2,為電橋4臂,R4、R3為阻抗大小固定電阻,R1、R2中一個為受力后阻值發生變化的電阻,R4、R3阻值大小相同,R1、R2未受力時阻值大小也相同。在未受力情況下,電橋3、4兩點等電位,即電勢差為0,如果將其作為AD620輸入,則認為輸入信號為0,稱此時的電橋平衡。當R1或R2受力大小發生變化時,變化結果反映在其阻值上,通過歐姆定律可得,3、4兩點電位不一樣,即有電勢差產生,此時電橋失衡,但此時的信號很微弱,不能直接采集,因此通過文中提到的信號調理電路,進行信號放大,即將電橋中3、4兩點接入AD620的2、3腳,通過放大后,然后進行A/D采集。

圖9 電橋示意圖
本系統在仿真時,使用自己搭建的簡易電橋,如圖10所示。

圖10 簡易電橋
通過調節圖中R2,產生不同的微弱信號,將簡易電橋1,2端接入信號調理電路,后經A/D轉換,即可實現微弱信號采集。簡易電橋中1,2端對應圖中3,4端。在此次模擬時,調節R2,使1,2兩端產生約5.35mV,調節信號調理電路中的外接電阻至160.7Ω,計算可得放大倍數約為308.4倍,A/D參考電壓為4.256V,通過測量AD620輸出可得,電壓大小為1.645V,計算可得放大倍數G=1.647V/5.35mV≈308,可知,放大效果良好(去除放大效果后,誤差只有nV級)。通過多次A/D轉換.返回結果均在0x018B左右,證明系統具有較高可信度(在實際系統中已有運用)。
結論
從芯片選型,電路設計等方便詳細說明了小信號的采集系統的設計與實現:8位單片機STC12C5A60S2作為控制器和A/D轉換器;以AD620作為信號調理電路主芯片;以ICL7660S芯片為負電壓產生芯片;電橋原理等。通過測試,很好地實現了功能,在實際系統中出色地完成了預期目標,具有一定實用價值。
深圳壹芯微科技,20年專業生產“二極管、三極管、場效應管、橋堆”等,專業生產管理團隊對品質流程嚴格管控,超過4800家電路電器生產企業選用合作,價格低于同行(20%),更具性價比,提供選型替代,送樣測試,數據手冊,技術支持,售后FEA,如需了解更多詳情或最新報價,歡迎咨詢官網在線客服!
手機號/微信:13534146615
QQ:2881579535
工廠地址:安徽省六安市金寨產業園區
深圳辦事處地址:深圳市福田區寶華大廈A1428
中山辦事處地址:中山市古鎮長安燈飾配件城C棟11卡
杭州辦事處:杭州市西湖區文三西路118號杭州電子商務大廈6層B座
電話:13534146615
企業QQ:2881579535

深圳市壹芯微科技有限公司 版權所有 | 備案號:粵ICP備2020121154號