來源:壹芯微 發布日期
2022-03-03 瀏覽:-基于TL494的Boost型DC-DC電源設計介紹|壹芯微
在電子電力技術日新月異的今天,對器件的供電電源要求越來越苛刻。在各種類型電源中開關電源以其穩定性、高效性和功率密度高等優點而得到越來越多的應用。各種開關技術又以PWM技術為主,通過改變脈沖占空比調節輸出電壓,達到輸出穩定。本系統利用單片機MSP430F449,以電壓型PWM控制器TL494為核心,設計了一種Boost型穩壓輸出開關電源。
TL494是一種性能優良的電壓型PWM控制器。電壓型PWM控制器的原理是將電源輸出電壓Uo與基準值比較,得到誤差電壓Ue,該誤差電壓送人調節器,由調節器輸出控制電壓U,控制電壓與鋸齒波發生器產生的鋸齒波信號進行比較,改變PWM的輸出占空比,進而控制開關管的通斷改變輸出電壓。
1.系統整體方案
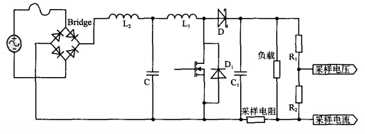
系統由主回路、反饋回路、保護電路、人機交互等部分組成。主回路包括隔離變壓器降壓部分、整流橋路整流部分以及DC-DCBoost升壓部分。反饋回路則包括電壓電流采樣部分、小信號放大部分、A/D轉換部分、控制電壓輸出部分。保護電路包括電壓電流檢測及保護等電路。人機交互則包含鍵盤、顯示器控制部分。系統的整體框圖如圖1。

圖1系統總體框圖
2.主體電路設計
2.1DC_DC主回路拓撲
本系統采用Boost電路進行DC—DC變換。利用調節開關管的占空比來控制輸出電壓。開關管關斷與開通交替進行,電感L將交替的存儲和釋放能量,電感L儲能后使電壓上升。而電容C則將輸出電壓保持平衡,輸出輸入電壓關系為:Uo=Uin(ton+toff)/toff。只需要通過改變開關管通斷占空比即可得到所需輸出電壓。其原理圖如圖2。

圖2Boost升壓原理圖
2.2TL494電路設計
TL494內置5V基準電壓參考源,5腳6腳外接電容與電阻,可產生對應鋸齒波后送比較器比較進而產生一定周期的振蕩信號,振蕩器頻率為fosc=1/RTCT。4腳為死區時間控制端,13腳為輸出方式控制端。芯片內部包含兩個相同的誤差放大器,輸出端經二極管隔離后送至比較器同相端,與反向端鋸齒波電壓相比較,并決定輸出電壓的寬度。調寬過程由3腳的電壓控制,也可經誤差放大器進行控制。兩個放大器可獨立使用,用于反饋電壓和過流保護。
本應用電路中TL494的3腳和13號腳接地,2腳和3腳之間接51kn的電阻,1腳作輸入端。5腳6腳分別接1000pF的電容和2.7kQ的電阻,產生50kHz的振蕩頻率,過流保護措施采用15腳接電阻分壓16腳接入動作電壓值即可。其實現電路如圖3。

圖3TL494應用電路
2.3開關管驅動電路
開關管驅動選用IR公司MOSFET專用驅動芯片IR2110。如圖4所示,輸入信號為TL494輸出的PWM信號,其輸出信號則可直接驅動開關管。

圖4IR2110驅動電路
2.4電壓電流采樣及小信號放大
由于電流很小時經過A/V轉換后的電壓值很小,此時需要經過放大后才能精確采集。此處選用PGA程控放大的方式,使采集信號放大0~1000倍,保證小電流和大電流均可通過程序控制采得。
2.5D/A轉換器與A/D轉換器的選取
D/A轉換器的選取直接關系到系統的輸出精度和閉環調節的穩定度,此處選用Maxim公司的串口16位高精度D/AMAX5441作為D/A轉換器對TL494輸出控制電壓。而采用MSP430F449有12位A/D轉換器,可滿足本系統的數據采集精度要求并且可以降低成本、簡化電路。
3.器件選擇及參數計算
3.1Boost升壓電路器件選擇
開關場效應管及肖特基二極管的選擇:功率MOSFET的柵極驅動需要考慮保護、隔離等問題。IRF540是電壓控制型器件,靜態時幾乎不需要輸入電流,但由于柵極輸入電容Cin的存在,在開通和關斷過程中仍需要一定的驅動電流來給輸入電容充放電。柵極電壓UG的上升時間tr采用放電阻止型緩沖電路來確定。其緩沖電路的電容Cs和電阻Rs的選擇原則是MOSFET在關斷信號到來之前,將緩沖電容所積累的電荷放凈。如果緩沖電路電阻過小,會使電流波動,MOSFET開通時的漏極電流初始值將會增大。
輸出濾波元件決定了電源的穩定性,是DC-DC變換器設計中最關鍵部分。重點是要選擇兩個元件,一個是輸出電感L,另一個是輸出電容C。影響電源穩定性的最關鍵參數是輸出電容的ESR,一般越小越好。電容的數據手冊一般都會給出電容的最大ESR,而最小ESR通常為最大ESR的40%~60%。可以通過多個電容并聯的方法來降低ESR提高電路的瞬態響應。此外,在選擇電容的時候,電容的溫漂也要適當考慮。
濾波電容:
?Uo取20mV。則CB取值為2200μF。為減小輸出的電壓紋波,可在輸出電壓端并聯多個低等效電阻的電解電容。
電感:由公式:
電感取值為280μH。
占空比:輸出電壓變化范圍30~36V,由公式:Uo/Uin=1/(1一D)可計算出占空比變化范圍為0.109~0.4697。
3.2效率的分析及計算
在U2=18V,輸出電壓Uo=36V,輸出電流Io=2A的測試條件下。由系統的額定功率Po=72W,為使效率達到90%以上則要求輸入功率為80W,允許損耗的功率為8W。
電路的功率損耗主要有開關損耗、電感儲能損耗、整流二極管損耗、數字電路損耗。
(1)開關管的損耗包括開關損耗與導通損耗。開關管的損耗直接與開關頻率有關系,其功率損耗的計算公式為:

取Ton=T/2,f=50kHz。則開關管的損耗約為1.5W。
(2)肖特基二極管的損耗。當二極管導通時流過二極管的電流等于電感電流,約為Io=Iin=3.86A。為降低損耗可以采用雙管并聯的方式,每只二極管的電流約為1.8A,對應其UD=0.42V。二極管導通損耗PD=IoUDD=1.4W。
(3)儲能電感損耗。儲能電感損耗公式如下:

其大致功率為1.1W。
(4)數字電路的損耗包括D/A、單片機、LCD、TL494和IR2110以及采樣電路等元器件的工作損耗。計算其損耗大致為1W。經計算可得到系統功率損耗約為5W,其效率甚至可達93.6%。
4.軟件設計
系統初始化完畢后輸出30V直流電壓,然后等待鍵盤中斷。若檢測到有輸入值則單片機通過控制D/A的輸出調節輸出電壓,然后顯示出此時系統電壓電流。若沒有中斷則顯示當前電壓電流。若檢測輸出過壓或過流,則跳人保護程序。程序流程圖如圖5。

圖5軟件流程圖
5.測試結果
設計的開關電源系統測試結果如下:
(1)輸出電壓可調范圍測試(負載RL=45Ω)
經測試發現本電路輸出范圍可達到30~36V,步進0.5V。設定值與實際輸出值對應表如表1。

(2)負載調整率(U2≈18V,Uo≈36V)見表2。

負載調整率Sl≈(36.04-35.55)/36=0.25%。
(3)電壓調整率(Uo=36V,Io=2A)見表3。

則電壓調整率計算得Su≈(36.09-36.05)/36=0.11%。
結語
本文總結了基于TL494的Boost型DC-DC電源設計方案,該系統電路結構簡單,直流輸出電壓可調范圍為30-36V,效率高達90,其中過流保護與過壓保護的設計直接結合TL494的特點利用硬件電路實現,具有較高的安全性與可靠性,單片機完成的功能少,使系統具有較快的響應速度。
壹芯微科技專業生產"二極管,三極管,場效應管,橋堆",20年豐富的生產經驗,品質優秀,完美替代,專業生產管理團隊與工程師嚴格管控品質,超過4800家電路電器生產企業選用合作,價格低于同行(20%),更具性價比,提供技術支持,售后FEA,如需了解產品詳情,最新報價以及樣品申請,歡迎咨詢官網在線客服!
手機號/微信:13534146615
QQ:2881579535
工廠地址:安徽省六安市金寨產業園區
深圳辦事處地址:深圳市福田區寶華大廈A1428
中山辦事處地址:中山市古鎮長安燈飾配件城C棟11卡
杭州辦事處:杭州市西湖區文三西路118號杭州電子商務大廈6層B座
電話:13534146615
企業QQ:2881579535

深圳市壹芯微科技有限公司 版權所有 | 備案號:粵ICP備2020121154號