來源:壹芯微 發布日期
2022-04-01 瀏覽:-基于UC3842的醫療開關電源設計|壹芯微
醫療電源是對安規及EMI、EMC比較高的設備,作為綠色開關電源,將在21世紀給人類社會帶來巨大的變化。性能優良的醫療設備系統離不開性能優良的控制模塊,而控制模塊的性能在很大程度上取決于供電電源的性能,所以高質量的供電電源系統在整個醫療系統中占有相當重要的位置。鑒于此,本文提出了一種基于UC3842的醫療開關電源設計方案,該方案通過小型高頻變壓器實現輸出和輸入的完全隔離,不僅提高了電源的效率,簡化了外圍電路,也降低了電源的成本和體積。電源輸出電壓穩定,波紋小,不間斷性能可靠同時又不會對其他設備產生輻射和傳導干擾。
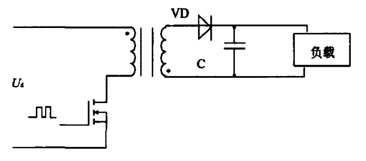
1.單端反激式變換電路
單端反激式變換的典型結構如圖1所示。單端是指變壓器的磁心僅工作在磁滯回線的一側;反激是指當開關管導通時,在初級線圈中儲存能量,而次級線圈不通,當開關管關閉的時候,初級線圈中的能量通過次級線圈釋放給負載。這是一種成本低的調整器,可以做到輸入輸出部分的完全隔離,有較好的電壓調整率。

圖1單端反激式變換器
2.UC3842特點
UC3842是目前流行的電流型PWM信號發生器,具有精度高、電壓穩定、外圍電路簡單、價格低廉等優點。其原理框圖如圖2所示。由5V基準電壓源、控制占空比調定的振蕩器、電流測定比較器、PWM鎖存器、高增益E/A誤差放大器和適用于驅動功率MOSFET的大電流推挽輸出電路等組成。其主要特點是:
(1)外接元件少,外圍電路簡單,價格便宜;
(2)無需輸入變壓器,起動電流小(小于1mA);
(3)具有精密的電壓基準源(±1%);
(4)大電流(1A)PWM輸出級,可直接驅動功率MOS管;
(5)有欠電壓封鎖和過電流保護功能;
(6)工作頻率可達500kHz。

圖2UC3842原理框圖
UC3842芯片能同時滿足較好的電氣性能和較低的成本,因而被廣泛地用于20~80W的小功率開關電源。圖2中8腳是其內部基準電壓(5V);7腳是其電源端,芯片工作的開啟電壓為16V,欠壓鎖定電壓為10V;4腳接振蕩電路,產生所需頻率的鋸齒波RT接在4、8腳之間,CT接在4腳和地之間。1和2腳為補償端和內部電壓比較器的反相輸入端,從3腳引入的電流反饋信號與1腳的電壓誤差信號比較,產生一個PWM(脈寬調制)波,從6腳(輸出端)輸出該信號,控制功率器件的通斷。3腳為電流檢測輸入端。由于電流比較器輸入端設置了1V的電流鉗位,當電流過大而使電流檢測電阻R9(如圖3所示)上的電壓超過1V(即3腳電平大于1V)時,將關斷PWM脈沖,從而達到過流保護的目的。
3.開關電源的電路設計
本文用UC3842為核心控制部件,設計了90-264Vac輸入、DC12V輸出的單端反激式開關穩壓電源。開關電源控制電路是一個電壓、電流雙閉環控制系統。變換器的幅頻特性由雙極點變成單極點,因此增益帶寬乘積得到了提高,穩定幅度大,具有良好的頻率響應特性。主要的功能模塊包括:EMI/EMC電路、啟動電路、反饋電路、保護電路、整流電路。以下對各個模塊的原理和功能進行分析,開關電源電路原理圖如圖3所示。

圖3開關電源原理圖
3.1EMI/EMC電路設計

圖4電磁濾波器電路圖
如圖4所示,共模電感L1的差值電感與電容CX1及CX2構成了一個π型濾波器。這種濾波器對差模干擾有較好的衰減。除了共模電感以外,圖4中的電容CY1及CY2也是用來濾除共模干擾的。共模濾波的衰減在低頻時主要由電感器起作用,而在高頻時大部分由電容CY1及CY2起作用。MOV1是為了防止雷擊,能夠吸收5000Vac瞬間雷擊。
3.2啟動電路設計
如圖3所示,電源通過啟動電阻R1給電容C4充電。當C4電壓達到UC3842的啟動電壓門檻值時,UC3842開始工作并提供驅動脈沖,由6端輸出推動開關管工作。隨著UC3842的啟動,R1的工作也就基本結束,余下的任務交給反饋繞組,由反饋繞組產生電壓經過D7和Z3、R8、Z1來為UC3842供電。
3.3過流、短路保護電路設計
如圖3所示,當負載電流超過額定值時,場效應電流增加,R9上的電壓反饋至CSEN(3腳),通過內部電流檢測比較器輸出復位信號,最后導致開關管關閉。只有在下一個基準脈沖到來時,才可能重新開啟開關管,而不可能出現開關管電流在恒流值左右振蕩的情況。當出現輸出短路時,輸出電壓會下降,同時為UC3842供電的反饋繞組也會出現輸出電壓下降。當輸入電壓低于87Vac時,UC3842停止工作,沒有觸發脈沖輸出,使場效應管截止。短路現象消失后,電源重新啟動,自動恢復正常工作。這就是俗稱的電路“打嗝”現象。
3.4精密反饋電路設計
當開關管導通時,整流電壓加在變壓器初級繞組上的電能變成磁能儲存在變壓器中,開關管截止后,能量通過次級繞組釋放到負載上。由公式:U0=(Ton/(nToff))E可以得出,輸出電壓和開關管的導通時間及輸入電壓成正比,與初、次級繞組的匝數比及開關管的截止時間成反比。反饋電路采用精密穩壓器TL431和線性光耦PC817.利用TL431可調式精密穩壓器構成誤差電壓放大器,再通過線性光耦對輸出進行精確的調整。如圖3,輸出電壓經Z2、R15分壓后得到的取樣電壓,與TL431中的2.5V基準電壓進行比較。當輸出電壓出現正誤差,取樣電壓大于2.5V,TL431的穩壓值降低,光耦PC1控制端電流增大,UC3842的反饋端(VFB)電壓值增大,輸出端的脈沖信號占空比降低,開關管的導通時間減少,輸出電壓降低;反之,如果輸出電壓出現負誤差,UC3842的輸出脈沖占空比增大,輸出電壓增高,達到穩壓目的。同時,整個電源系統的輸入、輸出被隔離,UC3842受到的干擾減少。在對電壓精度要求高的場合,會把電壓反饋信號從補償端(CMOP)輸入,不用UC3842的內部放大器。因此反饋信號的傳輸縮短了一個放大器的傳輸時間,使電源的動態響應更快。
3.5整流濾波電路設計
輸出整流濾波電路直接影響到電壓波紋的大小,影響輸出電壓的性能。開關電源輸出端對紋波幅值的影響主要有以下幾個方面:
①輸入電源的噪聲。解決的方案是在電源輸入端加電容C1x及電感L1,以濾除此噪聲干擾。
②高頻信號噪聲,開關電源中高頻噪聲主要是由高頻變壓器和功率管器件產生。對于這類高頻噪聲的解決方案是在輸出端采用C9、L2、C11構成π型濾波的方式。濾波電感采用150μH的電感,可濾除高頻噪聲。
③采用肖特基二極管D8整流。基于它低壓、功耗低、大電流的特點,有利于提高電源的效率;其反向恢復時間短,有利于減少高頻噪聲。
④為了減少共模噪聲,在輸出地和輸入地之間接電容C13.
3.6導通時序
如圖5所示,在負載不同的時候,其時序電路是不一樣的。在滿載時絕大多數始終周期是導通的,也就是導通的頻率高,中等負載會跳過一部分始終周期,而輕載時要跳過大部分的始終電路,只有少數始終周期是導通的,這樣導通周期的頻率是很低的。圖5中,U0是輸出電壓,CLK是UC3842的基準脈沖,D是UC3842的輸出脈沖,Id是流過開關管的電流,Ud是變壓器初級繞組下端(開關管MOSFET漏級)的電壓。

圖5負載不同時的波形
4.實驗結果
該開關電源的性能,按上述應用電路進行了測試,動態負載響應快,具有良好電磁兼容性能并能通過美國的FCCCASEA標準。不同輸入電壓和不同負載時,輸出電壓如圖6所示。

圖6輸出電壓波形
表一為空載輸入電壓在90~264Vac波動時,輸出電壓的波動情況。表二是負載電流在100mA~1.2A變化時,輸出電壓的波動情況。

結語
本文總結了UC3842在醫療開關電源的應用設計,并充分使用了UC3842的控制功能,實現了對輸出電壓的負反饋調節以及各種保護機制。這種開關電源結構簡單,性能穩定,實現了對醫療設備供電,對提高醫療設備整體性能大有益處。
壹芯微科技專業生產"二極管,三極管,場效應管,橋堆",20年豐富的生產經驗,品質優秀,完美替代,專業生產管理團隊與工程師嚴格管控品質,超過4800家電路電器生產企業選用合作,價格低于同行(20%),更具性價比,提供技術支持,售后FEA,如需了解產品詳情,最新報價以及樣品申請,歡迎咨詢官網在線客服!
手機號/微信:13534146615
QQ:2881579535
工廠地址:安徽省六安市金寨產業園區
深圳辦事處地址:深圳市福田區寶華大廈A1428
中山辦事處地址:中山市古鎮長安燈飾配件城C棟11卡
杭州辦事處:杭州市西湖區文三西路118號杭州電子商務大廈6層B座
電話:13534146615
企業QQ:2881579535

深圳市壹芯微科技有限公司 版權所有 | 備案號:粵ICP備2020121154號