來源:壹芯微 發布日期
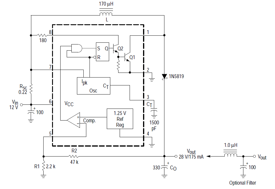
2023-03-05 瀏覽:-以一款開關電源控制器(MC34063)作為示例來說明前兩節所敘述的內容,該芯片可以說是MOTOROLA公司一款很簡單耐用的控制器了,對于電源帶寬要求不高的用戶可以考慮這款芯片,電路也有成熟的設計,網上有很多設計的典型例子,我們主要采用這款芯片,圖1是該芯片的結構框圖。
圖1 MC34063芯片結構圖
可以看到該芯片內部集成了電壓基準、振蕩器以及一組達林頓管用于后級驅動,詳情請查看相關的文件。
圖2 升壓電路的典型設計
如圖2是一種典型的升壓(boost,step up)設計,芯片的輸入12V電源,在達林頓管開啟時,電源向電感充電,當電感上的電流達到最大值時(這個值是根據負載環境人為設定的,在后續的峰值電流控制方法中將會提及),達林頓管關閉,此時電感向儲能電容供電。
2、達林頓管開啟和關閉過程中的能量守恒
當開關開啟時,電流在電感中建立,該過程在電感不飽和且嚴格線性的情況下,電流隨時間勻速增加,因此,當達到最大電流
時,電感中的能量為:
(1)
對于輸出端,在關斷時刻,電流將逐漸下降為0,電感此時釋放全部能量到電容,此時電感將釋放W的能量到儲能電容端。設輸出端電勢為
,則在輸出端可以將能量W用輸出電壓及輸出電流的形式(“流入”電容的電流)
(2)
該式子與第一節利用點單的楞次定律推導的結果一致但是亦有不同,這兩個式子更為形象,它表明,當電感輸出端與儲能電容上的電壓鉗位時,來自電容的電壓會阻止電感上的電流流動(注意不是電感上的感應反壓,該反電動勢只有非鉗位情形才有),如果不對占空比進行控制,則當電流減小到0后只能一直維持0電流,直到下一個開關周期開始對電感充電。如圖3。
圖3 電感電流的變化情況(這里假定電流最終減少到0)
因此,由于輸出電壓較高,則由于該電壓作為電流的反壓抑制電流流動,一定程度上會使電流迅速減少至0,因此即使不控制占空比也能使電壓升高(或者說是輸入輸出決定了占空比)
本例中,當輸出達到穩態時,按照比較運放comp虛斷原理,則輸出電壓與參考電壓之間有如下關系(式3):
(3)
因此只需調整R1,R2的阻值即可獲取任意輸出電壓。本例中,帶入阻值可以獲得輸出電壓為27.9545V,datasheet給出結果為28V實際為工程方便而給出的參數。
壹芯微科技專注于“二,三極管、MOS(場效應管)、橋堆”研發、生產與銷售,20年行業經驗,擁有先進全自動化雙軌封裝生產線、高速檢測設備等,研發技術、芯片源自臺灣,專業生產流程管理及工程團隊,保障所生產每一批物料質量穩定和更長久的使用壽命,實現高度自動化生產,大幅降低人工成本,促進更好的性價比優勢!選擇壹芯微,還可為客戶提供參數選型替代,送樣測試,技術支持,售后服務等,如需了解更多詳情或最新報價,歡迎咨詢官網在線客服!
手機號/微信:13534146615
QQ:2881579535
工廠地址:安徽省六安市金寨產業園區
深圳辦事處地址:深圳市福田區寶華大廈A1428
中山辦事處地址:中山市古鎮長安燈飾配件城C棟11卡
杭州辦事處:杭州市西湖區文三西路118號杭州電子商務大廈6層B座
電話:13534146615
企業QQ:2881579535

深圳市壹芯微科技有限公司 版權所有 | 備案號:粵ICP備2020121154號