來源:壹芯微 發布日期
2022-11-03 瀏覽:-本設計事例使用稱為反激式的變壓器方式。在這里,將說明反激方式的基本電路和特征。
反激式轉換器除了一般的PWM控制外,還有自勵型的RCC(Ringing Choke ConVerter)、RCC利用使用共振技術的準諧振型,一共有3種,常使用在100W以下的開關電源上。
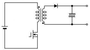
基本電路如圖所示,非常簡單,只有少數部件所組成。經由開關用晶體管斬波輸入電壓(DC),之后再透過開關用變壓器,將電能傳送至二次側。接著,在二次側進行整流、平滑,成為需要的DC電壓。不過,實際的電路會監控輸出,并增加控制開關晶體管的反饋電路、控制電路。
反激式轉換器,可組成降壓和升壓,且同時支持絕緣和非絕緣,優點是確保大輸入電壓范圍,但較大的峰值電流會流過開關元件、二極管和輸出電容器,導致必須采用能支持該峰值電流的部件。
構成絕緣電路時,使用光耦合器或三級繞組,隔離二次側,也就是來自于輸出的反饋。視控制IC而定,在無來自于輸出的反饋下保持穩定。以下為反激式轉換器的特征總結。
反激式轉換器的特征
可組成降壓、升壓
可組成絕緣、非絕緣
構造簡單、能以最少的部件數量組成
適用于100W左右的開關電源
輸入電壓范圍大
和正激方式相比,必須加裝大容值的電容器
輸出精度要求不高時,變壓器的匝數比決定其輸出電壓,也可利用作為非穩定輸出電
壹芯微科技專注于“二,三極管、MOS(場效應管)、橋堆”研發、生產與銷售,20年行業經驗,擁有先進全自動化雙軌封裝生產線、高速檢測設備等,研發技術、芯片源自臺灣,專業生產流程管理及工程團隊,保障所生產每一批物料質量穩定和更長久的使用壽命,實現高度自動化生產,大幅降低人工成本,促進更好的性價比優勢!選擇壹芯微,還可為客戶提供參數選型替代,送樣測試,技術支持,售后服務等,如需了解更多詳情或最新報價,歡迎咨詢官網在線客服!
手機號/微信:13534146615
QQ:2881579535
工廠地址:安徽省六安市金寨產業園區
深圳辦事處地址:深圳市福田區寶華大廈A1428
中山辦事處地址:中山市古鎮長安燈飾配件城C棟11卡
杭州辦事處:杭州市西湖區文三西路118號杭州電子商務大廈6層B座
電話:13534146615
企業QQ:2881579535

深圳市壹芯微科技有限公司 版權所有 | 備案號:粵ICP備2020121154號