來源:壹芯微 發布日期
2022-05-24 瀏覽:-LM393比較器的典型電路詳細圖文介紹 | 壹芯微
LM393內具有2個獨立的高精密度電壓比較器,其偏置電壓可低至2.0mV。使用單電源供電,供電壓寬。優點是:高精度比較器;可減少溫度單的VOS漂移;不用雙電源供電;全部用一致的邏輯格式。本文介紹LM393比較器的典型電路。
一、LM393紅外避障模塊

圖1 LM393紅外避障模塊電原理圖
1.模塊描述
該傳感器模塊對環境光線適應能力強,其具有一對紅外線發射與接收管,發射管發射出頻率的紅外線,當檢測方向遇到障礙物(反射面)時,紅外線反射回來被接收管接收,經過比較器電路處理之后,綠色指示燈會亮起,同時信號輸出接口輸出數字信號(一個低電平信號),可通過電位器旋鈕調節檢測距離,有效距離范圍2~30cm,工作電壓為3.3V-5V。該傳感器的探測距離可以通過電位器調節、具有干擾小、便于裝配、使用方便等特點,可以廣泛應用于機器人避障、避障小車、流水線計數及黑白線循跡等眾多場合。
2.模塊參數說明
(1)當模塊檢測到前方障礙物信號時,電路板上綠色指示燈點亮電平,同時OUT端口持續輸出低電平信號,該模塊檢測距離2~30cm,檢測角度35°,檢測距離可以通過電位器進行調節,順時針調電位器,檢測距離增加;逆時針調電位器,檢測距離減少;
(2)傳感器主動紅外線反射探測,因此目標的反射率和形狀是探測距離的關鍵。其中黑色探測距離小,白色大;小面積物體距離小,大面積距離大;
(3)傳感器模塊輸出端口OUT可直接與單片機IO口連接即可,也可以直接驅動一個5V繼電器;連接方式:VCC-VCC;GND-GND;OUT-IO;
(4)比較器采用LM393,工作穩定;
(5)可采用3-5V直流電源對模塊進行供電。當電源接通時,紅色電源指示燈點亮;
(6)具有3mm的螺絲孔,便于固定、安裝;
(7)電路板尺寸:3.2CM*1.4CM;
(8)模塊已經將閾值比較電壓通過電位器調節好,非特殊情況,請勿隨意調節電位器。
3.模塊接口說明
(1)VCC外接3.3V-5V電壓(可以直接與5v單片機和3.3v單片機相連);
(2)GND外接GND;
(3)OUT小板數字量輸出接口(0和1);
(4)工作電流是10ma以內;
如圖2所示壁障傳感器模塊

圖2 壁障傳感器模塊
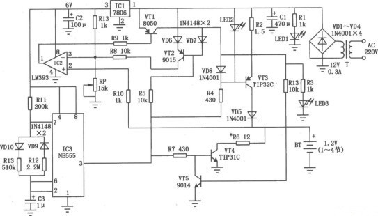
二、鎳鎘電池充電器
LM393構成的高性價比鎳鎘電池充電器如圖3所示,它具有以下特點:
(1)恒流充電穿插大電流放電,恒流充電電流約300mA,放電電流隨著電池電壓的升高而加大,電池接近充滿時放電電流達400mA。充電1.5秒、放電0.5秒,間隔進行。大電流充電結束后,約有5mA涓流充電。
(2)電池電壓的檢測是在放電時進行的,因為充電時的電壓總是高于放電時的電壓,如在充電時檢測與電池實際工作狀態有誤差,在放電時檢測更可反映出電池的容量。
(3)充電電池可以是1至4節,對于500mAh鎳鎘電池,充電時間約2小時,能滿足一般需要。

圖3 鎳鎘電池充電器(LM393)電路圖
三、有刷控制器
使用LM324、LM393和LM339制作的有刷控制器可靠性是很高的,就是器件數量多些。該控制器僅用一片LM339制作有刷控制器部分。用另一塊LM339制成電量顯示部分。顯示部分見圖4,電路原理見圖5所示。

圖4 LM339制成的電量顯示部分電路圖

圖5 電路原理圖
對該控制器的調速采用了光電速度轉把。由于北方干燥,沙土灰塵大,影響了光電速度轉把的使用。實踐證明,完全可以用霍爾速度轉把替代它。具體方法見圖6。

圖6 霍爾速度轉把
光電速度轉把改為霍爾速度轉把關鍵有兩點:一是加裝+5V穩壓電源;二是根據原速度信號輸出點信號變化規律,選用相應信號變化的霍爾調速轉把。
該有刷控制器以PWM電路為核心,前面有三角波發生器、電瓶欠壓檢測、電機過電流檢測;后面有驅動、功率開關等。每部分都是獨立的。檢查調試都比較方便。三角波發生器由IC2A、R17、C5、D2、R9、R10等組成施密特振蕩器,在C5上產生三角波。脈寬調制器是IC2B,它的輸入之一⑥腳,為來自C5上的三角波,輸入之二⑦腳,是來自速度轉把(J1)①腳的速度信號。從IC2B①腳輸出調寬脈沖,送互補推挽放大器。互補推挽驅動由T3、T4組成,脈沖高電平到來,上管NPN管T4導通,12V加到功率管T1、T2的柵極,T1、T2導通;脈沖低電平到來,上管NPN管T4截止。下管PNP管T2導通,將T1、T2柵極的電荷迅速放掉,T1、T2截止。電池欠壓保護由IC2C組成電壓比較器,當電瓶電壓低于31.5V時,它的⒁腳變為低電位,相當于R13輸入一端接地,將轉把速度信號降到接近零伏。使IC2B①腳呈低電平,T4截止、T3導通;T1、T2截止。過電流保護由IC2D組成電壓比較器,當過電流時。R4右端電位變低。通過R5加到IC2D⑾腳,比較器翻轉⒀腳變為低電位,同樣相當于R13輸入一端接地。將轉把速度信號降到接近零伏,使T1、T2截止。
四、PWM調制電路
我們知道,PWM一般需要鋸齒波與控制電壓經過比較器比較獲得PWM脈沖。LM393的比較器2將作為PWM比較器,其同相輸入端為控制電壓輸入端,反相輸入端為鋸齒波輸入端,輸出端(管腳7)作為輸出端經過隔離二極管VD將PWM調光信號送IRS2540/1的ENN管腳。電路圖如圖7所示。

圖7 PWM調制電路圖
鋸齒波的產生有LM393的比較器1實現,如果不去看電容器C1,比較器1是一個方波輸出的多諧振蕩器。為了獲得鋸齒波,在比較器1輸出端與COM端并接一個電容器C1。這實際上是比較器1的輸出端R1、C1充電過程,如果這個電容器的電容量足夠大,由于C1的充電需要R1,而C1的放電則是比較器的輸出晶體管,這樣比較器輸出端電壓上升與下降將會不對稱,形成“鋸齒波”振蕩波形。由于圖中電路的電源應用的VBUS,需要用RS降壓,并且需要VD2的穩壓以及電源旁路電容器C3、C4。
深圳壹芯微科技,20年專業生產“二極管、三極管、場效應管、橋堆”等,專業生產管理團隊對品質流程嚴格管控,超過4800家電路電器生產企業選用合作,價格低于同行(20%),更具性價比,提供選型替代,送樣測試,數據手冊,技術支持,售后FEA,如需了解更多詳情或最新報價,歡迎咨詢官網在線客服!
手機號/微信:13534146615
QQ:2881579535
工廠地址:安徽省六安市金寨產業園區
深圳辦事處地址:深圳市福田區寶華大廈A1428
中山辦事處地址:中山市古鎮長安燈飾配件城C棟11卡
杭州辦事處:杭州市西湖區文三西路118號杭州電子商務大廈6層B座
電話:13534146615
企業QQ:2881579535

深圳市壹芯微科技有限公司 版權所有 | 備案號:粵ICP備2020121154號