來源:壹芯微 發布日期
2022-10-07 瀏覽:-逆變電路(Inverter Circuit)是與整流電路(Rectifier)相對應,把直流電變成交流電稱為逆變。逆變電路可用于構成各種交流電源,在工業中得到廣泛應用。接下來,為大家詳細說下逆變電路的三種調壓方式和逆變電路的換流方式有哪些。
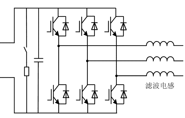
一、逆變電路的三種調壓方式
1、脈寬調制調壓
2、移相調壓
3、調節直流側電壓
逆變電路的三種調壓方式
二、逆變電路的換流方式有哪些
1、電源換流:換流電壓取自交流電網。
2、負載換流:換流電壓取自呈容性的負載端電壓。
3、自換流:換流電壓由附加的獨立電路產生。 前兩種方式由于無需附加換流電路,因而主電路比較簡單,但僅限于具有交流電網或容性負載的場合。
壹芯微科技專注于“二,三極管、MOS(場效應管)、橋堆”研發、生產與銷售,20年行業經驗,擁有先進全自動化雙軌封裝生產線、高速檢測設備等,研發技術、芯片源自臺灣,專業生產流程管理及工程團隊,保障所生產每一批物料質量穩定和更長久的使用壽命,實現高度自動化生產,大幅降低人工成本,促進更好的性價比優勢!選擇壹芯微,還可為客戶提供參數選型替代,送樣測試,技術支持,售后服務等,如需了解更多詳情或最新報價,歡迎咨詢官網在線客服!
手機號/微信:13534146615
QQ:2881579535
工廠地址:安徽省六安市金寨產業園區
深圳辦事處地址:深圳市福田區寶華大廈A1428
中山辦事處地址:中山市古鎮長安燈飾配件城C棟11卡
杭州辦事處:杭州市西湖區文三西路118號杭州電子商務大廈6層B座
電話:13534146615
企業QQ:2881579535

深圳市壹芯微科技有限公司 版權所有 | 備案號:粵ICP備2020121154號