來源:壹芯微 發布日期
2021-08-09 瀏覽:-PWM驅動MOS管H橋電路解析-壹芯微
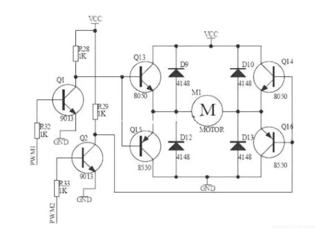
H橋是一個典型的直流電機控制電路,因為它的電路形狀酷似字母H,故得名與“H橋”。4個三極管組成H的4條垂直腿,而電機就是H中的橫杠(注意:圖中只是簡略示意圖,而不是完整的電路圖,其中三極管的驅動電路沒有畫出來)。
一、H橋驅動原理
(1)電機驅動
電路首先,單片機能夠輸出直流信號,但是它的驅動才能也是有限的,所以單片機普通做驅動信號,驅動大的功率管如Mos管,來產生大電流從而驅動電機,且占空比大小能夠經過驅動芯片控制加在電機上的均勻電壓到達轉速調理的目的。電機驅動主要采用N溝道MOSFET構建H橋驅動電路,H 橋是一個典型的直流電機控制電路,由于它的電路外形酷似字母 H,故得名曰“H 橋”。4個開關組成H的4條垂直腿,而電機就是H中的橫杠。要使電機運轉,必需使對角線上的一對開關導通,經過不同的電流方向來控制電機正反轉,其連通電路如圖所示。

(2)H橋驅動原理
實踐驅動電路中通常要用硬件電路便當地控制開關,電機驅動板主要采用兩種驅動芯片,一種是全橋驅動HIP4082,一種是半橋驅動IR2104,半橋電路是兩個MOS管組成的振蕩,全橋電路是四個MOS管組成的振蕩。其中,IR2104型半橋驅動芯片能夠驅動高端和低端兩個N溝道MOSFET,能提供較大的柵極驅動電流,并具有硬件死區、硬件防同臂導通等功用。運用兩片IR2104型半橋驅動芯片能夠組成完好的直流電機H橋式驅動電路,而且IR2104價錢低廉,功用完善,輸出功率相對HIP4082較低,此計劃采用較多。

另外,由于驅動電路可能會產生較大的回灌電流,為避免對單片機產生影響,最好用隔離芯片隔離,隔離芯片選取有很多方式,如2801等,這些芯片常做控制總線驅動器,作用是進步驅動才能,滿足一定條件后,輸出與輸入相同,可停止數據單向傳輸,即單片機信號能夠到驅動芯片,反過來不行。
二、mos管h橋電機驅動電路圖
(1) 典型mos管H橋直流電機控制電路
電路得名于“H橋驅動電路”是由于它的外形酷似字母H。4個三極管組成H的4條垂直腿,而電機就是H中的橫杠(留意:圖1及隨后的兩個圖都只是表示圖,而不是完好的電路圖,其中三極管的驅動電路沒有畫出來)。
如圖所示,H橋式電機驅動電路包括4個三極管和一個電機。要使電機運轉,必需導通對角線上的一對三極管。依據不同三極管對的導通狀況,電流可能會從左至右或從右至左流過電機,從而控制電機的轉向。

要使電機運轉,必需使對角線上的一對三極管導通。例如,如圖2所示,當Q1管和Q4管導通時,電流就從電源正極經Q1從左至右穿過電機,然后再經Q4回到電源負極。按圖中電流箭頭所示,該流向的電流將驅動電機順時針轉動。當三極管Q1和Q4導通時,電流將從左至右流過電機,從而驅動電機按特定方向轉動(電機四周的箭頭指示為順時針方向)。

圖3所示為另一對三極管Q2和Q3導通的狀況,電流將從右至左流過電機。當三極管Q2和Q3導通時,電流將從右至左流過電機,從而驅動電機沿另一方向轉動(電機四周的箭頭表示為逆時針方向)。

(2) 使能控制和方向邏輯
驅動電機時,保證H橋上兩個同側的三極管不會同時導通十分重要。假如三極管Q1和Q2同時導通,那么電流就會從正極穿過兩個三極管直接回到負極。此時,電路中除了三極管外沒有其他任何負載,因而電路上的電流就可能到達最大值(該電流僅受電源性能限制),以至燒壞三極管。基于上述緣由,在實踐驅動電路中通常要用硬件電路便當地控制三極管的開關。
改良電路在根本H橋電路的根底上增加了4個與門和2個非門。4個與門同一個“使能”導通訊號相接,這樣,用這一個信號就能控制整個電路的開關。而2個非門經過提供一種方向輸人,能夠保證任何時分在H橋的同側腿上都只要一個三極管能導通。(與本節前面的表示圖一樣,圖4所示也不是一個完好的電路圖,特別是圖中與門和三極管直接銜接是不能正常工作的)

采用以上辦法,電機的運轉就只需求用三個信號控制:兩個方向信號和一個使能信號。假如DIR-L信號為0,DIR-R信號為1,并且使能信號是1,那么三極管Q1和Q4導通,電流從左至右流經電機(如圖5所示);假如DIR-L信號變為1,而DIR-R信號變為0,那么Q2和Q3將導通,電流則反向流過電機。

實踐運用的時分,用分立元件制造H橋是很費事的,好在如今市面上有很多封裝好的H橋集成電路,接上電源、電機和控制信號就能夠運用了,在額定的電壓和電流內運用十分便當牢靠。附兩張分立元件的H橋驅動電路:

深圳市壹芯微科技專業研發制造各種直插、貼片二三極管,肖特基,TVS,快恢復,高效整流,場效應管(MOS管),可控硅,三端穩壓管,橋堆等功率器件選型產品,引進大量先進的二三極管選型封裝測試全自動化設備、專業生產系列精密設備,還有詳細的選型及介紹信息,如需報價或了解更多,歡迎咨詢在線客服或請致電135 3414 6615
工廠地址:安徽省六安市金寨產業園區
深圳辦事處地址:深圳市福田區寶華大廈A1428
中山辦事處地址:中山市古鎮長安燈飾配件城C棟11卡
杭州辦事處:杭州市西湖區文三西路118號杭州電子商務大廈6層B座
電話:13534146615
企業QQ:2881579535

深圳市壹芯微科技有限公司 版權所有 | 備案號:粵ICP備2020121154號