來源:壹芯微 發布日期
2022-01-20 瀏覽:-隨機存儲器的特點與結構介紹
早期的計算機使用繼電器、機械計數器或延遲線來實現主存儲器功能。超聲波延遲線是串行設備,只能按寫入順序復制數據。鼓內存可以以相對較低的成本擴展,但有效檢索內存項需要了解鼓的物理布局以優化速度。鎖存器由真空管三極管構成,后來由分立晶體管構成,用于更小和更快的存儲器,例如寄存器。此類寄存器相對較大且成本過高,無法用于處理大量數據;通常只能提供幾十或幾百位這樣的存儲器。
隨機存取存儲器的第一種實用形式是1947年開始使用的威廉姆斯管。它將數據存儲為陰極射線管表面的帶電點。由于CRT的電子束可以任意順序讀寫管子上的點,因此存儲器是隨機存取的。威廉姆斯管的容量從幾百位到一千位左右,但與使用單獨的真空管鎖存器相比,它更小、更快、更節能。在英國曼徹斯特大學開發的威廉姆斯管提供了在曼徹斯特嬰兒計算機中實現第一個電子存儲程序的媒介,該計算機于1948年6月21日首次成功運行程序。

隨機存取存儲器
1.什么是隨機存儲器
隨機存取存儲器(RAM)是一種形式的計算機存儲器,可以以任何順序被讀取和改變,通常用于存儲工作數據和機器代碼。隨機存取存儲器設備允許在幾乎相同的時間量數據項被讀出或寫入,并且無需擔憂存儲器內的數據的物理位置,在與其他直接訪問數據存儲介質的對比度(例如作為硬盤、CD-RW、DVD-RW和更舊的磁帶和鼓式存儲器),由于介質旋轉速度和臂移動等機械限制,讀取和寫入數據項所需的時間因它們在記錄介質上的物理位置而異。RAM包含多路復用和多路分解電路,用于將數據線連接到尋址存儲器以讀取或寫入條目。通常同一個地址訪問不止一位的存儲,而RAM設備往往有多條數據線,被稱為“8位”或“16位”等設備。
在當今的技術中,隨機存取存儲器采用具有MOS(金屬氧化物半導體)存儲單元的集成電路(IC)芯片的形式。RAM通常與易失性類型的存儲器(例如動態隨機存取存儲器(DRAM)模塊)相關聯,其中存儲的信息在斷電時會丟失,盡管也已開發出非易失性RAM。存在其他類型的非易失性存儲器,允許隨機訪問讀取操作,但不允許寫入操作或對它們有其他類型的限制。這些包括大多數類型的ROM和一種閃存稱為NOR-Flash。
2.基本結構
RAM一般由存儲矩陣、地址譯碼器、片選控制和讀/寫控制電路等組成,如圖1所示。存儲器有三類信號線,即數據線、地址線和控制線。

圖1RAM結構示意圖
2.1存儲矩陣
一個存儲器內有許多存儲單元,一般按矩陣形式排列,排成咒行和m列,存儲器以字為單位組織內部結構,一個字含有若干個存儲單元,一個字所含位數稱為字長。實際應用中,常以字數乘字長表示存儲器容量。例如,一個容量為256×4(256個字,每個字有4個存儲單元)的存儲器,共有1024個存儲單元,可以排成32行×32列的矩陣,如圖所示。圖中每四列連接到一個共同的列地址譯碼線上,組成一個字列。每行可存儲8個字,每列可存儲32個字,因此需要8根列地址選擇線(Y1˜Y7)、32根行地址選擇線(X0˜X31)。
2.2地址譯碼
通常存儲器以字為單位進行數據的讀寫操作,每次讀出或寫入一個字,將存放同一個字的存儲單元編成一組,并賦予一個號碼,稱為地址。不同的字存儲單元被賦予不同的地址碼,從而可以對不同的字存儲單元按地址進行訪問。字(存儲)單元也稱為地址單元。
通過地址譯碼器對輸入地址譯碼,并選擇相應的地址單元。在大容量存儲器中,一般采用雙譯碼結構,即有行地址和列地址,分別由行地址譯碼器和列地址譯碼器譯碼。行地址和列地址共同決定一個地址單元。地址單元個數N與二進制地址碼的位數n有N=2n的關系,即2n個(字)存儲單元需要咒位(二進制)地址。圖2中,256個字單元被賦于一個8位地址(5位行地址和3位列地址),再經各自地址譯碼器譯成32根行地址線和8根列地址線,只有被行地址選擇線和列地址選擇線選中的地址單元才能對其進行數據讀寫操作。

圖2256×4儲存矩陣
2.3輸入/輸出
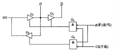
控制RAM中的輸入/輸出控制電路除了對存儲器實現讀或寫操作的控制外,為了便于控制,還需要一些其他控制信號。圖3給出了一個簡單輸入/輸出控制電路,它不僅有讀/寫控制信號R/W,還有片選控制信號CS。

圖3輸入/輸出控制電路
當片選信號CS=1時,G4,G5輸出為0,三個三態緩沖器G1,G2,G3處于高阻狀態,輸入/輸出(I/O)端與存儲器內部隔離,不能對存儲器進行讀/寫操作。當CS=0時,存儲器使能;若R/W,G5為1,G3門打開,G1,G2處于高阻狀態,存儲的數據D經G3輸出,即實現對存儲器讀操作;若R/W,G4為1,G1,G2打開,輸入數據經緩沖后以互補形式出現在內部數據線上,實現對存儲器寫操作。
3.特點
3.1隨機存取
所謂“隨機存取”,指的是當存儲器中的消息被讀取或寫入時,所需要的時間與這段信息所在的位置無關。相對的,讀取或寫入順序訪問(SequentialAccess)存儲設備中的信息時,其所需要的時間與位置就會有關系(如磁帶)。
3.2易失性
當電源關閉時RAM不能保留數據。如果需要保存數據,就必須把它們寫入靜態隨機存儲器一個長期的存儲設備中(例如硬盤)。RAM和ROM相比,兩者的最大區別是RAM在斷電以后保存在上面的數據會自動消失,而ROM不會。
3.3高訪問速度
現代的隨機存儲器幾乎是所有訪問設備中寫入和讀取速度最快的,取存延遲也和其他涉及機械運作的存儲設備相比,也顯得微不足道。
3.4需要刷新
現代的隨機存儲器依賴電容器存儲數據。電容器充滿電后代表1(二進制),未充電的代表0。由于電容器或多或少有漏電的情形,若不作特別處理,數據會漸漸隨時間流失。刷新是指定期讀取電容器的狀態,然后按照原來的狀態重新為電容器充電,彌補流失了的電荷。需要刷新正好解釋了隨機存儲器的易失性。
3.5對靜電敏感
正如其他精細的集成電路,隨機存儲器對環境的靜電荷非常敏感。靜電會干擾存儲器內電容器的電荷,引致數據流失,甚至燒壞電路。故此觸碰隨機存儲器前,應先用手觸摸金屬接地。

隨機存儲器
4.關于隨機存儲器的常見問題
4.1隨機存儲器的簡稱是什么?
隨機存取存儲器(英語:RandomAccessMemory,縮寫:RAM),也叫主存,是與CPU直接交換數據的內部存儲器。它可以隨時讀寫(刷新時除外),而且速度很快,通常作為操作系統或其他正在運行中的程序的臨時數據存儲介質。RAM工作時可以隨時從任何一個指定的地址寫入(存入)或讀出(取出)信息。
4.2隨機存儲器與只讀存儲器最大的區別是什么?
RAM與ROM的最大區別是數據的易失性,即一旦斷電所存儲的數據將隨之丟失。RAM在計算機和數字系統中用來暫時存儲程序、數據和中間結果。
4.3什么是RAM及其工作原理?
計算機內存或隨機存取存儲器(RAM)是您系統的短期數據存儲;它存儲您的計算機正在使用的信息,以便可以快速訪問。您的系統運行的程序越多,您需要的內存就越多。
4.4什么是隨機存取存儲器的示例?
隨機存取設備包括硬盤驅動器、CD(光盤)刻錄機和DVD(數字多功能光盤)RAM(隨機存取存儲器)設備。硬盤驅動器通常具有20GB的存儲容量和超過10兆字節(MB)每秒的數據傳輸速率。
4.5隨機存取存儲器(RAM)的常見類型有哪些?
靜態RAM(SRAM)
動態內存(DRAM)
同步動態RAM(SDRAM)
單數據速率同步動態RAM(SDRSDRAM)
雙倍數據速率同步動態RAM(DDRSDRAM、DDR2、DDR3、DDR4)
圖形雙倍數據速率同步動態RAM(GDDRSDRAM、GDDR2、GDDR3、GDDR4、GDDR5)
閃存
4.6如何查看電腦使用的是哪種類型的隨機存取存儲器(RAM)?
首先,在您PC上啟動任務管理器,然后單擊性能選項卡。現在,從左欄中選擇內存選項,然后查看右上角。它將顯示您擁有多少RAM以及您使用的RAM類型。
4.7RAM的主要缺點是什么?
它的訪問速度太慢,它的矩陣尺寸太大,它是易變的。如遇停電,所存內容便全部丟失。
4.8哪種類型的RAM最適合移動設備?
市場上有不同RAM容量的智能手機。最高可達12GBRAM,您可以購買適合您預算和使用情況的RAM。此外,4GBRAM被認為是Android手機的不錯選擇。
結語
以上就是隨機存儲器的特點與結構介紹了。與只讀存儲器(ROM)相比,隨機存儲器最大的優點是存取方便、使用靈活,既能不破壞地讀出所存信息,又能隨時寫入新的內容。它可以在任意時刻,對任意選中的存儲單元進行信息的存入(寫入)或取出(讀出)操作。兩種主要類型的易失性隨機存取半導體存儲器是靜態隨機存取存儲器(SRAM)和動態隨機存取存儲器(DRAM)。半導體RAM的商業用途可以追溯到1965年,當時IBM為其System/36095型計算機引入了SP95SRAM芯片,而東芝將DRAM存儲單元用于其ToscalBC-1411電子計算器,兩者均基于雙極晶體管。基于MOS晶體管的商用MOS存儲器是在1960年代后期開發的,此后一直是所有商用半導體存儲器的基礎。第一個商用DRAMIC芯片Intel1103于1970年10月推出。隨機存取存儲器(SDRAM)后來在1992年與三星KM48SL2000芯片一起首次亮相。
〔壹芯微〕專業研發生產二極管,三極管,MOS管,橋堆,專注領域,專業品質,研發技術-芯片源自中國臺灣,擁有全工序封裝生產線,配備高標準可靠性實驗室,引入國外先進測試儀器,檢測設備,以及專業團隊豐富的生產經驗,保障每個器件的參數和性能的充分穩定性,同時實現了高度全自動化生產,大幅度降低人工成本,并與中國臺灣芯片制造商達成合作,產品低于同行10%,壹芯微還提供有選型替代,技術支持,售后FAE,歡迎點擊頁面右側"在線客服" 咨詢了解產品詳情和最新報價,提供免費樣品送予測試
手機號/微信:13534146615
QQ:2881579535
工廠地址:安徽省六安市金寨產業園區
深圳辦事處地址:深圳市福田區寶華大廈A1428
中山辦事處地址:中山市古鎮長安燈飾配件城C棟11卡
杭州辦事處:杭州市西湖區文三西路118號杭州電子商務大廈6層B座
電話:13534146615
企業QQ:2881579535

深圳市壹芯微科技有限公司 版權所有 | 備案號:粵ICP備2020121154號