來源:壹芯微 發布日期
2019-10-24 瀏覽:-431的完整型號為TL431,雖然其外形與TO-92封裝的小功率三極管一樣,但其不是三極管,而是一款精密基準電壓源IC,其外形如下圖所示。

431常見的封裝為TO-92封裝(如上圖所示)
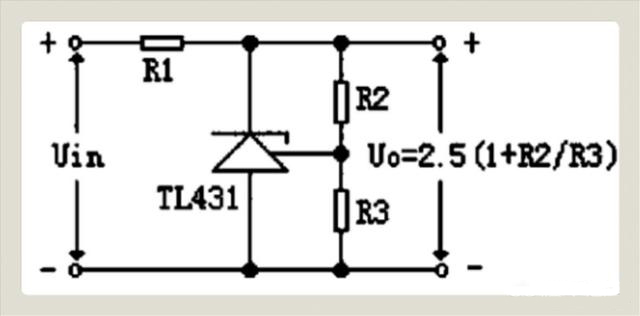
和SOT-23封裝,其三個引腳功能分別為R、A、K。該IC在電路中一般作為一個精密基準電壓源使用,用來產生2.5~36V的基準電壓。其典型應用電路如下圖所示。

TL431只要外接三個電阻即可產生2.5~36V的基準電壓,圖中R1為限流電阻,電路的輸出電壓Uo由R2和R3決定,改變其阻值,即可獲得不同的基準電壓,這種采用431產生的基準電壓的溫度穩定性遠優于2DW7這類精密穩壓管構成的穩壓電路。一般用于電路中對基準電壓穩定性要求較高的場合。

提問者說的331應該是三極管的產品序號,像常用的8050、9014及A733三極管上面經常標有“C331、D331”字樣(見上圖),有些初學者常將之誤認為是三極管的型號。
綜上所述,431和“331”之類的三極管的區別是:431為基準電壓源IC,主要用來構成基準電壓源,不能像三極管一樣構成線性放大器,而“331”三極管一般用來構成線性放大器或電子開關驅動負載。
壹芯微科技針對二三極管,MOS管作出了良好的性能測試,應用各大領域,如果您有遇到什么需要幫助解決的,可以點擊右邊的工程師,或者點擊銷售經理給您精準的報價以及產品介紹
工廠地址:安徽省六安市金寨產業園區
深圳辦事處地址:深圳市福田區寶華大廈A1428
中山辦事處地址:中山市古鎮長安燈飾配件城C棟11卡
杭州辦事處:杭州市西湖區文三西路118號杭州電子商務大廈6層B座
電話:13534146615
企業QQ:2881579535

深圳市壹芯微科技有限公司 版權所有 | 備案號:粵ICP備2020121154號