來源:壹芯微 發布日期
2022-08-25 瀏覽:-通過雙脈沖測試評估
MOSFET 的反向恢復特性
我們開設了 Si 功率元器件的新篇章——“評估篇”。在“通過雙脈沖測試評估 MOSFET 的反向恢復特性”中,我們將通過雙脈沖測試來評估 MOSFET 體二極管的反向恢復特性,并確認 MOSFET 損耗情況。
1
MOSFET 體二極管的
反向恢復特性與橋式電路損耗的關系
在逆變器電路和 Totem Pole 型功率因數改善(PFC)電路等具有 2 個以上 MOSFET 的橋式電路中,由于流過上下橋臂的電流會使導通損耗增加。該現象受開關 MOSFET 和對應橋臂 MOSFET 的體二極管(寄生二極管)的反向恢復特性影響很大。因此,在橋式電路中,體二極管反向恢復特性優異的 MOSFET 優勢明顯。
2
什么是
雙脈沖測試?
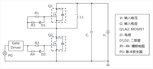
雙脈沖測試是廣泛應用于 MOSFET 和 IGBT 等功率開關元件特性評估的一種測試方法。該測試不僅可以評估對象元件的開關特性,還可以評估體二極管和 IGBT 一同使用的快速恢復二極管(FRD)等的反向恢復特性。因此,對導通時發生反向恢復特性引起損耗的電路的評估非常有效。雙脈沖測試的基本電路圖如下所示。
另外,當該電路的 Q1 是續流用 MOSFET、Q2 是驅動用 MOSFET 時,雙脈沖測試的基本工作如下表所示。基本工作主要可以分為①、②、③這三種。當定義脈沖發生器的電壓為 VPulse、流過電感的電流為 IL、Q2 的漏源電壓為 VDS_L、Q2 的漏極電流為 ID_L 時,各模式的工作、電流路徑和波形如表所示。
在工作③中,在 Q2 導通時可以觀測到短路電流(ID_L 紅色部分)。這是由 Q1 體二極管的反向恢復特性引發的。
當體二極管從 ON 轉換為 OFF 時,必須將 ON 時所蓄積的電荷進行放電。此時,設從體二極管釋放出的電荷量為 Qrr,釋放電荷所產生的電流峰值為 Irr,Q2 的功率損耗為 Pd_L,則 Q2 的導通動作可以如右圖所示。ID_L 的三角形面積為 Qrr、三角形的高為 Irr。
一般情況下,當續流側元件 Q1 的體二極管反向恢復特性較差、Qrr 也較大時,驅動側元件 Q2 的導通損耗會增加。因此,在像逆變器電路這樣的流過再生電流的應用和 Totem Pole 型 PFC 電路中,需要考慮到體二極管的反向恢復特性對損耗有較大的影響。
關鍵要點
?在具有 2 個以上 MOSFET 的橋式電路中,當 MOSFET 的體二極管反向恢復特性較差時,導通損耗會增加。
?雙脈沖測試是廣泛應用于 MOSFET 和 IGBT 等功率開關元件特性評估的一種測試方法。
?雙脈沖測試不僅可以評估對象元件的開關特性,也可以評估體二極管和外置快速恢復二極管等的反向恢復特性。
?雙脈沖測試對導通時發生反向恢復特性引起損耗的電路的評估非常有效。壹芯微科技專注于“二,三極管、MOS(場效應管)、橋堆”研發、生產與銷售,20年行業經驗,擁有先進全自動化雙軌封裝生產線、高速檢測設備等,研發技術、芯片源自臺灣,專業生產流程管理及工程團隊,保障所生產每一批物料質量穩定和更長久的使用壽命,實現高度自動化生產,大幅降低人工成本,促進更好的性價比優勢!選擇壹芯微,還可為客戶提供參數選型替代,送樣測試,技術支持,售后服務等,如需了解更多詳情或最新報價,歡迎咨詢官網在線客服!
手機號/微信:13534146615
QQ:2881579535
工廠地址:安徽省六安市金寨產業園區
深圳辦事處地址:深圳市福田區寶華大廈A1428
中山辦事處地址:中山市古鎮長安燈飾配件城C棟11卡
杭州辦事處:杭州市西湖區文三西路118號杭州電子商務大廈6層B座
電話:13534146615
企業QQ:2881579535

深圳市壹芯微科技有限公司 版權所有 | 備案號:粵ICP備2020121154號