來源:壹芯微 發布日期
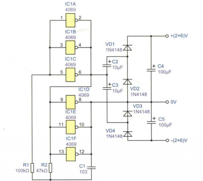
2022-11-14 瀏覽:-一些電路工作時需要使用正、負電源,比如運算放大器,工作時經常要用到這樣的正、負電源,這里介紹一款使用門電路來制作的電源變換器,可以將6V直流電源轉換成士6V對稱電源。電路原理圖如下所示。
本電路由振蕩器和倍壓器兩部分組成。振蕩器由2組串聯的反相器和R1、R2、C1等組成,其中IC1A、IC1B、IC1C三個反相器并聯在一起構成一組,IC1D、IC1E、IC1F三個反相器并聯在一起構成另一組,這樣接法是為了增大輸出電流,從而可以帶動較大負載。
電解電容C2、C4和二極管VD1、VD2構成一個倍壓電路,另一個倍壓電路由電解電容C3、C5和二極管VD3、VD4組成。由4069構成的振蕩器起振后,通過兩組倍壓電路轉換,分別輸出直流+12V和一12V電源。
壹芯微科技專注于“二,三極管、MOS(場效應管)、橋堆”研發、生產與銷售,20年行業經驗,擁有先進全自動化雙軌封裝生產線、高速檢測設備等,研發技術、芯片源自臺灣,專業生產流程管理及工程團隊,保障所生產每一批物料質量穩定和更長久的使用壽命,實現高度自動化生產,大幅降低人工成本,促進更好的性價比優勢!選擇壹芯微,還可為客戶提供參數選型替代,送樣測試,技術支持,售后服務等,如需了解更多詳情或最新報價,歡迎咨詢官網在線客服!
手機號/微信:13534146615
QQ:2881579535
工廠地址:安徽省六安市金寨產業園區
深圳辦事處地址:深圳市福田區寶華大廈A1428
中山辦事處地址:中山市古鎮長安燈飾配件城C棟11卡
杭州辦事處:杭州市西湖區文三西路118號杭州電子商務大廈6層B座
電話:13534146615
企業QQ:2881579535

深圳市壹芯微科技有限公司 版權所有 | 備案號:粵ICP備2020121154號