來源:壹芯微 發布日期
2022-04-19 瀏覽:-TDA2030的典型應用電路介紹|壹芯微
TDA2030A是高保真集成功放之一,許多功放電路都采用這種集成方式。TDA2030也是許多電腦有源音箱所采用的HI-FI功放集成塊。它接法簡單,價格實惠。額定功率為14W。電源電壓為±6~±18V。輸出電流大,諧波失真和交越失真小(±14V/4歐姆,THD=0.5%)。具有優良的短路和過熱保護電路。下面介紹其的接法及應用電路:
1.接法
其接法分單電源和雙電源兩種:
1.1單電源接法

圖1TDA2030單電源接法圖
1.2雙電源接法

圖2TDA2030雙電源接法圖
2.應用電路
2.1OTL形式的功放
OTL功放的形式:采用單電源,有輸出耦合電容。如圖3所示電路中的R5(150kΩ)與R4(4.7kΩ)電阻決定放大器閉環增益,R4電阻越小增益越大,但增益太大也容易導致信號失真。兩個二極管接在電源與輸出端之間,是防止揚聲器感性負載反沖而影響音質。C3(0.22uF)電容與R6(1Ω)的電阻是對感性負載(喇叭)進行相位補償來消除自激,該電路采用36V單電源,輸出功率約20W。

圖3用TDA2030A做成的OTL功放
2.2OCL形式功放
OCL功放的形式是采用雙電源,無輸出耦合電容,如圖4所示,由于無輸出耦合電容低頻響應得到改善,屬于高保真電路。雙電源采用初級線圈中間點接地、上下電壓對稱相等的變壓器,經過整流濾波后構成±18V的雙電源,輸出功率為20W。

圖4用TDA2030A做成的OCL功放
2.3BTL形式功放
BTL的主要特點是:由兩個相同的功放組成,輸入信號互為反相。實際采用放大器的同相輸入與反相輸入,以保證輸入信號互為反相,同時還應使兩輸入信號的幅度相同,這樣便可以滿足BTL電路形式的基本要求。電路圖如圖5所示,其中R7(1kΩ)與R8(33Ω)電阻對信號分壓后衰減的倍數與U1的放大倍數正好相同,衰減后的信號通過R5加在U2的反相輸入端。事實上是由兩個運放完成了一路信號放大,實際測得輸出電平高出用一個集成電路的1.5倍。即原輸出功率為20W的運放,現輸出功率約為50W。但由于BTL電路特點,選擇集成電路時盡可能用參數一致的兩個運算放大電路,調整輸入信號幅度,可通過輸入正弦波用示波器觀察兩輸入信號的幅度,這時調整R7使兩輸入信號的幅度相同,以保證在提高功率的同時盡可能減小非線性對稱性失真。

圖5用TDA2030A做成的BTL形式功放
2.440w功放電路
圖6是TDA2030功放集成塊和BD907/908制作的40w功放電路:

圖6TDA2030功放集成塊和BD907/908制作的40w功放電路
2.5高保真有源音箱電路
用TDA2030設計的一款高保真有源音箱電路,電路圖如圖7所示。采用雙電源供電,加入了高低音和音量調節。在設計PCB的時候,地線要盡量不從元件管腳走過,這樣可以減少直流噪音。

圖7高保真有源音箱電路圖
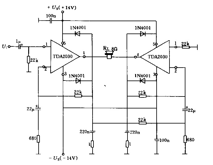
2.625W橋式低頻功率放大器電路

圖825W橋式低頻功率放大器電路圖
圖8電路采用兩片TDA2030,連接成橋式電路,兩邊電路結構和參數完全相同。右邊的集成電路由左邊集成電路通過22kΩ負反饋電阻控制,反之亦然。二極管1N4001用于防止揚聲器電感負載產生過電壓損壞器件。電路的放大系數可通過改變輸出端(腳4)至反相輸入端(腳2)間負反饋電壓比來調整。
深圳壹芯微科技,20年專業生產“二極管、三極管、場效應管、橋堆”等,專業生產管理團隊對品質流程嚴格管控,超過4800家電路電器生產企業選用合作,價格低于同行(20%),更具性價比,提供選型替代,送樣測試,數據手冊,技術支持,售后FEA,如需了解更多詳情或最新報價,歡迎咨詢官網在線客服!
手機號/微信:13534146615
QQ:2881579535
工廠地址:安徽省六安市金寨產業園區
深圳辦事處地址:深圳市福田區寶華大廈A1428
中山辦事處地址:中山市古鎮長安燈飾配件城C棟11卡
杭州辦事處:杭州市西湖區文三西路118號杭州電子商務大廈6層B座
電話:13534146615
企業QQ:2881579535

深圳市壹芯微科技有限公司 版權所有 | 備案號:粵ICP備2020121154號