來源:壹芯微 發布日期
2023-06-28 瀏覽:-無橋PFC電路中箝位電容如何選擇
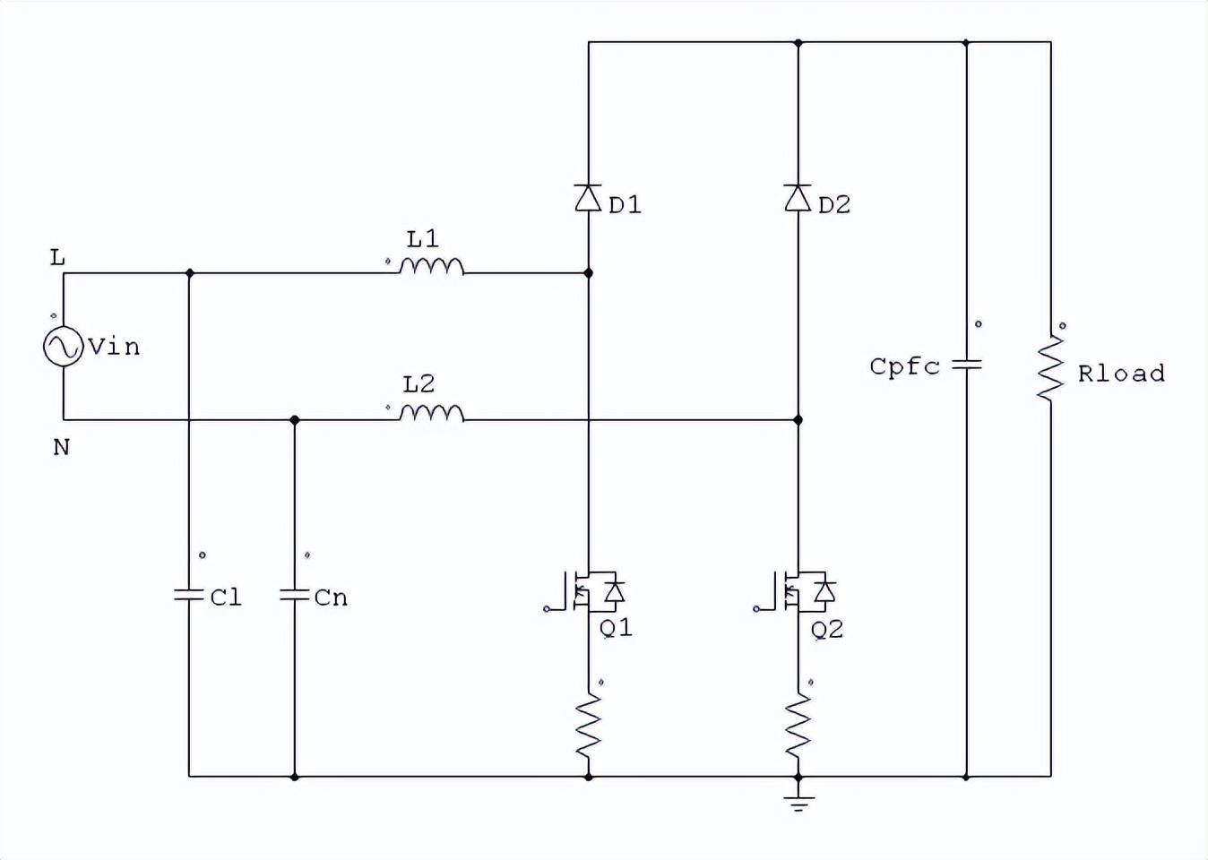
圖1 電容箝位無橋PFC原理圖
沒有箝位電容之前,該抖動是以PFC輸出電壓一半的幅值,近似方波(含豐富的高次諧波)的,造成共模EMI問題;如圖9所示,使用電容箝位以后,由于箝位電容Cl和Cn的作用,輸入L和N端對工作“地”的抖動電平幅值被極大限制,并且基本不含高次諧波,可以獲得和傳統Boost近似的EMI效果。
箝位電容對輸入傳導的影響如下:
L線,30A,無箝位電容
L線,50A,0.33uF
N線,30A,無箝位電容
N線,50A,0.33uF
箝位電容選擇
1. 箝位電容作用是極大減小了由于無橋PFC工作帶來的抖動頻譜,降低共模噪聲,優化EMI;同時也有利于控制(由于控制地對PE的高頻抖動,在控制地和PE間形成的寄生電容會流過共模電流,影響采樣等)。
① 容值選擇:由于EMI和模塊布局、走線及屏蔽等息息相關,目前還無法做到EMI的定量分析,無法得到準確的箝位電容容值的計算公式,這里推薦以下幾種參考方式綜合選取:
⑴根據APET做的仿真結果顯示:當PFC的開關頻率在100kHz~1MHz之間時,其值需要選擇在1nF~1uF之間(開關頻率越高,需要的值越小),HC415Z試驗基本結果是,開關頻率在100kHz以下,箝位電容需要大約0.1~0.3uF;
⑵可以知道:由于箝位電容的引入,同時電流采樣又取自續流的電感電流(被并聯的電感及電容濾波后的值,),在電流環的幅頻波特圖中,存在一個由PFC電感(L1或L2)和箝位電容(Cl或Cn)形成的諧振峰,頻率為PFC電感和箝位電容的諧振頻率,因此從環路設計角度出發,箝位電容值的選取應該使PFC電感和箝位電容的諧振頻率盡量高(即諧振峰的頻率盡量高),一般情況下盡量>15kHz。
② 材質選擇:通過電容箝位無橋PFC的工作原理知道,箝位電容要流過高頻大電流。因此,該電容需要選擇能流過高頻大電流的材質,如CBB21和MKP21聚丙烯膜電容
壹芯微科技專注于“二,三極管、MOS(場效應管)、橋堆”研發、生產與銷售,21年行業經驗,擁有先進全自動化雙軌封裝生產線、高速檢測設備等,研發技術、芯片源自臺灣,專業生產流程管理及工程團隊,保障所生產每一批物料質量穩定和更長久的使用壽命,實現高度自動化生產,大幅降低人工成本,促進更好的性價比優勢!選擇壹芯微,還可為客戶提供參數選型替代,送樣測試,技術支持,售后服務等,如需了解更多詳情或最新報價,歡迎咨詢官網在線客服!
手機號/微信:13534146615
QQ:2881579535
工廠地址:安徽省六安市金寨產業園區
深圳辦事處地址:深圳市福田區寶華大廈A1428
中山辦事處地址:中山市古鎮長安燈飾配件城C棟11卡
杭州辦事處:杭州市西湖區文三西路118號杭州電子商務大廈6層B座
電話:13534146615
企業QQ:2881579535

深圳市壹芯微科技有限公司 版權所有 | 備案號:粵ICP備2020121154號